One-Piece Iron (Parking Brake) Rotors

Search One-Piece Iron Rotors
Select one or any combination to display a list of Rotors:
Category:
Diameter:
Width:
Bolt Circle:
Offset:
Search Results All
HP Modified Hub & Rotor
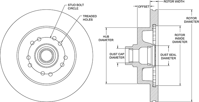
Rotor Diameter: 10.15
Rotor Width: 0.81
Rotor Bolt Circle(s): 
Material: Iron
HP Modified Hub & Rotor

HP Modified Hub & Rotor Drawing HP Modified Hub & Rotor Drawing Zoom Image

HP Modified Hub & Rotor Description

Wilwood’s OEM Replacement Racing Rotors for Modifieds: Wilwood Engineering is proud to introduce our OEM-Replacement line of racing rotors to the industry. These rotors were designed utilizing the latest developments in iron formulation technology using our proprietary blend ferrous alloy to bring you the strongest, lightweight, most dependable rotor available in the market place. The rotors are new castings, not reworked parts and our tolerances are held to the high standards you have come to expect from Wilwood Engineering. Ford Hybrid rotors come standard with races and 5/8” coarse wheel studs installed in the 5 on 5 bolt pattern. Standard rotors come with 2.14" long studs. LS rotors come with an increased length, 3.14" long wheel stud to simplify wheel spacing. The Ford Hybrid version is 10.15” diameter by .810” thick rotor that fits the 1974-1980 Pinto spindles. Bearing & hardware kits for Hybrid rotor is available under part no. 370-9545. Bearing kits include: inner bearing, outer bearing, dust cap, spindle nut, washer, cotter pin, and seal.
NOTE & CAUTIONS:
Hybrid Ford Modified rotor.


Ordering Information for HP Modified Hub & Rotor
Item No 160-9240LS
Info *New* Details
Rotor Style Plain Face
Bolt Cir./Stud Dia. 5.00/0.62
Lug I.D.
Far Side I.D. 6.93
Price Call for OE Pricing
Purchase
Call (805) 388-1188

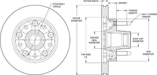
HP Vented Rotor & Hat
Rotor Diameter: 10.32
Rotor Width: 0.83
Rotor Bolt Circle(s): 
Material: Iron
HP Vented Rotor & Hat

HP Vented Rotor & Hat Drawing HP Vented Rotor & Hat Drawing Zoom Image

HP Vented Rotor & Hat Description

HP Vented Rotor and Hats are built for the extreme conditions of motorsports or heavy duty use. The superior heat absorption and dissipation characteristics of these heavy wall multi-vane rotors are the keys to preventing heat fade and realizing long service life from the rotors and pads. All rotors are cast from premium grade, long grain carbon iron for long wear, thermal stability, and resistance to distortion.
NOTE & CAUTIONS:
262mm OE Fitment Honda / Acura rotor


Ordering Information for HP Vented Rotor & Hat
Item No 160-12959
Info Details
Rotor Style Plain Face
Bolt Cir./Stud Dia. 3.93/0.50
Lug I.D. 2.52
Far Side I.D. 6.22
Price Call for OE Pricing
Purchase
Call (805) 388-1188

SRP Drilled Performance Rotor & Hat
Rotor Diameter: 10.32
Rotor Width: 0.83
Rotor Bolt Circle(s): 
Material: Iron
SRP Drilled Performance Rotor & Hat

SRP Drilled Performance Rotor & Hat Drawing SRP Drilled Performance Rotor & Hat Drawing Zoom Image

SRP Drilled Performance Rotor & Hat Description

For custom, show and high performance sport driving, SRP rotors offer the high tech look and improved performance of a directional cross-drill and face slot pattern. In addition to the aesthetic appeal, the venting and cleaning action of the hole and slot pattern helps to reduce pad glaze and minimize irregular pad build-up on the rotor faces. The results are a smoother engagement feel at the pedal and consistent response from the pads. Each rotor is precision machined to less than .001 tolerance for overall flatness, parallelism, and radial run-out on long grain carbon iron castings. The rotors are finished with a black electro coat to provide corrosion resistance.
NOTE & CAUTIONS:
262mm OE Fitment Honda / Acura rotor


Ordering Information for SRP Drilled Performance Rotor & Hat
Item No 160-12838-BK
Info Details
Rotor Style SRP Drilled & Slotted
Bolt Cir./Stud Dia. 3.93/0.50
Lug I.D. 2.52
Far Side I.D. 6.22
Price Call for OE Pricing
Purchase
Call (805) 388-1188
Item No 160-12839-BK
Info Details
Rotor Style SRP Drilled & Slotted
Bolt Cir./Stud Dia. 3.93/0.50
Lug I.D. 2.52
Far Side I.D. 6.22
Price Call for OE Pricing
Purchase
Call (805) 388-1188

HP Modified Hub & Rotor
Rotor Diameter: 10.50
Rotor Width: 1.00
Rotor Bolt Circle(s): 
Material: Iron
HP Modified Hub & Rotor

HP Modified Hub & Rotor Drawing HP Modified Hub & Rotor Drawing Zoom Image

HP Modified Hub & Rotor Description

Wilwood’s OEM Replacement Racing Rotors for Modifieds: Wilwood Engineering is proud to introduce our OEM-Replacement line of racing rotors to the industry. These rotors were designed utilizing the latest developments in iron formulation technology using our proprietary blend ferrous alloy to bring you the strongest, lightweight, most dependable rotor available in the market place. The rotors are new castings, not reworked parts and our tolerances are held to the high standards you have come to expect from Wilwood Engineering. GM Metric type rotors come standard with races and 5/8” coarse wheel studs installed in the 5 on 5 bolt pattern. Standard rotors come with 2.14" long studs. LS rotors come with an increased length, 3.14" long wheel stud to simplify wheel spacing. The GM Metric rotor is 10.50” diameter by 1.00” thick and fits the 1979-1988 GM spindles with OE 10.50" rotors. Bearing & hardware kits for GM Metric rotor is available under part no. 370-9537. Bearing kits include: inner bearing, outer bearing, dust cap, spindle nut, washer, cotter pin, and seal.
NOTE & CAUTIONS:
GM Metric Modified rotor.


Ordering Information for HP Modified Hub & Rotor
Item No 160-9239LS
Info *New* Details
Rotor Style Plain Face
Bolt Cir./Stud Dia. 5.00/0.62
Lug I.D.
Far Side I.D. 8.87
Price Call for OE Pricing
Purchase
Call (805) 388-1188

SRP Drilled Performance Rotor & Hat
Rotor Diameter: 11.00
Rotor Width: 0.81
Rotor Bolt Circle(s): 
Material: Iron
SRP Drilled Performance Rotor & Hat

SRP Drilled Performance Rotor & Hat Drawing SRP Drilled Performance Rotor & Hat Drawing Zoom Image

SRP Drilled Performance Rotor & Hat Description

For custom, show and high performance sport driving, SRP rotors offer the high tech look and improved performance of a directional cross-drill and face slot pattern. In addition to the aesthetic appeal, the venting and cleaning action of the hole and slot pattern helps to reduce pad glaze and minimize irregular pad build-up on the rotor faces. The results are a smoother engagement feel at the pedal and consistent response from the pads. Each rotor is precision machined to less than .001 tolerance for overall flatness, parallelism, and radial run-out on long grain carbon iron castings. The rotors are finished with a black electro coat to provide corrosion resistance.
NOTE & CAUTIONS:
Rear brake rotor for 11.00" Low-Profile disc/drum internal parking brake kits.


Ordering Information for SRP Drilled Performance Rotor & Hat
Item No 160-11374-BK
Info Details
Rotor Style SRP Drilled & Slotted
Bolt Cir./Stud Dia. 4.50/0.52; 4.75/0.52; 5.00/0.52
Lug I.D. 3.06
Far Side I.D. 8.38
Price Call for OE Pricing
Purchase
Call (805) 388-1188
Item No 160-11375-BK
Info Details
Rotor Style SRP Drilled & Slotted
Bolt Cir./Stud Dia. 4.50/0.52; 4.75/0.52; 5.00/0.52
Lug I.D. 3.06
Far Side I.D. 8.38
Price Call for OE Pricing
Purchase
Call (805) 388-1188
Item No 160-11521-BK
Info Details
Rotor Style SRP Drilled & Slotted
Bolt Cir./Stud Dia. 4.50/0.52; 4.75/0.52; 5.00/0.52
Lug I.D. 3.12
Far Side I.D. 8.38
Price Call for OE Pricing
Purchase
Call (805) 388-1188
Item No 160-11522-BK
Info Details
Rotor Style SRP Drilled & Slotted
Bolt Cir./Stud Dia. 4.50/0.52; 4.75/0.52; 5.00/0.52
Lug I.D. 3.12
Far Side I.D. 8.38
Price Call for OE Pricing
Purchase
Call (805) 388-1188

SRP Drilled Performance Rotor & Hat
Rotor Diameter: 11.00
Rotor Width: 0.81
Rotor Bolt Circle(s): 
Material: Iron
SRP Drilled Performance Rotor & Hat

SRP Drilled Performance Rotor & Hat Drawing SRP Drilled Performance Rotor & Hat Drawing Zoom Image

SRP Drilled Performance Rotor & Hat Description

For custom, show and high performance sport driving, SRP rotors offer the high tech look and improved performance of a directional cross-drill and face slot pattern. In addition to the aesthetic appeal, the venting and cleaning action of the hole and slot pattern helps to reduce pad glaze and minimize irregular pad build-up on the rotor faces. The results are a smoother engagement feel at the pedal and consistent response from the pads. Each rotor is precision machined to less than .001 tolerance for overall flatness, parallelism, and radial run-out on long grain carbon iron castings. The rotors are finished with a black electro coat to provide corrosion resistance.
NOTE & CAUTIONS:
Rear brake rotor for 11.00" Low-Profile disc/drum internal parking brake kits.


Ordering Information for SRP Drilled Performance Rotor & Hat
Item No 160-13954-BK
Info Details
Rotor Style SRP Drilled & Slotted
Bolt Cir./Stud Dia. 5.75/0.38
Lug I.D. 5.00
Far Side I.D. 8.38
Price Call for OE Pricing
Purchase
Call (805) 388-1188
Item No 160-13955-BK
Info Details
Rotor Style SRP Drilled & Slotted
Bolt Cir./Stud Dia. 5.75/0.38
Lug I.D. 5.00
Far Side I.D. 8.38
Price Call for OE Pricing
Purchase
Call (805) 388-1188

SRP Drilled Performance Rotor & Hat
Rotor Diameter: 11.00
Rotor Width: 0.81
Rotor Bolt Circle(s): 
Material: Iron
SRP Drilled Performance Rotor & Hat

SRP Drilled Performance Rotor & Hat Drawing SRP Drilled Performance Rotor & Hat Drawing Zoom Image

SRP Drilled Performance Rotor & Hat Description

For custom, show and high performance sport driving, SRP rotors offer the high tech look and improved performance of a directional cross-drill and face slot pattern. In addition to the aesthetic appeal, the venting and cleaning action of the hole and slot pattern helps to reduce pad glaze and minimize irregular pad build-up on the rotor faces. The results are a smoother engagement feel at the pedal and consistent response from the pads. Each rotor is precision machined to less than .001 tolerance for overall flatness, parallelism, and radial run-out on long grain carbon iron castings. The rotors are finished with a black electro coat to provide corrosion resistance.
NOTE & CAUTIONS:
6-Lug Rear brake rotor for 11.00" Low-Profile disc/drum internal parking brake kits.


Ordering Information for SRP Drilled Performance Rotor & Hat
Item No 160-16621-BK
Info Details
Rotor Style SRP Drilled & Slotted
Bolt Cir./Stud Dia. 5.50/0.52
Lug I.D. 3.56
Far Side I.D. 8.38
Price Call for OE Pricing
Purchase
Call (805) 388-1188
Item No 160-16622-BK
Info Details
Rotor Style SRP Drilled & Slotted
Bolt Cir./Stud Dia. 5.50/0.52
Lug I.D. 3.56
Far Side I.D. 8.38
Price Call for OE Pricing
Purchase
Call (805) 388-1188

SRP Drilled Performance Rotor & Hat
Rotor Diameter: 11.00
Rotor Width: 0.81
Rotor Bolt Circle(s): 
Material: Iron
SRP Drilled Performance Rotor & Hat

SRP Drilled Performance Rotor & Hat Drawing SRP Drilled Performance Rotor & Hat Drawing Zoom Image

SRP Drilled Performance Rotor & Hat Description

For custom, show and high performance sport driving, SRP rotors offer the high tech look and improved performance of a directional cross-drill and face slot pattern. In addition to the aesthetic appeal, the venting and cleaning action of the hole and slot pattern helps to reduce pad glaze and minimize irregular pad build-up on the rotor faces. The results are a smoother engagement feel at the pedal and consistent response from the pads. Each rotor is precision machined to less than .001 tolerance for overall flatness, parallelism, and radial run-out on long grain carbon iron castings. The rotors are finished with a black electro coat to provide corrosion resistance.
NOTE & CAUTIONS:
Rear brake rotor for 11.00" Low-Profile disc/drum internal parking brake kits.


Ordering Information for SRP Drilled Performance Rotor & Hat
Item No 160-11552-BK
Info Details
Rotor Style SRP Drilled & Slotted
Bolt Cir./Stud Dia.
Lug I.D. 3.06
Far Side I.D. 8.38
Price Call for OE Pricing
Purchase
Call (805) 388-1188
Item No 160-11553-BK
Info Details
Rotor Style SRP Drilled & Slotted
Bolt Cir./Stud Dia.
Lug I.D. 3.06
Far Side I.D. 8.38
Price Call for OE Pricing
Purchase
Call (805) 388-1188

Ultralite HP 32 Vane Rotor & Hat
Rotor Diameter: 11.00
Rotor Width: 0.81
Rotor Bolt Circle(s): 
Material: Iron
Ultralite HP 32 Vane Rotor & Hat

Ultralite HP 32 Vane Rotor & Hat Drawing Ultralite HP 32 Vane Rotor & Hat Drawing Zoom Image

Ultralite HP 32 Vane Rotor & Hat Description

HP rotors are close tolerance machined with smooth turned pad faces. The additional mass of the HP series extends service life on heavier competition vehicles and other severe duty applications. They are also the base model for every day use.
NOTE & CAUTIONS:
Rear brake rotor for 11.00" Low-Profile disc/drum internal parking brake kits.


Ordering Information for Ultralite HP 32 Vane Rotor & Hat
Item No 160-11364
Info Details
Rotor Style Plain Face
Bolt Cir./Stud Dia. 4.50/0.52; 4.75/0.52; 5.00/0.52
Lug I.D. 3.06
Far Side I.D. 8.38
Price Call for OE Pricing
Purchase
Call (805) 388-1188
Item No 160-11520
Info Details
Rotor Style Plain Face
Bolt Cir./Stud Dia. 4.50/0.52; 4.75/0.52; 5.00/0.52
Lug I.D. 3.12
Far Side I.D. 8.38
Price Call for OE Pricing
Purchase
Call (805) 388-1188

Ultralite HP 32 Vane Rotor & Hat
Rotor Diameter: 11.00
Rotor Width: 0.81
Rotor Bolt Circle(s): 
Material: Iron
Ultralite HP 32 Vane Rotor & Hat

Ultralite HP 32 Vane Rotor & Hat Drawing Ultralite HP 32 Vane Rotor & Hat Drawing Zoom Image

Ultralite HP 32 Vane Rotor & Hat Description

HP rotors are close tolerance machined with smooth turned pad faces. The additional mass of the HP series extends service life on heavier competition vehicles and other severe duty applications. They are also the base model for every day use.
NOTE & CAUTIONS:
Rear brake rotor for 11.00" Low-Profile disc/drum internal parking brake kits.


Ordering Information for Ultralite HP 32 Vane Rotor & Hat
Item No 160-13953
Info Details
Rotor Style Plain Face
Bolt Cir./Stud Dia. 5.75/0.38
Lug I.D. 5.00
Far Side I.D. 8.38
Price Call for OE Pricing
Purchase
Call (805) 388-1188

Ultralite HP 32 Vane Rotor & Hat
Rotor Diameter: 11.00
Rotor Width: 0.81
Rotor Bolt Circle(s): 
Material: Iron
Ultralite HP 32 Vane Rotor & Hat

Ultralite HP 32 Vane Rotor & Hat Drawing Ultralite HP 32 Vane Rotor & Hat Drawing Zoom Image

Ultralite HP 32 Vane Rotor & Hat Description

HP rotors are close tolerance machined with smooth turned pad faces. The additional mass of the HP series extends service life on heavier competition vehicles and other severe duty applications. They are also the base model for every day use.
NOTE & CAUTIONS:
6-Lug Rear brake rotor for 11.00" Low-Profile disc/drum internal parking brake kits.


Ordering Information for Ultralite HP 32 Vane Rotor & Hat
Item No 160-16620
Info Details
Rotor Style Plain Face
Bolt Cir./Stud Dia. 5.50/0.52
Lug I.D. 3.56
Far Side I.D. 8.38
Price Call for OE Pricing
Purchase
Call (805) 388-1188

Ultralite HP 32 Vane Rotor & Hat
Rotor Diameter: 11.00
Rotor Width: 0.81
Rotor Bolt Circle(s): 
Material: Iron
Ultralite HP 32 Vane Rotor & Hat

Ultralite HP 32 Vane Rotor & Hat Drawing Ultralite HP 32 Vane Rotor & Hat Drawing Zoom Image

Ultralite HP 32 Vane Rotor & Hat Description

HP rotors are close tolerance machined with smooth turned pad faces. The additional mass of the HP series extends service life on heavier competition vehicles and other severe duty applications. They are also the base model for every day use.
NOTE & CAUTIONS:
Rear brake rotor for 11.00" Low-Profile disc/drum internal parking brake kits.


Ordering Information for Ultralite HP 32 Vane Rotor & Hat
Item No 160-11519
Info Details
Rotor Style Plain Face
Bolt Cir./Stud Dia.
Lug I.D. 3.06
Far Side I.D. 8.38
Price Call for OE Pricing
Purchase
Call (805) 388-1188

SRP Drilled Performance Rotor & Hat
Rotor Diameter: 11.00
Rotor Width: 0.81
Rotor Bolt Circle(s): 
Material: Iron
SRP Drilled Performance Rotor & Hat

SRP Drilled Performance Rotor & Hat Drawing SRP Drilled Performance Rotor & Hat Drawing Zoom Image

SRP Drilled Performance Rotor & Hat Description

For custom, show and high performance sport driving, SRP rotors offer the high tech look and improved performance of a directional cross-drill and face slot pattern. In addition to the aesthetic appeal, the venting and cleaning action of the hole and slot pattern helps to reduce pad glaze and minimize irregular pad build-up on the rotor faces. The results are a smoother engagement feel at the pedal and consistent response from the pads. Each rotor is precision machined to less than .001 tolerance for overall flatness, parallelism, and radial run-out on long grain carbon iron castings. The rotors are finished with a black electro coat to provide corrosion resistance.
NOTE & CAUTIONS:
Rear brake rotor for 11.00" Low-Profile disc/drum internal parking brake kits.


Ordering Information for SRP Drilled Performance Rotor & Hat
Item No 160-11376-BK
Info Details
Rotor Style SRP Drilled & Slotted
Bolt Cir./Stud Dia. 4.50/0.52; 4.75/0.52; 5.00/0.52
Lug I.D. 3.06
Far Side I.D. 8.38
Price Call for OE Pricing
Purchase
Call (805) 388-1188
Item No 160-11377-BK
Info Details
Rotor Style SRP Drilled & Slotted
Bolt Cir./Stud Dia. 4.50/0.52; 4.75/0.52; 5.00/0.52
Lug I.D. 3.06
Far Side I.D. 8.38
Price Call for OE Pricing
Purchase
Call (805) 388-1188

Ultralite HP 32 Vane Rotor & Hat
Rotor Diameter: 11.00
Rotor Width: 0.81
Rotor Bolt Circle(s): 
Material: Iron
Ultralite HP 32 Vane Rotor & Hat

Ultralite HP 32 Vane Rotor & Hat Drawing Ultralite HP 32 Vane Rotor & Hat Drawing Zoom Image

Ultralite HP 32 Vane Rotor & Hat Description

HP rotors are close tolerance machined with smooth turned pad faces. The additional mass of the HP series extends service life on heavier competition vehicles and other severe duty applications. They are also the base model for every day use.
NOTE & CAUTIONS:
Rear brake rotor for 11.00" Low-Profile disc/drum internal parking brake kits.


Ordering Information for Ultralite HP 32 Vane Rotor & Hat
Item No 160-11365
Info Details
Rotor Style Plain Face
Bolt Cir./Stud Dia. 4.50/0.52; 4.75/0.52; 5.00/0.52
Lug I.D. 3.06
Far Side I.D. 8.38
Price Call for OE Pricing
Purchase
Call (805) 388-1188

Ultralite HP 32 Vane Rotor & Hat
Rotor Diameter: 11.00
Rotor Width: 0.81
Rotor Bolt Circle(s): 
Material: Iron
Ultralite HP 32 Vane Rotor & Hat

Ultralite HP 32 Vane Rotor & Hat Drawing Ultralite HP 32 Vane Rotor & Hat Drawing Zoom Image

Ultralite HP 32 Vane Rotor & Hat Description

HP rotors are close tolerance machined with smooth turned pad faces. The additional mass of the HP series extends service life on heavier competition vehicles and other severe duty applications. They are also the base model for every day use.
NOTE & CAUTIONS:
Rear brake rotor for 11.00" Low-Profile disc/drum internal parking brake kits.


Ordering Information for Ultralite HP 32 Vane Rotor & Hat
Item No 160-12594
Info Details
Rotor Style Plain Face
Bolt Cir./Stud Dia. 4.50/0.61
Lug I.D. 3.06
Far Side I.D. 8.38
Price Call for OE Pricing
Purchase
Call (805) 388-1188

HP Hub & Rotor
Rotor Diameter: 11.00
Rotor Width: 1.00
Rotor Bolt Circle(s): 
Material: Iron
HP Hub & Rotor

HP Hub & Rotor Drawing HP Hub & Rotor Drawing

HP Hub & Rotor Description

Wilwood’s OEM style hub and rotor assemblies. These rotors were designed utilizing the latest developments in iron formulation technology using our proprietary blend ferrous alloy to bring you the strongest, lightweight, most dependable rotor available in the market place. The rotors are new castings, not reworked parts and our tolerances are held to the high standards you have come to expect from Wilwood Engineering. Designed as a cost effective alternative to our standard three piece hub and rotor assemblies, it also lends further utility to kit designs.
NOTE & CAUTIONS:
64-74 Nova / 67-69 Camaro


Ordering Information for HP Hub & Rotor
Item No 160-17515
Info Details
Rotor Style Plain Face
Bolt Cir./Stud Dia. 4.50/0.50; 4.75/0.50
Lug I.D.
Far Side I.D. 7.00
Price Call for OE Pricing
Purchase
Call (805) 388-1188

HP Hub & Rotor
Rotor Diameter: 11.00
Rotor Width: 1.00
Rotor Bolt Circle(s): 
Material: Iron
HP Hub & Rotor

HP Hub & Rotor Drawing HP Hub & Rotor Drawing Zoom Image

HP Hub & Rotor Description

Wilwood’s OEM style hub and rotor assemblies. These rotors were designed utilizing the latest developments in iron formulation technology using our proprietary blend ferrous alloy to bring you the strongest, lightweight, most dependable rotor available in the market place. The rotors are new castings, not reworked parts and our tolerances are held to the high standards you have come to expect from Wilwood Engineering. Designed as a cost effective alternative to our standard three piece hub and rotor assemblies, it also lends further utility to kit designs.
NOTE & CAUTIONS:



Ordering Information for HP Hub & Rotor
Item No 160-15984
Info Details
Rotor Style Plain Face
Bolt Cir./Stud Dia. 4.75/0.44
Lug I.D.
Far Side I.D. 7.00
Price Call for OE Pricing
Purchase
Call (805) 388-1188

HP Hub & Rotor
Rotor Diameter: 11.03
Rotor Width: 0.88
Rotor Bolt Circle(s): 
Material: Iron
HP Hub & Rotor

HP Hub & Rotor Drawing HP Hub & Rotor Drawing Zoom Image

HP Hub & Rotor Description

Wilwood’s OEM style hub and rotor assemblies. These rotors were designed utilizing the latest developments in iron formulation technology using our proprietary blend ferrous alloy to bring you the strongest, lightweight, most dependable rotor available in the market place. The rotors are new castings, not reworked parts and our tolerances are held to the high standards you have come to expect from Wilwood Engineering. Designed as a cost effective alternative to our standard three piece hub and rotor assemblies, it also lends further utility to kit designs.
NOTE & CAUTIONS:
Wilwood Pro Spindle


Ordering Information for HP Hub & Rotor
Item No 160-14269
Info Details
Rotor Style Plain Face
Bolt Cir./Stud Dia. 4.50/0.50; 4.75/0.50
Lug I.D.
Far Side I.D. 7.13
Price Call for OE Pricing
Purchase
Call (805) 388-1188

HP Vented Rotor & Hat
Rotor Diameter: 11.10
Rotor Width: 0.80
Rotor Bolt Circle(s): 
Material: 
HP Vented Rotor & Hat

HP Vented Rotor & Hat Drawing HP Vented Rotor & Hat Drawing Zoom Image

HP Vented Rotor & Hat Description

HP Vented Rotor and Hats are built for the extreme conditions of motorsports or heavy duty use. The superior heat absorption and dissipation characteristics of these heavy wall multi-vane rotors are the keys to preventing heat fade and realizing long service life from the rotors and pads. All rotors are cast from premium grade, long grain carbon iron for long wear, thermal stability, and resistance to distortion.
NOTE & CAUTIONS:
1969-1983 Porsche 911


Ordering Information for HP Vented Rotor & Hat
Item No 160-16689
Info Details
Rotor Style Plain Face
Bolt Cir./Stud Dia. 4.96/0.34
Lug I.D. 4.21
Far Side I.D. 6.74
Price Call for OE Pricing
Purchase
Call (805) 388-1188

SRP Drilled Performance Rotor & Hat
Rotor Diameter: 11.10
Rotor Width: 0.80
Rotor Bolt Circle(s): 
Material: Iron
SRP Drilled Performance Rotor & Hat

SRP Drilled Performance Rotor & Hat Drawing SRP Drilled Performance Rotor & Hat Drawing Zoom Image

SRP Drilled Performance Rotor & Hat Description

For high performance sport driving, SRP rotors offer the high tech look and improved performance of a directional cross-drill and face slot pattern. In addition to the aesthetic appeal, the venting and cleaning action of the hole and slot pattern helps to reduce pad glaze and minimize irregular pad build-up on the rotor faces. The results are a smoother engagement feel at the pedal and consistent response from the pads. Each rotor is precision machined to less than .001 tolerance for overall flatness, parallelism, and radial run-out on proprietary iron castings. The rotors are finished with a black electro coat to provide corrosion resistance.
NOTE & CAUTIONS:
1969-1983 Porsche 911


Ordering Information for SRP Drilled Performance Rotor & Hat
Item No 160-16693-BK
Info Details
Rotor Style SRP Drilled & Slotted
Bolt Cir./Stud Dia. 4.96/0.34
Lug I.D. 4.21
Far Side I.D. 6.74
Price Call for OE Pricing
Purchase
Call (805) 388-1188
Item No 160-16694-BK
Info Details
Rotor Style SRP Drilled & Slotted
Bolt Cir./Stud Dia. 4.96/0.34
Lug I.D. 4.21
Far Side I.D. 6.74
Price Call for OE Pricing
Purchase
Call (805) 388-1188

HP Vented Rotor & Hat
Rotor Diameter: 11.10
Rotor Width: 0.95
Rotor Bolt Circle(s): 
Material: 
HP Vented Rotor & Hat

HP Vented Rotor & Hat Drawing HP Vented Rotor & Hat Drawing

HP Vented Rotor & Hat Description

HP Vented Rotor and Hats are built for the extreme conditions of motorsports or heavy duty use. The superior heat absorption and dissipation characteristics of these heavy wall multi-vane rotors are the keys to preventing heat fade and realizing long service life from the rotors and pads. All rotors are cast from premium grade, long grain carbon iron for long wear, thermal stability, and resistance to distortion.
NOTE & CAUTIONS:
1984-1989 Porsche 911


Ordering Information for HP Vented Rotor & Hat
Item No 160-16691
Info Details
Rotor Style Plain Face
Bolt Cir./Stud Dia. 4.96/0.34
Lug I.D. 4.21
Far Side I.D. 6.64
Price Call for OE Pricing
Purchase
Call (805) 388-1188

SRP Drilled Performance Rotor & Hat
Rotor Diameter: 11.10
Rotor Width: 0.95
Rotor Bolt Circle(s): 
Material: Iron
SRP Drilled Performance Rotor & Hat

SRP Drilled Performance Rotor & Hat Drawing SRP Drilled Performance Rotor & Hat Drawing Zoom Image

SRP Drilled Performance Rotor & Hat Description

For high performance sport driving, SRP rotors offer the high tech look and improved performance of a directional cross-drill and face slot pattern. In addition to the aesthetic appeal, the venting and cleaning action of the hole and slot pattern helps to reduce pad glaze and minimize irregular pad build-up on the rotor faces. The results are a smoother engagement feel at the pedal and consistent response from the pads. Each rotor is precision machined to less than .001 tolerance for overall flatness, parallelism, and radial run-out on proprietary iron castings. The rotors are finished with a black electro coat to provide corrosion resistance.
NOTE & CAUTIONS:
1984-1989 Porsche 912


Ordering Information for SRP Drilled Performance Rotor & Hat
Item No 160-16697-BK
Info Details
Rotor Style SRP Drilled & Slotted
Bolt Cir./Stud Dia. 4.96/0.34
Lug I.D. 4.21
Far Side I.D. 6.64
Price Call for OE Pricing
Purchase
Call (805) 388-1188
Item No 160-16698-BK
Info Details
Rotor Style SRP Drilled & Slotted
Bolt Cir./Stud Dia. 4.96/0.34
Lug I.D. 4.21
Far Side I.D. 6.64
Price Call for OE Pricing
Purchase
Call (805) 388-1188

HP Hub & Rotor
Rotor Diameter: 11.29
Rotor Width: 0.94
Rotor Bolt Circle(s): 
Material: Iron
HP Hub & Rotor

HP Hub & Rotor Drawing HP Hub & Rotor Drawing Zoom Image

HP Hub & Rotor Description

Wilwood’s OEM style hub and rotor assemblies. These rotors were designed utilizing the latest developments in iron formulation technology using our proprietary blend ferrous alloy to bring you the strongest, lightweight, most dependable rotor available in the market place. The rotors are new castings, not reworked parts and our tolerances are held to the high standards you have come to expect from Wilwood Engineering. Designed as a cost effective alternative to our standard three piece hub and rotor assemblies, it also lends further utility to kit designs.
NOTE & CAUTIONS:
65-69 Mustang


Ordering Information for HP Hub & Rotor
Item No 160-14321
Info Details
Rotor Style Plain Face
Bolt Cir./Stud Dia. 4.50/0.50
Lug I.D.
Far Side I.D. 7.35
Price Call for OE Pricing
Purchase
Call (805) 388-1188

SRP Hub & Rotor
Rotor Diameter: 11.29
Rotor Width: 0.94
Rotor Bolt Circle(s): 
Material: Iron
SRP Hub & Rotor

SRP Hub & Rotor Drawing SRP Hub & Rotor Drawing Zoom Image

SRP Hub & Rotor Description

Wilwood’s OEM style SRP hub and rotor assemblies were designed utilizing the latest developments in iron formulation technology using our proprietary blend ferrous alloy to bring you the strongest, lightweight, most dependable rotor available in the market place. SRP rotors offer the high tech look and improved performance of a directional cross-drill and face slot pattern.The rotors are finished with a black electro coat to provide corrosion resistance.These rotors are new castings, not reworked parts and our tolerances are held to the high standards you have come to expect from Wilwood Engineering. Designed as a cost effective alternative to our standard three piece hub and rotor assemblies, it also lends further utility kit designs.
NOTE & CAUTIONS:
65-69 Mustang


Ordering Information for SRP Hub & Rotor
Item No 160-14323-BK
Info Details
Rotor Style SRP Drilled & Slotted
Bolt Cir./Stud Dia. 4.50/0.50
Lug I.D.
Far Side I.D. 7.35
Price Call for OE Pricing
Purchase
Call (805) 388-1188
Item No 160-14324-BK
Info Details
Rotor Style SRP Drilled & Slotted
Bolt Cir./Stud Dia. 4.50/0.50
Lug I.D.
Far Side I.D. 7.35
Price Call for OE Pricing
Purchase
Call (805) 388-1188

HP Hub & Rotor
Rotor Diameter: 11.29
Rotor Width: 0.94
Rotor Bolt Circle(s): 
Material: Iron
HP Hub & Rotor

HP Hub & Rotor Drawing HP Hub & Rotor Drawing Zoom Image

HP Hub & Rotor Description

Wilwood’s OEM style hub and rotor assemblies. These rotors were designed utilizing the latest developments in iron formulation technology using our proprietary blend ferrous alloy to bring you the strongest, lightweight, most dependable rotor available in the market place. The rotors are new castings, not reworked parts and our tolerances are held to the high standards you have come to expect from Wilwood Engineering. Designed as a cost effective alternative to our standard three piece hub and rotor assemblies, it also lends further utility to kit designs.
NOTE & CAUTIONS:
70-73 Mustang


Ordering Information for HP Hub & Rotor
Item No 160-14322
Info Details
Rotor Style Plain Face
Bolt Cir./Stud Dia. 4.50/0.50
Lug I.D.
Far Side I.D. 7.35
Price Call for OE Pricing
Purchase
Call (805) 388-1188

SRP Hub & Rotor
Rotor Diameter: 11.29
Rotor Width: 0.94
Rotor Bolt Circle(s): 
Material: Iron
SRP Hub & Rotor

SRP Hub & Rotor Drawing SRP Hub & Rotor Drawing Zoom Image

SRP Hub & Rotor Description

Wilwood’s OEM style SRP hub and rotor assemblies were designed utilizing the latest developments in iron formulation technology using our proprietary blend ferrous alloy to bring you the strongest, lightweight, most dependable rotor available in the market place. SRP rotors offer the high tech look and improved performance of a directional cross-drill and face slot pattern.The rotors are finished with a black electro coat to provide corrosion resistance.These rotors are new castings, not reworked parts and our tolerances are held to the high standards you have come to expect from Wilwood Engineering. Designed as a cost effective alternative to our standard three piece hub and rotor assemblies, it also lends further utility kit designs.
NOTE & CAUTIONS:
70-73 Mustang


Ordering Information for SRP Hub & Rotor
Item No 160-14325-BK
Info Details
Rotor Style SRP Drilled & Slotted
Bolt Cir./Stud Dia. 4.50/0.50
Lug I.D.
Far Side I.D. 7.35
Price Call for OE Pricing
Purchase
Call (805) 388-1188
Item No 160-14326-BK
Info Details
Rotor Style SRP Drilled & Slotted
Bolt Cir./Stud Dia. 4.50/0.50
Lug I.D.
Far Side I.D. 7.35
Price Call for OE Pricing
Purchase
Call (805) 388-1188

HP Vented Rotor & Hat
Rotor Diameter: 11.42
Rotor Width: 0.80
Rotor Bolt Circle(s): 
Material: Iron
HP Vented Rotor & Hat

HP Vented Rotor & Hat Drawing HP Vented Rotor & Hat Drawing

HP Vented Rotor & Hat Description

HP Vented Rotor and Hats are built for the extreme conditions of motorsports or heavy duty use. The superior heat absorption and dissipation characteristics of these heavy wall multi-vane rotors are the keys to preventing heat fade and realizing long service life from the rotors and pads. All rotors are cast from premium grade, long grain carbon iron for long wear, thermal stability, and resistance to distortion.
NOTE & CAUTIONS:
1969-1983 Porsche 911 Rear


Ordering Information for HP Vented Rotor & Hat
Item No 160-16690
Info Details
Rotor Style Plain Face
Bolt Cir./Stud Dia. 5.12/0.61
Lug I.D. 3.54
Far Side I.D. 7.78
Price Call for OE Pricing
Purchase
Call (805) 388-1188

GT Vented Rotor & Hat
Rotor Diameter: 11.42
Rotor Width: 0.80
Rotor Bolt Circle(s): 
Material: Iron
GT Vented Rotor & Hat

GT Vented Rotor & Hat Drawing GT Vented Rotor & Hat Drawing Zoom Image

GT Vented Rotor & Hat Description

GT Vented Rotor and Hats are built for the extreme conditions of motorsports or heavy duty use. The superior heat absorption and dissipation characteristics of these heavy wall multi-vane rotors are the keys to preventing heat fade and realizing long service life from the rotors and pads. All rotors are cast from premium grade, long grain carbon iron for long wear, thermal stability, and resistance to distortion.
NOTE & CAUTIONS:
1969-1983 Porsche 911 Rear


Ordering Information for GT Vented Rotor & Hat
Item No 160-16991
Info Details
Rotor Style GT Slotted
Bolt Cir./Stud Dia. 5.12/0.61
Lug I.D. 3.54
Far Side I.D. 7.78
Price Call for OE Pricing
Purchase
Call (805) 388-1188

SRP Drilled Performance Rotor & Hat
Rotor Diameter: 11.42
Rotor Width: 0.80
Rotor Bolt Circle(s): 
Material: Iron
SRP Drilled Performance Rotor & Hat

SRP Drilled Performance Rotor & Hat Drawing SRP Drilled Performance Rotor & Hat Drawing Zoom Image

SRP Drilled Performance Rotor & Hat Description

For custom, show and high performance sport driving, SRP rotors offer the high tech look and improved performance of a directional cross-drill and face slot pattern. In addition to the aesthetic appeal, the venting and cleaning action of the hole and slot pattern helps to reduce pad glaze and minimize irregular pad build-up on the rotor faces. The results are a smoother engagement feel at the pedal and consistent response from the pads. Each rotor is precision machined to less than .001 tolerance for overall flatness, parallelism, and radial run-out on long grain carbon iron castings. The rotors are finished with a black electro coat to provide corrosion resistance.
NOTE & CAUTIONS:
1969-1983 Porsche 911 Rear


Ordering Information for SRP Drilled Performance Rotor & Hat
Item No 160-16695-BK
Info Details
Rotor Style SRP Drilled & Slotted
Bolt Cir./Stud Dia. 5.12/0.61
Lug I.D. 3.54
Far Side I.D. 7.78
Price Call for OE Pricing
Purchase
Call (805) 388-1188
Item No 160-16696-BK
Info Details
Rotor Style SRP Drilled & Slotted
Bolt Cir./Stud Dia. 5.12/0.61
Lug I.D. 3.54
Far Side I.D. 7.78
Price Call for OE Pricing
Purchase
Call (805) 388-1188

GT Vented Rotor & Hat
Rotor Diameter: 11.42
Rotor Width: 0.95
Rotor Bolt Circle(s): 
Material: Iron
GT Vented Rotor & Hat

GT Vented Rotor & Hat Drawing GT Vented Rotor & Hat Drawing Zoom Image

GT Vented Rotor & Hat Description

GT Vented Rotor and Hats are built for the extreme conditions of motorsports or heavy duty use. The superior heat absorption and dissipation characteristics of these heavy wall multi-vane rotors are the keys to preventing heat fade and realizing long service life from the rotors and pads. All rotors are cast from premium grade, long grain carbon iron for long wear, thermal stability, and resistance to distortion.
NOTE & CAUTIONS:
1984-1989 Porsche 911 Rear


Ordering Information for GT Vented Rotor & Hat
Item No 160-16992
Info Details
Rotor Style GT Slotted
Bolt Cir./Stud Dia. 5.12/0.61
Lug I.D. 3.54
Far Side I.D. 7.80
Price Call for OE Pricing
Purchase
Call (805) 388-1188

HP Vented Rotor & Hat
Rotor Diameter: 11.42
Rotor Width: 0.95
Rotor Bolt Circle(s): 
Material: Iron
HP Vented Rotor & Hat

HP Vented Rotor & Hat Drawing HP Vented Rotor & Hat Drawing

HP Vented Rotor & Hat Description

HP Vented Rotor and Hats are built for the extreme conditions of motorsports or heavy duty use. The superior heat absorption and dissipation characteristics of these heavy wall multi-vane rotors are the keys to preventing heat fade and realizing long service life from the rotors and pads. All rotors are cast from premium grade, long grain carbon iron for long wear, thermal stability, and resistance to distortion.
NOTE & CAUTIONS:
1984-1989 Porsche 911 Rear


Ordering Information for HP Vented Rotor & Hat
Item No 160-16692
Info Details
Rotor Style Plain Face
Bolt Cir./Stud Dia. 5.12/0.61
Lug I.D. 3.54
Far Side I.D. 7.80
Price Call for OE Pricing
Purchase
Call (805) 388-1188

SRP Drilled Performance Rotor & Hat
Rotor Diameter: 11.42
Rotor Width: 0.95
Rotor Bolt Circle(s): 
Material: Iron
SRP Drilled Performance Rotor & Hat

SRP Drilled Performance Rotor & Hat Drawing SRP Drilled Performance Rotor & Hat Drawing Zoom Image

SRP Drilled Performance Rotor & Hat Description

For custom, show and high performance sport driving, SRP rotors offer the high tech look and improved performance of a directional cross-drill and face slot pattern. In addition to the aesthetic appeal, the venting and cleaning action of the hole and slot pattern helps to reduce pad glaze and minimize irregular pad build-up on the rotor faces. The results are a smoother engagement feel at the pedal and consistent response from the pads. Each rotor is precision machined to less than .001 tolerance for overall flatness, parallelism, and radial run-out on long grain carbon iron castings. The rotors are finished with a black electro coat to provide corrosion resistance.
NOTE & CAUTIONS:
1984-1989 Porsche 911 Rear


Ordering Information for SRP Drilled Performance Rotor & Hat
Item No 160-16699-BK
Info Details
Rotor Style SRP Drilled & Slotted
Bolt Cir./Stud Dia. 5.12/0.61
Lug I.D. 3.54
Far Side I.D. 7.80
Price Call for OE Pricing
Purchase
Call (805) 388-1188
Item No 160-16700-BK
Info Details
Rotor Style SRP Drilled & Slotted
Bolt Cir./Stud Dia. 5.12/0.61
Lug I.D. 3.54
Far Side I.D. 7.80
Price Call for OE Pricing
Purchase
Call (805) 388-1188

HP Hub & Rotor
Rotor Diameter: 11.50
Rotor Width: 1.00
Rotor Bolt Circle(s): 
Material: Iron
HP Hub & Rotor

HP Hub & Rotor Drawing HP Hub & Rotor Drawing Zoom Image

HP Hub & Rotor Description

Wilwood’s OEM style hub and rotor assemblies. These rotors were designed utilizing the latest developments in iron formulation technology using our proprietary blend ferrous alloy to bring you the strongest, lightweight, most dependable rotor available in the market place. The rotors are new castings, not reworked parts and our tolerances are held to the high standards you have come to expect from Wilwood Engineering. Designed as a cost effective alternative to our standard three piece hub and rotor assemblies, it also lends further utility to kit designs.
NOTE & CAUTIONS:
55-57 Chevy CPP Drop Spindle


Ordering Information for HP Hub & Rotor
Item No 160-14653
Info Details
Rotor Style Plain Face
Bolt Cir./Stud Dia. 4.50/0.50; 4.75/0.50
Lug I.D.
Far Side I.D. 7.00
Price Call for OE Pricing
Purchase
Call (805) 388-1188
Item No 160-15319
Info Details
Rotor Style Plain Face
Bolt Cir./Stud Dia. 4.50/0.50; 4.75/0.50
Lug I.D.
Far Side I.D. 7.00
Price Call for OE Pricing
Purchase
Call (805) 388-1188

HP Hub & Rotor
Rotor Diameter: 11.72
Rotor Width: 1.19
Rotor Bolt Circle(s): 
Material: Iron
HP Hub & Rotor

HP Hub & Rotor Drawing HP Hub & Rotor Drawing Zoom Image

HP Hub & Rotor Description

Wilwood’s OEM style hub and rotor assemblies. These rotors were designed utilizing the latest developments in iron formulation technology using our proprietary blend ferrous alloy to bring you the strongest, lightweight, most dependable rotor available in the market place. The rotors are new castings, not reworked parts and our tolerances are held to the high standards you have come to expect from Wilwood Engineering. Designed as a cost effective alternative to our standard three piece hub and rotor assemblies, it also lends further utility to kit designs.
NOTE & CAUTIONS:
48-56 Ford F-100


Ordering Information for HP Hub & Rotor
Item No 160-14187
Info Details
Rotor Style Plain Face
Bolt Cir./Stud Dia. 5.50/0.50
Lug I.D.
Far Side I.D. 6.65
Price Call for OE Pricing
Purchase
Call (805) 388-1188

HP Hub & Rotor
Rotor Diameter: 11.86
Rotor Width: 1.10
Rotor Bolt Circle(s): 
Material: Iron
HP Hub & Rotor

HP Hub & Rotor Drawing HP Hub & Rotor Drawing Zoom Image

HP Hub & Rotor Description

Wilwood’s OEM style hub and rotor assemblies. These rotors were designed utilizing the latest developments in iron formulation technology using our proprietary blend ferrous alloy to bring you the strongest, lightweight, most dependable rotor available in the market place. The rotors are new castings, not reworked parts and our tolerances are held to the high standards you have come to expect from Wilwood Engineering. Designed as a cost effective alternative to our standard three piece hub and rotor assemblies, it also lends further utility to kit designs.
NOTE & CAUTIONS:
51-59 Chevy 1/2 ton


Ordering Information for HP Hub & Rotor
Item No 160-14950
Info Details
Rotor Style Plain Face
Bolt Cir./Stud Dia. 4.75/0.50; 5.00/0.50
Lug I.D.
Far Side I.D. 8.03
Price Call for OE Pricing
Purchase
Call (805) 388-1188

HP Hub & Rotor
Rotor Diameter: 11.86
Rotor Width: 1.25
Rotor Bolt Circle(s): 
Material: Iron
HP Hub & Rotor

HP Hub & Rotor Drawing HP Hub & Rotor Drawing Zoom Image

HP Hub & Rotor Description

Wilwood’s OEM style hub and rotor assemblies were designed utilizing the latest developments in iron formulation technology using our proprietary blend ferrous alloy to bring you the strongest, lightweight, most dependable rotor available in the market place. The rotors are new castings, not reworked parts and our tolerances are held to the high standards you have come to expect from Wilwood Engineering. Many have unique features like multiple bolt circles and screw in studs. Designed as a cost effective alternative to our standard three piece hub and rotor assemblies, which also lends further utility to kit designs.
NOTE & CAUTIONS:
60-70 Chevrolet C10 Pickups


Ordering Information for HP Hub & Rotor
Item No 160-14379
Info Details
Rotor Style Plain Face
Bolt Cir./Stud Dia. 4.75/0.50; 5.00/0.50
Lug I.D.
Far Side I.D. 8.04
Price Call for OE Pricing
Purchase
Call (805) 388-1188

HP Hub & Rotor
Rotor Diameter: 11.88
Rotor Width: 1.29
Rotor Bolt Circle(s): 
Material: Iron
HP Hub & Rotor

HP Hub & Rotor Drawing HP Hub & Rotor Drawing Zoom Image

HP Hub & Rotor Description

Wilwood’s OEM style hub and rotor assemblies. These rotors were designed utilizing the latest developments in iron formulation technology using our proprietary blend ferrous alloy to bring you the strongest, lightweight, most dependable rotor available in the market place. The rotors are new castings, not reworked parts and our tolerances are held to the high standards you have come to expect from Wilwood Engineering. Designed as a cost effective alternative to our standard three piece hub and rotor assemblies, it also lends further utility to kit designs.
NOTE & CAUTIONS:
GM/Buick/Cadillac (Early)


Ordering Information for HP Hub & Rotor
Item No 160-12320
Info Details
Rotor Style Plain Face
Bolt Cir./Stud Dia. 5.00/0.50
Lug I.D.
Far Side I.D. 7.83
Price Call for OE Pricing
Purchase
Call (805) 388-1188

HP Hub & Rotor
Rotor Diameter: 11.75
Rotor Width: 1.10
Rotor Bolt Circle(s): 
Material: Iron
HP Hub & Rotor

HP Hub & Rotor Drawing HP Hub & Rotor Drawing Zoom Image

HP Hub & Rotor Description

Wilwood’s OEM style hub and rotor assemblies were designed utilizing the latest developments in iron formulation technology using our proprietary blend ferrous alloy to bring you the strongest, lightweight, most dependable rotor available in the market place. The rotors are new castings, not reworked parts and our tolerances are held to the high standards you have come to expect from Wilwood Engineering. Many have unique features like multiple bolt circles and screw in studs. Designed as a cost effective alternative to our standard three piece hub and rotor assemblies, which also lends further utility to kit designs.
NOTE & CAUTIONS:
Ford F100 57-67 w/ 1/2-20 threaded stud holes


Ordering Information for HP Hub & Rotor
Item No 160-14555
Info Details
Rotor Style Plain Face
Bolt Cir./Stud Dia. 4.75/0.50; 5.00/0.50
Lug I.D.
Far Side I.D. 8.16
Price Call for OE Pricing
Purchase
Call (805) 388-1188
Item No 160-14556
Info Details
Rotor Style Plain Face
Bolt Cir./Stud Dia. 4.75/0.50; 5.00/0.50
Lug I.D.
Far Side I.D. 8.16
Price Call for OE Pricing
Purchase
Call (805) 388-1188

Ultralite HP 53 Vane Rotor & Hat
Rotor Diameter: 12.00
Rotor Width: 0.95
Rotor Bolt Circle(s): 6 x 4.33
Material: Iron
Ultralite HP 53 Vane Rotor & Hat

Ultralite HP 53 Vane Rotor & Hat Drawing Ultralite HP 53 Vane Rotor & Hat Drawing Zoom Image

Ultralite HP 53 Vane Rotor & Hat Description

HP rotors are close tolerance machined with smooth turned pad faces. The additional mass of the HP series extends service life on heavier competition vehicles and other severe duty applications. They are also the base model for every day use.
NOTE & CAUTIONS:



Ordering Information for Ultralite HP 53 Vane Rotor & Hat
Item No 160-9535
Info Details
Rotor Style Plain Face
Bolt Cir./Stud Dia.
Lug I.D. 2.96
Far Side I.D. 6.99
Price Call for OE Pricing
Purchase
Call (805) 388-1188

SRP Drilled Performance Rotor & Hat
Rotor Diameter: 12.01
Rotor Width: 1.03
Rotor Bolt Circle(s): 
Material: Iron
SRP Drilled Performance Rotor & Hat

SRP Drilled Performance Rotor & Hat Drawing SRP Drilled Performance Rotor & Hat Drawing Zoom Image

SRP Drilled Performance Rotor & Hat Description

For custom, show and high performance sport driving, SRP Dimpled rotors offer the high tech look and improved performance of a directional cross-drill and face slot pattern. In addition to the aesthetic appeal, the venting and cleaning action of the dimple and slot pattern helps to reduce pad glaze and minimize irregular pad build-up on the rotor faces. The results are a smoother engagement feel at the pedal and consistent response from the pads. Each rotor is precision machined to less than .001 tolerance for overall flatness, parallelism, and radial run-out on long grain carbon iron castings. The rotors are finished with a black electro coat to provide corrosion resistance.
NOTE & CAUTIONS:
OE Style Replacement Rear rotor


Ordering Information for SRP Drilled Performance Rotor & Hat
Item No 160-14040-BK
Info Details
Rotor Style SRP Dimpled & Slotted
Bolt Cir./Stud Dia. 4.75/0.52
Lug I.D. 2.78
Far Side I.D. 8.80
Price Call for OE Pricing
Purchase
Call (805) 388-1188
Item No 160-14041-BK
Info Details
Rotor Style SRP Dimpled & Slotted
Bolt Cir./Stud Dia. 4.75/0.52
Lug I.D. 2.78
Far Side I.D. 8.80
Price Call for OE Pricing
Purchase
Call (805) 388-1188

SRP Drilled Performance Rotor & Hat
Rotor Diameter: 12.19
Rotor Width: 0.81
Rotor Bolt Circle(s): 
Material: Iron
SRP Drilled Performance Rotor & Hat

SRP Drilled Performance Rotor & Hat Drawing SRP Drilled Performance Rotor & Hat Drawing Zoom Image

SRP Drilled Performance Rotor & Hat Description

For custom, show and high performance sport driving, SRP rotors offer the high tech look and improved performance of a directional cross-drill and face slot pattern. In addition to the aesthetic appeal, the venting and cleaning action of the hole and slot pattern helps to reduce pad glaze and minimize irregular pad build-up on the rotor faces. The results are a smoother engagement feel at the pedal and consistent response from the pads. Each rotor is precision machined to less than .001 tolerance for overall flatness, parallelism, and radial run-out on long grain carbon iron castings. The rotors are finished with a black electro coat to provide corrosion resistance.
NOTE & CAUTIONS:
Rear brake rotor for disc/drum internal parking brake kits.


Ordering Information for SRP Drilled Performance Rotor & Hat
Item No 160-9812-BK
Info Details
Rotor Style SRP Drilled & Slotted
Bolt Cir./Stud Dia. 4.50/0.52; 4.75/0.52; 5.00/0.52
Lug I.D. 3.06
Far Side I.D. 8.38
Price Call for OE Pricing
Purchase
Call (805) 388-1188
Item No 160-9813-BK
Info Details
Rotor Style SRP Drilled & Slotted
Bolt Cir./Stud Dia. 4.50/0.52; 4.75/0.52; 5.00/0.52
Lug I.D. 3.06
Far Side I.D. 8.38
Price Call for OE Pricing
Purchase
Call (805) 388-1188
Item No 160-9989-BK
Info Details
Rotor Style SRP Drilled & Slotted
Bolt Cir./Stud Dia. 4.50/0.52; 4.75/0.52; 5.00/0.52
Lug I.D. 3.12
Far Side I.D. 8.38
Price Call for OE Pricing
Purchase
Call (805) 388-1188
Item No 160-9990-BK
Info Details
Rotor Style SRP Drilled & Slotted
Bolt Cir./Stud Dia. 4.50/0.52; 4.75/0.52; 5.00/0.52
Lug I.D. 3.12
Far Side I.D. 8.38
Price Call for OE Pricing
Purchase
Call (805) 388-1188

SRP Drilled Performance Rotor & Hat
Rotor Diameter: 12.19
Rotor Width: 0.81
Rotor Bolt Circle(s): 
Material: Iron
SRP Drilled Performance Rotor & Hat

SRP Drilled Performance Rotor & Hat Drawing SRP Drilled Performance Rotor & Hat Drawing Zoom Image

SRP Drilled Performance Rotor & Hat Description

For custom, show and high performance sport driving, SRP rotors offer the high tech look and improved performance of a directional cross-drill and face slot pattern. In addition to the aesthetic appeal, the venting and cleaning action of the hole and slot pattern helps to reduce pad glaze and minimize irregular pad build-up on the rotor faces. The results are a smoother engagement feel at the pedal and consistent response from the pads. Each rotor is precision machined to less than .001 tolerance for overall flatness, parallelism, and radial run-out on long grain carbon iron castings. The rotors are finished with a black electro coat to provide corrosion resistance.
NOTE & CAUTIONS:
Rear brake rotor for Strange style floating hub rear ends.


Ordering Information for SRP Drilled Performance Rotor & Hat
Item No 160-12890-BK
Info Details
Rotor Style SRP Drilled & Slotted
Bolt Cir./Stud Dia. 5.75/0.38
Lug I.D. 5.00
Far Side I.D. 8.38
Price Call for OE Pricing
Purchase
Call (805) 388-1188
Item No 160-12891-BK
Info Details
Rotor Style SRP Drilled & Slotted
Bolt Cir./Stud Dia. 5.75/0.38
Lug I.D. 5.00
Far Side I.D. 8.38
Price Call for OE Pricing
Purchase
Call (805) 388-1188

SRP Drilled Performance Rotor & Hat
Rotor Diameter: 12.19
Rotor Width: 0.81
Rotor Bolt Circle(s): 
Material: Iron
SRP Drilled Performance Rotor & Hat

SRP Drilled Performance Rotor & Hat Drawing SRP Drilled Performance Rotor & Hat Drawing Zoom Image

SRP Drilled Performance Rotor & Hat Description

For custom, show and high performance sport driving, SRP rotors offer the high tech look and improved performance of a directional cross-drill and face slot pattern. In addition to the aesthetic appeal, the venting and cleaning action of the hole and slot pattern helps to reduce pad glaze and minimize irregular pad build-up on the rotor faces. The results are a smoother engagement feel at the pedal and consistent response from the pads. Each rotor is precision machined to less than .001 tolerance for overall flatness, parallelism, and radial run-out on long grain carbon iron castings. The rotors are finished with a black electro coat to provide corrosion resistance.
NOTE & CAUTIONS:
6-lug Rear brake rotor for disc/drum internal parking brake kits.


Ordering Information for SRP Drilled Performance Rotor & Hat
Item No 160-16624-BK
Info Details
Rotor Style SRP Drilled & Slotted
Bolt Cir./Stud Dia. 5.50/0.52
Lug I.D. 3.56
Far Side I.D. 8.38
Price Call for OE Pricing
Purchase
Call (805) 388-1188
Item No 160-16625-BK
Info Details
Rotor Style SRP Drilled & Slotted
Bolt Cir./Stud Dia. 5.50/0.52
Lug I.D. 3.56
Far Side I.D. 8.38
Price Call for OE Pricing
Purchase
Call (805) 388-1188

SRP Drilled Performance Rotor & Hat
Rotor Diameter: 12.19
Rotor Width: 0.81
Rotor Bolt Circle(s): 
Material: Iron
SRP Drilled Performance Rotor & Hat

SRP Drilled Performance Rotor & Hat Drawing SRP Drilled Performance Rotor & Hat Drawing Zoom Image

SRP Drilled Performance Rotor & Hat Description

For custom, show and high performance sport driving, SRP rotors offer the high tech look and improved performance of a directional cross-drill and face slot pattern. In addition to the aesthetic appeal, the venting and cleaning action of the hole and slot pattern helps to reduce pad glaze and minimize irregular pad build-up on the rotor faces. The results are a smoother engagement feel at the pedal and consistent response from the pads. Each rotor is precision machined to less than .001 tolerance for overall flatness, parallelism, and radial run-out on long grain carbon iron castings. The rotors are finished with a black electro coat to provide corrosion resistance.
NOTE & CAUTIONS:
Rear brake rotor for disc/drum internal parking brake kits.


Ordering Information for SRP Drilled Performance Rotor & Hat
Item No 160-6972-BK
Info Details
Rotor Style SRP Drilled & Slotted
Bolt Cir./Stud Dia.
Lug I.D. 3.06
Far Side I.D. 8.38
Price Call for OE Pricing
Purchase
Call (805) 388-1188
Item No 160-6973-BK
Info Details
Rotor Style SRP Drilled & Slotted
Bolt Cir./Stud Dia.
Lug I.D. 3.06
Far Side I.D. 8.38
Price Call for OE Pricing
Purchase
Call (805) 388-1188

SRP Drilled Performance Rotor & Hat
Rotor Diameter: 12.19
Rotor Width: 0.81
Rotor Bolt Circle(s): 
Material: Iron
SRP Drilled Performance Rotor & Hat

SRP Drilled Performance Rotor & Hat Drawing SRP Drilled Performance Rotor & Hat Drawing Zoom Image

SRP Drilled Performance Rotor & Hat Description

For custom, show and high performance sport driving, SRP rotors offer the high tech look and improved performance of a directional cross-drill and face slot pattern. In addition to the aesthetic appeal, the venting and cleaning action of the hole and slot pattern helps to reduce pad glaze and minimize irregular pad build-up on the rotor faces. The results are a smoother engagement feel at the pedal and consistent response from the pads. Each rotor is precision machined to less than .001 tolerance for overall flatness, parallelism, and radial run-out on long grain carbon iron castings. The rotors are finished with a black electro coat to provide corrosion resistance.
NOTE & CAUTIONS:
Rear brake rotor for disc/drum internal parking brake kits.


Ordering Information for SRP Drilled Performance Rotor & Hat
Item No 160-13336-BK
Info Details
Rotor Style SRP Drilled & Slotted
Bolt Cir./Stud Dia. 4.50/0.56; 5.50/0.64
Lug I.D. 3.06
Far Side I.D. 8.38
Price Call for OE Pricing
Purchase
Call (805) 388-1188
Item No 160-13337-BK
Info Details
Rotor Style SRP Drilled & Slotted
Bolt Cir./Stud Dia. 4.50/0.56; 5.50/0.64
Lug I.D. 3.06
Far Side I.D. 8.38
Price Call for OE Pricing
Purchase
Call (805) 388-1188

Ultralite HP 32 Vane Rotor & Hat
Rotor Diameter: 12.19
Rotor Width: 0.81
Rotor Bolt Circle(s): 
Material: Iron
Ultralite HP 32 Vane Rotor & Hat

Ultralite HP 32 Vane Rotor & Hat Drawing Ultralite HP 32 Vane Rotor & Hat Drawing Zoom Image

Ultralite HP 32 Vane Rotor & Hat Description

HP rotors are close tolerance machined with smooth turned pad faces. The additional mass of the HP series extends service life on heavier competition vehicles and other severe duty applications. They are also the base model for every day use.
NOTE & CAUTIONS:
Rear brake rotor for disc/drum internal parking brake kits.


Ordering Information for Ultralite HP 32 Vane Rotor & Hat
Item No 160-7508
Info Details
Rotor Style Plain Face
Bolt Cir./Stud Dia. 4.50/0.52; 4.75/0.52; 5.00/0.52
Lug I.D. 3.06
Far Side I.D. 8.38
Price Call for OE Pricing
Purchase
Call (805) 388-1188
Item No 160-9987
Info Details
Rotor Style Plain Face
Bolt Cir./Stud Dia. 4.50/0.52; 4.75/0.52; 5.00/0.52
Lug I.D. 3.12
Far Side I.D. 8.38
Price Call for OE Pricing
Purchase
Call (805) 388-1188

Ultralite HP 32 Vane Rotor & Hat
Rotor Diameter: 12.19
Rotor Width: 0.81
Rotor Bolt Circle(s): 
Material: Iron
Ultralite HP 32 Vane Rotor & Hat

Ultralite HP 32 Vane Rotor & Hat Drawing Ultralite HP 32 Vane Rotor & Hat Drawing Zoom Image

Ultralite HP 32 Vane Rotor & Hat Description

HP rotors are close tolerance machined with smooth turned pad faces. The additional mass of the HP series extends service life on heavier competition vehicles and other severe duty applications. They are also the base model for every day use.
NOTE & CAUTIONS:
Rear brake rotor for Strange style floating hub rear ends.


Ordering Information for Ultralite HP 32 Vane Rotor & Hat
Item No 160-12421
Info Details
Rotor Style Plain Face
Bolt Cir./Stud Dia. 5.75/0.38
Lug I.D. 5.00
Far Side I.D. 8.38
Price Call for OE Pricing
Purchase
Call (805) 388-1188

Ultralite HP 32 Vane Rotor & Hat
Rotor Diameter: 12.19
Rotor Width: 0.81
Rotor Bolt Circle(s): 
Material: Iron
Ultralite HP 32 Vane Rotor & Hat

Ultralite HP 32 Vane Rotor & Hat Drawing Ultralite HP 32 Vane Rotor & Hat Drawing Zoom Image

Ultralite HP 32 Vane Rotor & Hat Description

HP rotors are close tolerance machined with smooth turned pad faces. The additional mass of the HP series extends service life on heavier competition vehicles and other severe duty applications. They are also the base model for every day use.
NOTE & CAUTIONS:
6-lug Rear brake rotor for disc/drum internal parking brake kits.


Ordering Information for Ultralite HP 32 Vane Rotor & Hat
Item No 160-16623
Info Details
Rotor Style Plain Face
Bolt Cir./Stud Dia. 5.50/0.52
Lug I.D. 3.56
Far Side I.D. 8.38
Price Call for OE Pricing
Purchase
Call (805) 388-1188

Ultralite HP 32 Vane Rotor & Hat
Rotor Diameter: 12.19
Rotor Width: 0.81
Rotor Bolt Circle(s): 
Material: Iron
Ultralite HP 32 Vane Rotor & Hat

Ultralite HP 32 Vane Rotor & Hat Drawing Ultralite HP 32 Vane Rotor & Hat Drawing Zoom Image

Ultralite HP 32 Vane Rotor & Hat Description

HP rotors are close tolerance machined with smooth turned pad faces. The additional mass of the HP series extends service life on heavier competition vehicles and other severe duty applications. They are also the base model for every day use.
NOTE & CAUTIONS:
Rear brake rotor for disc/drum internal parking brake kits.


Ordering Information for Ultralite HP 32 Vane Rotor & Hat
Item No 160-6868
Info Details
Rotor Style Plain Face
Bolt Cir./Stud Dia.
Lug I.D. 3.06
Far Side I.D. 8.38
Price Call for OE Pricing
Purchase
Call (805) 388-1188

Ultralite HP 32 Vane Rotor & Hat
Rotor Diameter: 12.19
Rotor Width: 0.81
Rotor Bolt Circle(s): 
Material: Iron
Ultralite HP 32 Vane Rotor & Hat

Ultralite HP 32 Vane Rotor & Hat Drawing Ultralite HP 32 Vane Rotor & Hat Drawing Zoom Image

Ultralite HP 32 Vane Rotor & Hat Description

HP rotors are close tolerance machined with smooth turned pad faces. The additional mass of the HP series extends service life on heavier competition vehicles and other severe duty applications. They are also the base model for every day use.
NOTE & CAUTIONS:
Rear brake rotor for disc/drum internal parking brake kits.


Ordering Information for Ultralite HP 32 Vane Rotor & Hat
Item No 160-13327
Info Details
Rotor Style Plain Face
Bolt Cir./Stud Dia. 5.50/0.64
Lug I.D. 3.06
Far Side I.D. 8.38
Price Call for OE Pricing
Purchase
Call (805) 388-1188

Ultralite HPS 32 Vane Rotor & Hat
Rotor Diameter: 12.19
Rotor Width: 0.81
Rotor Bolt Circle(s): 
Material: Iron
Ultralite HPS 32 Vane Rotor & Hat

Ultralite HPS 32 Vane Rotor & Hat Drawing Ultralite HPS 32 Vane Rotor & Hat Drawing Zoom Image

Ultralite HPS 32 Vane Rotor & Hat Description

HPS rotors are close tolerance machined with turned grooved pad faces. The additional mass of the HP series extends service life on heavier competition vehicles and other severe duty applications. They are also the base model for every day use.
NOTE & CAUTIONS:
Rear brake rotor for disc/drum internal parking brake kits.


Ordering Information for Ultralite HPS 32 Vane Rotor & Hat
Item No 160-12150-GTB
Info *New* Details
Rotor Style GT Slotted
Bolt Cir./Stud Dia. 4.50/0.56; 4.75/0.52; 5.00/0.52
Lug I.D. 3.06
Far Side I.D. 8.38
Price Call for OE Pricing
Purchase
Call (805) 388-1188

GT Vented Rotor & Hat
Rotor Diameter: 12.19
Rotor Width: 0.81
Rotor Bolt Circle(s): 
Material: Iron
GT Vented Rotor & Hat

GT Vented Rotor & Hat Drawing GT Vented Rotor & Hat Drawing Zoom Image

GT Vented Rotor & Hat Description

GT Vented Rotor and Hats are built for the extreme conditions of motorsports or heavy duty use. The superior heat absorption and dissipation characteristics of these heavy wall multi-vane rotors are the keys to preventing heat fade and realizing long service life from the rotors and pads. All rotors are cast from premium grade, long grain carbon iron for long wear, thermal stability, and resistance to distortion.
NOTE & CAUTIONS:
Rear brake rotor for disc/drum internal parking brake kits.


Ordering Information for GT Vented Rotor & Hat
Item No 160-8743-GTB
Info Details
Rotor Style GT Slotted
Bolt Cir./Stud Dia. 4.75/0.52
Lug I.D. 2.76
Far Side I.D. 6.70
Price Call for OE Pricing
Purchase
Call (805) 388-1188

SRP Drilled Performance Rotor & Hat
Rotor Diameter: 12.19
Rotor Width: 0.81
Rotor Bolt Circle(s): 
Material: Iron
SRP Drilled Performance Rotor & Hat

SRP Drilled Performance Rotor & Hat Drawing SRP Drilled Performance Rotor & Hat Drawing Zoom Image

SRP Drilled Performance Rotor & Hat Description

For custom, show and high performance sport driving, SRP rotors offer the high tech look and improved performance of a directional cross-drill and face slot pattern. In addition to the aesthetic appeal, the venting and cleaning action of the hole and slot pattern helps to reduce pad glaze and minimize irregular pad build-up on the rotor faces. The results are a smoother engagement feel at the pedal and consistent response from the pads. Each rotor is precision machined to less than .001 tolerance for overall flatness, parallelism, and radial run-out on long grain carbon iron castings. The rotors are finished with a black electro coat to provide corrosion resistance.
NOTE & CAUTIONS:
Rear brake rotor for disc/drum internal parking brake kits.


Ordering Information for SRP Drilled Performance Rotor & Hat
Item No 160-8744-BK
Info Details
Rotor Style SRP Drilled & Slotted
Bolt Cir./Stud Dia. 4.75/0.52
Lug I.D. 2.76
Far Side I.D. 6.70
Price Call for OE Pricing
Purchase
Call (805) 388-1188
Item No 160-8745-BK
Info Details
Rotor Style SRP Drilled & Slotted
Bolt Cir./Stud Dia. 4.75/0.52
Lug I.D. 2.76
Far Side I.D. 6.70
Price Call for OE Pricing
Purchase
Call (805) 388-1188

SRP Drilled Performance Rotor & Hat
Rotor Diameter: 12.19
Rotor Width: 0.81
Rotor Bolt Circle(s): 
Material: Iron
SRP Drilled Performance Rotor & Hat

SRP Drilled Performance Rotor & Hat Drawing SRP Drilled Performance Rotor & Hat Drawing Zoom Image

SRP Drilled Performance Rotor & Hat Description

For custom, show and high performance sport driving, SRP rotors offer the high tech look and improved performance of a directional cross-drill and face slot pattern. In addition to the aesthetic appeal, the venting and cleaning action of the hole and slot pattern helps to reduce pad glaze and minimize irregular pad build-up on the rotor faces. The results are a smoother engagement feel at the pedal and consistent response from the pads. Each rotor is precision machined to less than .001 tolerance for overall flatness, parallelism, and radial run-out on long grain carbon iron castings. The rotors are finished with a black electro coat to provide corrosion resistance.
NOTE & CAUTIONS:



Ordering Information for SRP Drilled Performance Rotor & Hat
Item No 160-16452-BK
Info Details
Rotor Style SRP Drilled & Slotted
Bolt Cir./Stud Dia. 4.50/0.52; 5.50/0.52
Lug I.D. 3.06
Far Side I.D. 8.38
Price Call for OE Pricing
Purchase
Call (805) 388-1188
Item No 160-16453-BK
Info Details
Rotor Style SRP Drilled & Slotted
Bolt Cir./Stud Dia. 4.50/0.52; 5.50/0.52
Lug I.D. 3.06
Far Side I.D. 8.38
Price Call for OE Pricing
Purchase
Call (805) 388-1188

SRP Drilled Performance Rotor & Hat
Rotor Diameter: 12.19
Rotor Width: 0.81
Rotor Bolt Circle(s): 
Material: Iron
SRP Drilled Performance Rotor & Hat

SRP Drilled Performance Rotor & Hat Drawing SRP Drilled Performance Rotor & Hat Drawing Zoom Image

SRP Drilled Performance Rotor & Hat Description

For custom, show and high performance sport driving, SRP rotors offer the high tech look and improved performance of a directional cross-drill and face slot pattern. In addition to the aesthetic appeal, the venting and cleaning action of the hole and slot pattern helps to reduce pad glaze and minimize irregular pad build-up on the rotor faces. The results are a smoother engagement feel at the pedal and consistent response from the pads. Each rotor is precision machined to less than .001 tolerance for overall flatness, parallelism, and radial run-out on long grain carbon iron castings. The rotors are finished with a black electro coat to provide corrosion resistance.
NOTE & CAUTIONS:
Rear brake rotor for disc/drum internal parking brake kits.


Ordering Information for SRP Drilled Performance Rotor & Hat
Item No 160-9814-BK
Info Details
Rotor Style SRP Drilled & Slotted
Bolt Cir./Stud Dia. 4.50/0.52; 4.75/0.52; 5.00/0.52
Lug I.D. 3.06
Far Side I.D. 8.38
Price Call for OE Pricing
Purchase
Call (805) 388-1188
Item No 160-9815-BK
Info Details
Rotor Style SRP Drilled & Slotted
Bolt Cir./Stud Dia. 4.50/0.52; 4.75/0.52; 5.00/0.52
Lug I.D. 3.06
Far Side I.D. 8.38
Price Call for OE Pricing
Purchase
Call (805) 388-1188

SRP Drilled Performance Rotor & Hat
Rotor Diameter: 12.19
Rotor Width: 0.81
Rotor Bolt Circle(s): 
Material: Iron
SRP Drilled Performance Rotor & Hat

SRP Drilled Performance Rotor & Hat Drawing SRP Drilled Performance Rotor & Hat Drawing Zoom Image

SRP Drilled Performance Rotor & Hat Description

For custom, show and high performance sport driving, SRP rotors offer the high tech look and improved performance of a directional cross-drill and face slot pattern. In addition to the aesthetic appeal, the venting and cleaning action of the hole and slot pattern helps to reduce pad glaze and minimize irregular pad build-up on the rotor faces. The results are a smoother engagement feel at the pedal and consistent response from the pads. Each rotor is precision machined to less than .001 tolerance for overall flatness, parallelism, and radial run-out on long grain carbon iron castings. The rotors are finished with a black electro coat to provide corrosion resistance.
NOTE & CAUTIONS:
Rear brake rotor for disc/drum internal parking brake kits.


Ordering Information for SRP Drilled Performance Rotor & Hat
Item No 160-10050-BK
Info Details
Rotor Style SRP Drilled & Slotted
Bolt Cir./Stud Dia. 4.75/0.45; 4.75/0.48; 4.75/0.52
Lug I.D. 3.06
Far Side I.D. 8.38
Price Call for OE Pricing
Purchase
Call (805) 388-1188
Item No 160-10051-BK
Info Details
Rotor Style SRP Drilled & Slotted
Bolt Cir./Stud Dia. 4.75/0.45; 4.75/0.48; 4.75/0.52
Lug I.D. 3.06
Far Side I.D. 8.38
Price Call for OE Pricing
Purchase
Call (805) 388-1188

SRP Drilled Performance Rotor & Hat
Rotor Diameter: 12.19
Rotor Width: 0.81
Rotor Bolt Circle(s): 
Material: Iron
SRP Drilled Performance Rotor & Hat

SRP Drilled Performance Rotor & Hat Drawing SRP Drilled Performance Rotor & Hat Drawing Zoom Image

SRP Drilled Performance Rotor & Hat Description

For custom, show and high performance sport driving, SRP rotors offer the high tech look and improved performance of a directional cross-drill and face slot pattern. In addition to the aesthetic appeal, the venting and cleaning action of the hole and slot pattern helps to reduce pad glaze and minimize irregular pad build-up on the rotor faces. The results are a smoother engagement feel at the pedal and consistent response from the pads. Each rotor is precision machined to less than .001 tolerance for overall flatness, parallelism, and radial run-out on long grain carbon iron castings. The rotors are finished with a black electro coat to provide corrosion resistance.
NOTE & CAUTIONS:
Rear brake rotor for disc/drum internal parking brake kits.


Ordering Information for SRP Drilled Performance Rotor & Hat
Item No 160-17532-BK
Info Details
Rotor Style SRP Drilled & Slotted
Bolt Cir./Stud Dia. 5.00/0.58
Lug I.D. 3.09
Far Side I.D. 8.38
Price Call for OE Pricing
Purchase
Call (805) 388-1188
Item No 160-17533-BK
Info Details
Rotor Style SRP Drilled & Slotted
Bolt Cir./Stud Dia. 5.00/0.58
Lug I.D. 3.09
Far Side I.D. 8.38
Price Call for OE Pricing
Purchase
Call (805) 388-1188

Ultralite HP 32 Vane Rotor & Hat
Rotor Diameter: 12.19
Rotor Width: 0.81
Rotor Bolt Circle(s): 
Material: Iron
Ultralite HP 32 Vane Rotor & Hat

Ultralite HP 32 Vane Rotor & Hat Drawing Ultralite HP 32 Vane Rotor & Hat Drawing Zoom Image

Ultralite HP 32 Vane Rotor & Hat Description

HP rotors are close tolerance machined with smooth turned pad faces. The additional mass of the HP series extends service life on heavier competition vehicles and other severe duty applications. They are also the base model for every day use.
NOTE & CAUTIONS:



Ordering Information for Ultralite HP 32 Vane Rotor & Hat
Item No 160-16451
Info Details
Rotor Style Plain Face
Bolt Cir./Stud Dia. 4.50/0.52; 5.50/0.52
Lug I.D. 3.06
Far Side I.D. 8.38
Price Call for OE Pricing
Purchase
Call (805) 388-1188

Ultralite HP 32 Vane Rotor & Hat
Rotor Diameter: 12.19
Rotor Width: 0.81
Rotor Bolt Circle(s): 
Material: Iron
Ultralite HP 32 Vane Rotor & Hat

Ultralite HP 32 Vane Rotor & Hat Drawing Ultralite HP 32 Vane Rotor & Hat Drawing Zoom Image

Ultralite HP 32 Vane Rotor & Hat Description

HP rotors are close tolerance machined with smooth turned pad faces. The additional mass of the HP series extends service life on heavier competition vehicles and other severe duty applications. They are also the base model for every day use.
NOTE & CAUTIONS:
Rear brake rotor for disc/drum internal parking brake kits.


Ordering Information for Ultralite HP 32 Vane Rotor & Hat
Item No 160-9986
Info Details
Rotor Style Plain Face
Bolt Cir./Stud Dia. 4.50/0.52; 4.75/0.52; 5.00/0.52
Lug I.D. 3.06
Far Side I.D. 8.38
Price Call for OE Pricing
Purchase
Call (805) 388-1188

Ultralite HP 32 Vane Rotor & Hat
Rotor Diameter: 12.19
Rotor Width: 0.81
Rotor Bolt Circle(s): 
Material: Iron
Ultralite HP 32 Vane Rotor & Hat

Ultralite HP 32 Vane Rotor & Hat Drawing Ultralite HP 32 Vane Rotor & Hat Drawing Zoom Image

Ultralite HP 32 Vane Rotor & Hat Description

HP rotors are close tolerance machined with smooth turned pad faces. The additional mass of the HP series extends service life on heavier competition vehicles and other severe duty applications. They are also the base model for every day use.
NOTE & CAUTIONS:
Rear brake rotor for disc/drum internal parking brake kits.


Ordering Information for Ultralite HP 32 Vane Rotor & Hat
Item No 160-10049
Info Details
Rotor Style Plain Face
Bolt Cir./Stud Dia. 4.75/0.45; 4.75/0.48; 4.75/0.52
Lug I.D. 3.06
Far Side I.D. 8.38
Price Call for OE Pricing
Purchase
Call (805) 388-1188

Ultralite HP 32 Vane Rotor & Hat
Rotor Diameter: 12.19
Rotor Width: 0.81
Rotor Bolt Circle(s): 
Material: Iron
Ultralite HP 32 Vane Rotor & Hat

Ultralite HP 32 Vane Rotor & Hat Drawing Ultralite HP 32 Vane Rotor & Hat Drawing Zoom Image

Ultralite HP 32 Vane Rotor & Hat Description

HP rotors are close tolerance machined with smooth turned pad faces. The additional mass of the HP series extends service life on heavier competition vehicles and other severe duty applications. They are also the base model for every day use.
NOTE & CAUTIONS:
Rear brake rotor for disc/drum internal parking brake kits.


Ordering Information for Ultralite HP 32 Vane Rotor & Hat
Item No 160-17531
Info Details
Rotor Style Plain Face
Bolt Cir./Stud Dia. 5.00/0.58
Lug I.D. 3.09
Far Side I.D. 8.38
Price Call for OE Pricing
Purchase
Call (805) 388-1188

Ultralite HP 32 Vane Rotor & Hat
Rotor Diameter: 12.19
Rotor Width: 0.81
Rotor Bolt Circle(s): 
Material: Iron
Ultralite HP 32 Vane Rotor & Hat

Ultralite HP 32 Vane Rotor & Hat Drawing Ultralite HP 32 Vane Rotor & Hat Drawing Zoom Image

Ultralite HP 32 Vane Rotor & Hat Description

HP rotors are close tolerance machined with smooth turned pad faces. The additional mass of the HP series extends service life on heavier competition vehicles and other severe duty applications. They are also the base model for every day use.
NOTE & CAUTIONS:
Rear brake rotor for disc/drum internal parking brake kits.


Ordering Information for Ultralite HP 32 Vane Rotor & Hat
Item No 160-8865
Info Details
Rotor Style Plain Face
Bolt Cir./Stud Dia.
Lug I.D. 3.06
Far Side I.D. 8.38
Price Call for OE Pricing
Purchase
Call (805) 388-1188

Ultralite HPS 32 Vane Rotor & Hat
Rotor Diameter: 12.19
Rotor Width: 1.10
Rotor Bolt Circle(s): 
Material: Iron
Ultralite HPS 32 Vane Rotor & Hat

Ultralite HPS 32 Vane Rotor & Hat Drawing Ultralite HPS 32 Vane Rotor & Hat Drawing

Ultralite HPS 32 Vane Rotor & Hat Description

HPS straight vane rotors provide high value performance and rugged durability for a wide range of competition, high performance, and sport driving applications. Don't confuse these rotors with bargain priced off-brand named parts. Wilwood's modern manufacturing capability, combined with large scale economies, make it possible to offer this level of quality and performance at such an affordable price.
NOTE & CAUTIONS:



Ordering Information for Ultralite HPS 32 Vane Rotor & Hat
Item No 160-15515
Info Details
Rotor Style GT Slotted
Bolt Cir./Stud Dia. 4.75/0.52; 5.00/0.52
Lug I.D. 3.06
Far Side I.D. 8.34
Price Call for OE Pricing
Purchase
Call (805) 388-1188

Ultralite HPS 32 Vane Rotor & Hat
Rotor Diameter: 12.19
Rotor Width: 1.10
Rotor Bolt Circle(s): 
Material: Iron
Ultralite HPS 32 Vane Rotor & Hat

Ultralite HPS 32 Vane Rotor & Hat Drawing Ultralite HPS 32 Vane Rotor & Hat Drawing Zoom Image

Ultralite HPS 32 Vane Rotor & Hat Description

HPS straight vane rotors provide high value performance and rugged durability for a wide range of competition, high performance, and sport driving applications. Don't confuse these rotors with bargain priced off-brand named parts. Wilwood's modern manufacturing capability, combined with large scale economies, make it possible to offer this level of quality and performance at such an affordable price.
NOTE & CAUTIONS:



Ordering Information for Ultralite HPS 32 Vane Rotor & Hat
Item No 160-15783
Info Details
Rotor Style GT Slotted
Bolt Cir./Stud Dia. 5.50/0.52
Lug I.D. 3.06
Far Side I.D. 8.34
Price Call for OE Pricing
Purchase
Call (805) 388-1188

Ultralite HP 32 Vane Rotor & Hat
Rotor Diameter: 12.19
Rotor Width: 1.10
Rotor Bolt Circle(s): 
Material: Iron
Ultralite HP 32 Vane Rotor & Hat

Ultralite HP 32 Vane Rotor & Hat Drawing Ultralite HP 32 Vane Rotor & Hat Drawing Zoom Image

Ultralite HP 32 Vane Rotor & Hat Description

HP straight vane rotors provide high value performance and rugged durability for a wide range of competition, high performance, and sport driving applications. Don't confuse these rotors with bargain priced off-brand named parts. Wilwood's modern manufacturing capability, combined with large scale economies, make it possible to offer this level of quality and performance at such an affordable price.
NOTE & CAUTIONS:



Ordering Information for Ultralite HP 32 Vane Rotor & Hat
Item No 160-15516
Info Details
Rotor Style Plain Face
Bolt Cir./Stud Dia. 4.75/0.52; 5.00/0.52
Lug I.D. 3.06
Far Side I.D. 8.34
Price Call for OE Pricing
Purchase
Call (805) 388-1188

Ultralite HP 32 Vane Rotor & Hat
Rotor Diameter: 12.19
Rotor Width: 1.10
Rotor Bolt Circle(s): 
Material: Iron
Ultralite HP 32 Vane Rotor & Hat

Ultralite HP 32 Vane Rotor & Hat Drawing Ultralite HP 32 Vane Rotor & Hat Drawing Zoom Image

Ultralite HP 32 Vane Rotor & Hat Description

HP straight vane rotors provide high value performance and rugged durability for a wide range of competition, high performance, and sport driving applications. Don't confuse these rotors with bargain priced off-brand named parts. Wilwood's modern manufacturing capability, combined with large scale economies, make it possible to offer this level of quality and performance at such an affordable price.
NOTE & CAUTIONS:



Ordering Information for Ultralite HP 32 Vane Rotor & Hat
Item No 160-15782
Info Details
Rotor Style Plain Face
Bolt Cir./Stud Dia. 5.50/0.52
Lug I.D. 3.06
Far Side I.D. 8.34
Price Call for OE Pricing
Purchase
Call (805) 388-1188

SRP Drilled Performance Rotor & Hat
Rotor Diameter: 12.19
Rotor Width: 1.10
Rotor Bolt Circle(s): 
Material: Iron
SRP Drilled Performance Rotor & Hat

SRP Drilled Performance Rotor & Hat Drawing SRP Drilled Performance Rotor & Hat Drawing Zoom Image

SRP Drilled Performance Rotor & Hat Description

For custom, show and high performance sport driving, SRP rotors offer the high tech look and improved performance of a directional cross-drill and face slot pattern. In addition to the aesthetic appeal, the venting and cleaning action of the hole and slot pattern helps to reduce pad glaze and minimize irregular pad build-up on the rotor faces. The results are a smoother engagement feel at the pedal and consistent response from the pads. Each rotor is precision machined to less than .001 tolerance for overall flatness, parallelism, and radial run-out on long grain carbon iron castings. The rotors are finished with a black electro coat to provide corrosion resistance.
NOTE & CAUTIONS:



Ordering Information for SRP Drilled Performance Rotor & Hat
Item No 160-15513-BK
Info Details
Rotor Style SRP Drilled & Slotted
Bolt Cir./Stud Dia. 4.75/0.52; 5.00/0.52
Lug I.D. 3.06
Far Side I.D. 8.34
Price Call for OE Pricing
Purchase
Call (805) 388-1188
Item No 160-15514-BK
Info Details
Rotor Style SRP Drilled & Slotted
Bolt Cir./Stud Dia. 4.75/0.52; 5.00/0.52
Lug I.D. 3.06
Far Side I.D. 8.34
Price Call for OE Pricing
Purchase
Call (805) 388-1188

SRP Drilled Performance Rotor & Hat
Rotor Diameter: 12.19
Rotor Width: 1.10
Rotor Bolt Circle(s): 
Material: Iron
SRP Drilled Performance Rotor & Hat

SRP Drilled Performance Rotor & Hat Drawing SRP Drilled Performance Rotor & Hat Drawing Zoom Image

SRP Drilled Performance Rotor & Hat Description

For custom, show and high performance sport driving, SRP rotors offer the high tech look and improved performance of a directional cross-drill and face slot pattern. In addition to the aesthetic appeal, the venting and cleaning action of the hole and slot pattern helps to reduce pad glaze and minimize irregular pad build-up on the rotor faces. The results are a smoother engagement feel at the pedal and consistent response from the pads. Each rotor is precision machined to less than .001 tolerance for overall flatness, parallelism, and radial run-out on long grain carbon iron castings. The rotors are finished with a black electro coat to provide corrosion resistance.
NOTE & CAUTIONS:



Ordering Information for SRP Drilled Performance Rotor & Hat
Item No 160-15784-BK
Info Details
Rotor Style SRP Drilled & Slotted
Bolt Cir./Stud Dia. 5.50/0.52
Lug I.D. 3.06
Far Side I.D. 8.34
Price Call for OE Pricing
Purchase
Call (805) 388-1188
Item No 160-15785-BK
Info Details
Rotor Style SRP Drilled & Slotted
Bolt Cir./Stud Dia. 5.50/0.52
Lug I.D. 3.06
Far Side I.D. 8.34
Price Call for OE Pricing
Purchase
Call (805) 388-1188

SRP Drilled Performance Rotor & Hat
Rotor Diameter: 12.80
Rotor Width: 1.25
Rotor Bolt Circle(s): 
Material: Iron
SRP Drilled Performance Rotor & Hat

SRP Drilled Performance Rotor & Hat Drawing SRP Drilled Performance Rotor & Hat Drawing Zoom Image

SRP Drilled Performance Rotor & Hat Description

For custom, show and high performance sport driving, SRP Dimpled rotors offer the high tech look and improved performance of a directional cross-drill and face slot pattern. In addition to the aesthetic appeal, the venting and cleaning action of the dimple and slot pattern helps to reduce pad glaze and minimize irregular pad build-up on the rotor faces. The results are a smoother engagement feel at the pedal and consistent response from the pads. Each rotor is precision machined to less than .001 tolerance for overall flatness, parallelism, and radial run-out on long grain carbon iron castings. The rotors are finished with a black electro coat to provide corrosion resistance.
NOTE & CAUTIONS:
OE Style Replacement Rear rotor


Ordering Information for SRP Drilled Performance Rotor & Hat
Item No 160-14042-BK
Info Details
Rotor Style SRP Dimpled & Slotted
Bolt Cir./Stud Dia. 4.75/0.52
Lug I.D. 2.78
Far Side I.D. 8.53
Price Call for OE Pricing
Purchase
Call (805) 388-1188
Item No 160-14043-BK
Info Details
Rotor Style SRP Dimpled & Slotted
Bolt Cir./Stud Dia. 4.75/0.52
Lug I.D. 2.78
Far Side I.D. 8.53
Price Call for OE Pricing
Purchase
Call (805) 388-1188

Ultralite HPS 32 Vane Rotor & Hat
Rotor Diameter: 12.88
Rotor Width: 1.10
Rotor Bolt Circle(s): 
Material: Iron
Ultralite HPS 32 Vane Rotor & Hat

Ultralite HPS 32 Vane Rotor & Hat Drawing Ultralite HPS 32 Vane Rotor & Hat Drawing Zoom Image

Ultralite HPS 32 Vane Rotor & Hat Description

Ultra-Light ULHP straight vane rotors provide high value performance and rugged durability for a wide range of competition, high performance, and sport driving applications. Don't confuse these rotors with bargain priced off-brand named parts. Wilwood's modern manufacturing capability, combined with large scale economies, make it possible to offer this level of quality and performance at such an affordable price.
NOTE & CAUTIONS:



Ordering Information for Ultralite HPS 32 Vane Rotor & Hat
Item No 160-12191
Info Details
Rotor Style GT Slotted
Bolt Cir./Stud Dia. 4.50/0.52; 4.75/0.52
Lug I.D. 3.06
Far Side I.D. 9.46
Price Call for OE Pricing
Purchase
Call (805) 388-1188
Item No 160-12191-GTB
Info Details
Rotor Style GT Slotted
Bolt Cir./Stud Dia. 4.50/0.52; 4.75/0.52
Lug I.D. 3.06
Far Side I.D. 9.46
Price Call for OE Pricing
Purchase
Call (805) 388-1188

SRP Drilled Performance Rotor & Hat
Rotor Diameter: 12.88
Rotor Width: 1.10
Rotor Bolt Circle(s): 
Material: Iron
SRP Drilled Performance Rotor & Hat

SRP Drilled Performance Rotor & Hat Drawing SRP Drilled Performance Rotor & Hat Drawing Zoom Image

SRP Drilled Performance Rotor & Hat Description

For custom, show and high performance sport driving, SRP rotors offer the high tech look and improved performance of a directional cross-drill and face slot pattern. In addition to the aesthetic appeal, the venting and cleaning action of the hole and slot pattern helps to reduce pad glaze and minimize irregular pad build-up on the rotor faces. The results are a smoother engagement feel at the pedal and consistent response from the pads. Each rotor is precision machined to less than .001 tolerance for overall flatness, parallelism, and radial run-out on long grain carbon iron castings. The rotors are finished with a black electro coat to provide corrosion resistance.
NOTE & CAUTIONS:



Ordering Information for SRP Drilled Performance Rotor & Hat
Item No 160-12189-BK
Info Details
Rotor Style SRP Drilled & Slotted
Bolt Cir./Stud Dia. 4.50/0.52; 4.75/0.52
Lug I.D. 3.06
Far Side I.D. 9.46
Price Call for OE Pricing
Purchase
Call (805) 388-1188
Item No 160-12190-BK
Info Details
Rotor Style SRP Drilled & Slotted
Bolt Cir./Stud Dia. 4.50/0.52; 4.75/0.52
Lug I.D. 3.06
Far Side I.D. 9.46
Price Call for OE Pricing
Purchase
Call (805) 388-1188

GT Vented Rotor & Hat
Rotor Diameter: 12.88
Rotor Width: 1.25
Rotor Bolt Circle(s): 
Material: Iron
GT Vented Rotor & Hat

GT Vented Rotor & Hat Drawing GT Vented Rotor & Hat Drawing Zoom Image

GT Vented Rotor & Hat Description

GT Vented Rotor and Hats are built for the extreme conditions of motorsports or heavy duty use. The superior heat absorption and dissipation characteristics of these heavy wall multi-vane rotors are the keys to preventing heat fade and realizing long service life from the rotors and pads. All rotors are cast from premium grade, long grain carbon iron for long wear, thermal stability, and resistance to distortion.
NOTE & CAUTIONS:



Ordering Information for GT Vented Rotor & Hat
Item No 160-15758-GTB
Info Details
Rotor Style GT Slotted
Bolt Cir./Stud Dia. 5.91/0.61
Lug I.D. 4.34
Far Side I.D. 9.20
Price Call for OE Pricing
Purchase
Call (805) 388-1188

GT Vented Rotor & Hat
Rotor Diameter: 12.98
Rotor Width: 1.10
Rotor Bolt Circle(s): 
Material: Iron
GT Vented Rotor & Hat

GT Vented Rotor & Hat Drawing GT Vented Rotor & Hat Drawing Zoom Image

GT Vented Rotor & Hat Description

GT Vented Rotor and Hats are built for the extreme conditions of motorsports or heavy duty use. The superior heat absorption and dissipation characteristics of these heavy wall multi-vane rotors are the keys to preventing heat fade and realizing long service life from the rotors and pads. All rotors are cast from premium grade, long grain carbon iron for long wear, thermal stability, and resistance to distortion.
NOTE & CAUTIONS:
1999-2004 Porsche 911 Rear


Ordering Information for GT Vented Rotor & Hat
Item No 160-17070-GTB
Info Details
Rotor Style GT Slotted
Bolt Cir./Stud Dia. 5.11/0.61
Lug I.D. 3.86
Far Side I.D. 8.00
Price Call for OE Pricing
Purchase
Call (805) 388-1188
Item No 160-17071-GTB
Info Details
Rotor Style GT Slotted
Bolt Cir./Stud Dia. 5.11/0.61
Lug I.D. 3.86
Far Side I.D. 8.00
Price Call for OE Pricing
Purchase
Call (805) 388-1188

SRP Drilled Performance Rotor & Hat
Rotor Diameter: 12.98
Rotor Width: 1.10
Rotor Bolt Circle(s): 
Material: Iron
SRP Drilled Performance Rotor & Hat

SRP Drilled Performance Rotor & Hat Drawing SRP Drilled Performance Rotor & Hat Drawing

SRP Drilled Performance Rotor & Hat Description

For custom, show and high performance sport driving, SRP rotors offer the high tech look and improved performance of a directional cross-drill and face slot pattern. In addition to the aesthetic appeal, the venting and cleaning action of the hole and slot pattern helps to reduce pad glaze and minimize irregular pad build-up on the rotor faces. The results are a smoother engagement feel at the pedal and consistent response from the pads. Each rotor is precision machined to less than .001 tolerance for overall flatness, parallelism, and radial run-out on long grain carbon iron castings. The rotors are finished with a black electro coat to provide corrosion resistance.
NOTE & CAUTIONS:
1999-2004 Porsche 911 Rear


Ordering Information for SRP Drilled Performance Rotor & Hat
Item No 160-17068-BK
Info Details
Rotor Style SRP Drilled & Slotted
Bolt Cir./Stud Dia. 5.11/0.61
Lug I.D. 3.86
Far Side I.D. 8.00
Price Call for OE Pricing
Purchase
Call (805) 388-1188
Item No 160-17069-BK
Info Details
Rotor Style SRP Drilled & Slotted
Bolt Cir./Stud Dia. 5.11/0.61
Lug I.D. 3.86
Far Side I.D. 8.00
Price Call for OE Pricing
Purchase
Call (805) 388-1188

GT Vented Rotor & Hat
Rotor Diameter: 13.25
Rotor Width: 1.10
Rotor Bolt Circle(s): 
Material: Iron
GT Vented Rotor & Hat

GT Vented Rotor & Hat Drawing GT Vented Rotor & Hat Drawing

GT Vented Rotor & Hat Description

GT Vented Rotor and Hats are built for the extreme conditions of motorsports or heavy duty use. The superior heat absorption and dissipation characteristics of these heavy wall multi-vane rotors are the keys to preventing heat fade and realizing long service life from the rotors and pads. All rotors are cast from premium grade, long grain carbon iron for long wear, thermal stability, and resistance to distortion.
NOTE & CAUTIONS:



Ordering Information for GT Vented Rotor & Hat
Item No 160-17899-GTB
Info Details
Rotor Style GT Slotted
Bolt Cir./Stud Dia. 5.11/0.59
Lug I.D. 3.36
Far Side I.D. 9.05
Price Call for OE Pricing
Purchase
Call (805) 388-1188

GT Vented Rotor & Hat
Rotor Diameter: 13.25
Rotor Width: 1.25
Rotor Bolt Circle(s): 
Material: Iron
GT Vented Rotor & Hat

GT Vented Rotor & Hat Drawing GT Vented Rotor & Hat Drawing

GT Vented Rotor & Hat Description

GT Vented Rotor and Hats are built for the extreme conditions of motorsports or heavy duty use. The superior heat absorption and dissipation characteristics of these heavy wall multi-vane rotors are the keys to preventing heat fade and realizing long service life from the rotors and pads. All rotors are cast from premium grade, long grain carbon iron for long wear, thermal stability, and resistance to distortion.
NOTE & CAUTIONS:



Ordering Information for GT Vented Rotor & Hat
Item No 160-17898-GTB
Info Details
Rotor Style GT Slotted
Bolt Cir./Stud Dia. 5.11/0.59
Lug I.D. 3.36
Far Side I.D. 9.05
Price Call for OE Pricing
Purchase
Call (805) 388-1188

GT Vented Rotor & Hat
Rotor Diameter: 13.28
Rotor Width: 1.30
Rotor Bolt Circle(s): 
Material: Iron
GT Vented Rotor & Hat

GT Vented Rotor & Hat Drawing GT Vented Rotor & Hat Drawing Zoom Image

GT Vented Rotor & Hat Description

GT Vented Rotor and Hats are built for the extreme conditions of motorsports or heavy duty use. The superior heat absorption and dissipation characteristics of these heavy wall multi-vane rotors are the keys to preventing heat fade and realizing long service life from the rotors and pads. All rotors are cast from premium grade, long grain carbon iron for long wear, thermal stability, and resistance to distortion.
NOTE & CAUTIONS:



Ordering Information for GT Vented Rotor & Hat
Item No 160-15757-GTB
Info Details
Rotor Style GT Slotted
Bolt Cir./Stud Dia. 5.67/0.50
Lug I.D. 4.53
Far Side I.D. 9.25
Price Call for OE Pricing
Purchase
Call (805) 388-1188

GT Vented Rotor & Hat
Rotor Diameter: 13.31
Rotor Width: 1.26
Rotor Bolt Circle(s): 
Material: Iron
GT Vented Rotor & Hat

GT Vented Rotor & Hat Drawing GT Vented Rotor & Hat Drawing Zoom Image

GT Vented Rotor & Hat Description

GT Vented Rotor and Hats are built for the extreme conditions of motorsports or heavy duty use. The superior heat absorption and dissipation characteristics of these heavy wall multi-vane rotors are the keys to preventing heat fade and realizing long service life from the rotors and pads. All rotors are cast from premium grade, long grain carbon iron for long wear, thermal stability, and resistance to distortion.
NOTE & CAUTIONS:



Ordering Information for GT Vented Rotor & Hat
Item No 160-17034-GTB
Info Details
Rotor Style GT Slotted
Bolt Cir./Stud Dia. 5.50/0.58
Lug I.D. 4.25
Far Side I.D. 9.13
Price Call for OE Pricing
Purchase
Call (805) 388-1188
Item No 160-17118-BK
Info Details
Rotor Style SRP Drilled & Slotted
Bolt Cir./Stud Dia. 5.50/0.58
Lug I.D. 4.25
Far Side I.D. 9.13
Price Call for OE Pricing
Purchase
Call (805) 388-1188
Item No 160-17119-BK
Info Details
Rotor Style SRP Drilled & Slotted
Bolt Cir./Stud Dia. 5.50/0.58
Lug I.D. 4.25
Far Side I.D. 9.13
Price Call for OE Pricing
Purchase
Call (805) 388-1188

SRP Drilled Performance Rotor & Hat
Rotor Diameter: 13.31
Rotor Width: 1.26
Rotor Bolt Circle(s): 
Material: Iron
SRP Drilled Performance Rotor & Hat

SRP Drilled Performance Rotor & Hat Drawing SRP Drilled Performance Rotor & Hat Drawing

SRP Drilled Performance Rotor & Hat Description

For custom, show and high performance sport driving, SRP rotors offer the high tech look and improved performance of a directional cross-drill and face slot pattern. In addition to the aesthetic appeal, the venting and cleaning action of the hole and slot pattern helps to reduce pad glaze and minimize irregular pad build-up on the rotor faces. The results are a smoother engagement feel at the pedal and consistent response from the pads. Each rotor is precision machined to less than .001 tolerance for overall flatness, parallelism, and radial run-out on long grain carbon iron castings. The rotors are finished with a black electro coat to provide corrosion resistance.
NOTE & CAUTIONS:



Ordering Information for SRP Drilled Performance Rotor & Hat
Item No 160-17034-GTB
Info Details
Rotor Style GT Slotted
Bolt Cir./Stud Dia. 5.50/0.58
Lug I.D. 4.25
Far Side I.D. 9.13
Price Call for OE Pricing
Purchase
Call (805) 388-1188
Item No 160-17118-BK
Info Details
Rotor Style SRP Drilled & Slotted
Bolt Cir./Stud Dia. 5.50/0.58
Lug I.D. 4.25
Far Side I.D. 9.13
Price Call for OE Pricing
Purchase
Call (805) 388-1188
Item No 160-17119-BK
Info Details
Rotor Style SRP Drilled & Slotted
Bolt Cir./Stud Dia. 5.50/0.58
Lug I.D. 4.25
Far Side I.D. 9.13
Price Call for OE Pricing
Purchase
Call (805) 388-1188

GT Vented Rotor & Hat
Rotor Diameter: 13.38
Rotor Width: 1.25
Rotor Bolt Circle(s): 
Material: Iron
GT Vented Rotor & Hat

GT Vented Rotor & Hat Drawing GT Vented Rotor & Hat Drawing Zoom Image

GT Vented Rotor & Hat Description

GT Vented Rotor and Hats are built for the extreme conditions of motorsports or heavy duty use. The superior heat absorption and dissipation characteristics of these heavy wall multi-vane rotors are the keys to preventing heat fade and realizing long service life from the rotors and pads. All rotors are cast from premium grade, long grain carbon iron for long wear, thermal stability, and resistance to distortion.
NOTE & CAUTIONS:



Ordering Information for GT Vented Rotor & Hat
Item No 160-16716-GTB
Info Details
Rotor Style GT Slotted
Bolt Cir./Stud Dia. 5.32/0.59
Lug I.D. 3.55
Far Side I.D. 9.22
Price Call for OE Pricing
Purchase
Call (805) 388-1188
Item No 160-16717-BK
Info Details
Rotor Style SRP Drilled & Slotted
Bolt Cir./Stud Dia. 5.32/0.59
Lug I.D. 3.55
Far Side I.D. 9.22
Price Call for OE Pricing
Purchase
Call (805) 388-1188
Item No 160-16718-BK
Info Details
Rotor Style SRP Drilled & Slotted
Bolt Cir./Stud Dia. 5.32/0.59
Lug I.D. 3.55
Far Side I.D. 9.22
Price Call for OE Pricing
Purchase
Call (805) 388-1188

SRP Drilled Performance Rotor & Hat
Rotor Diameter: 13.38
Rotor Width: 1.25
Rotor Bolt Circle(s): 
Material: Iron
SRP Drilled Performance Rotor & Hat

SRP Drilled Performance Rotor & Hat Drawing SRP Drilled Performance Rotor & Hat Drawing Zoom Image

SRP Drilled Performance Rotor & Hat Description

For custom, show and high performance sport driving, SRP rotors offer the high tech look and improved performance of a directional cross-drill and face slot pattern. In addition to the aesthetic appeal, the venting and cleaning action of the hole and slot pattern helps to reduce pad glaze and minimize irregular pad build-up on the rotor faces. The results are a smoother engagement feel at the pedal and consistent response from the pads. Each rotor is precision machined to less than .001 tolerance for overall flatness, parallelism, and radial run-out on long grain carbon iron castings. The rotors are finished with a black electro coat to provide corrosion resistance.
NOTE & CAUTIONS:



Ordering Information for SRP Drilled Performance Rotor & Hat
Item No 160-16716-GTB
Info Details
Rotor Style GT Slotted
Bolt Cir./Stud Dia. 5.32/0.59
Lug I.D. 3.55
Far Side I.D. 9.22
Price Call for OE Pricing
Purchase
Call (805) 388-1188
Item No 160-16717-BK
Info Details
Rotor Style SRP Drilled & Slotted
Bolt Cir./Stud Dia. 5.32/0.59
Lug I.D. 3.55
Far Side I.D. 9.22
Price Call for OE Pricing
Purchase
Call (805) 388-1188
Item No 160-16718-BK
Info Details
Rotor Style SRP Drilled & Slotted
Bolt Cir./Stud Dia. 5.32/0.59
Lug I.D. 3.55
Far Side I.D. 9.22
Price Call for OE Pricing
Purchase
Call (805) 388-1188

GT Vented Rotor & Hat
Rotor Diameter: 13.38
Rotor Width: 1.25
Rotor Bolt Circle(s): 
Material: Iron
GT Vented Rotor & Hat

GT Vented Rotor & Hat Drawing GT Vented Rotor & Hat Drawing Zoom Image

GT Vented Rotor & Hat Description

GT Vented Rotor and Hats are built for the extreme conditions of motorsports or heavy duty use. The superior heat absorption and dissipation characteristics of these heavy wall multi-vane rotors are the keys to preventing heat fade and realizing long service life from the rotors and pads. All rotors are cast from premium grade, long grain carbon iron for long wear, thermal stability, and resistance to distortion.
NOTE & CAUTIONS:



Ordering Information for GT Vented Rotor & Hat
Item No 160-16511-GTB
Info Details
Rotor Style GT Slotted
Bolt Cir./Stud Dia. 5.50/0.63
Lug I.D. 3.09
Far Side I.D. 9.28
Price Call for OE Pricing
Purchase
Call (805) 388-1188
Item No 160-16512-BK
Info Details
Rotor Style SRP Drilled & Slotted
Bolt Cir./Stud Dia. 5.50/0.63
Lug I.D. 3.09
Far Side I.D. 9.28
Price Call for OE Pricing
Purchase
Call (805) 388-1188
Item No 160-16513-BK
Info Details
Rotor Style SRP Drilled & Slotted
Bolt Cir./Stud Dia. 5.50/0.63
Lug I.D. 3.09
Far Side I.D. 9.28
Price Call for OE Pricing
Purchase
Call (805) 388-1188

SRP Drilled Performance Rotor & Hat
Rotor Diameter: 13.38
Rotor Width: 1.25
Rotor Bolt Circle(s): 
Material: Iron
SRP Drilled Performance Rotor & Hat

SRP Drilled Performance Rotor & Hat Drawing SRP Drilled Performance Rotor & Hat Drawing Zoom Image

SRP Drilled Performance Rotor & Hat Description

For custom, show and high performance sport driving, SRP rotors offer the high tech look and improved performance of a directional cross-drill and face slot pattern. In addition to the aesthetic appeal, the venting and cleaning action of the hole and slot pattern helps to reduce pad glaze and minimize irregular pad build-up on the rotor faces. The results are a smoother engagement feel at the pedal and consistent response from the pads. Each rotor is precision machined to less than .001 tolerance for overall flatness, parallelism, and radial run-out on long grain carbon iron castings. The rotors are finished with a black electro coat to provide corrosion resistance.
NOTE & CAUTIONS:



Ordering Information for SRP Drilled Performance Rotor & Hat
Item No 160-16511-GTB
Info Details
Rotor Style GT Slotted
Bolt Cir./Stud Dia. 5.50/0.63
Lug I.D. 3.09
Far Side I.D. 9.28
Price Call for OE Pricing
Purchase
Call (805) 388-1188
Item No 160-16512-BK
Info Details
Rotor Style SRP Drilled & Slotted
Bolt Cir./Stud Dia. 5.50/0.63
Lug I.D. 3.09
Far Side I.D. 9.28
Price Call for OE Pricing
Purchase
Call (805) 388-1188
Item No 160-16513-BK
Info Details
Rotor Style SRP Drilled & Slotted
Bolt Cir./Stud Dia. 5.50/0.63
Lug I.D. 3.09
Far Side I.D. 9.28
Price Call for OE Pricing
Purchase
Call (805) 388-1188

GT Vented Rotor & Hat
Rotor Diameter: 13.38
Rotor Width: 1.25
Rotor Bolt Circle(s): 
Material: Iron
GT Vented Rotor & Hat

GT Vented Rotor & Hat Drawing GT Vented Rotor & Hat Drawing Zoom Image

GT Vented Rotor & Hat Description

GT Vented Rotor and Hats are built for the extreme conditions of motorsports or heavy duty use. The superior heat absorption and dissipation characteristics of these heavy wall multi-vane rotors are the keys to preventing heat fade and realizing long service life from the rotors and pads. All rotors are cast from premium grade, long grain carbon iron for long wear, thermal stability, and resistance to distortion.
NOTE & CAUTIONS:



Ordering Information for GT Vented Rotor & Hat
Item No 160-16964-GTB
Info Details
Rotor Style GT Slotted
Bolt Cir./Stud Dia. 5.00/0.64
Lug I.D. 2.84
Far Side I.D. 9.28
Price Call for OE Pricing
Purchase
Call (805) 388-1188
Item No 160-16965-BK
Info Details
Rotor Style SRP Drilled & Slotted
Bolt Cir./Stud Dia. 5.00/0.64
Lug I.D. 2.84
Far Side I.D. 9.28
Price Call for OE Pricing
Purchase
Call (805) 388-1188
Item No 160-16966-BK
Info Details
Rotor Style SRP Drilled & Slotted
Bolt Cir./Stud Dia. 5.00/0.64
Lug I.D. 2.84
Far Side I.D. 9.28
Price Call for OE Pricing
Purchase
Call (805) 388-1188

SRP Drilled Performance Rotor & Hat
Rotor Diameter: 13.38
Rotor Width: 1.25
Rotor Bolt Circle(s): 
Material: Iron
SRP Drilled Performance Rotor & Hat

SRP Drilled Performance Rotor & Hat Drawing SRP Drilled Performance Rotor & Hat Drawing Zoom Image

SRP Drilled Performance Rotor & Hat Description

For custom, show and high performance sport driving, SRP rotors offer the high tech look and improved performance of a directional cross-drill and face slot pattern. In addition to the aesthetic appeal, the venting and cleaning action of the hole and slot pattern helps to reduce pad glaze and minimize irregular pad build-up on the rotor faces. The results are a smoother engagement feel at the pedal and consistent response from the pads. Each rotor is precision machined to less than .001 tolerance for overall flatness, parallelism, and radial run-out on long grain carbon iron castings. The rotors are finished with a black electro coat to provide corrosion resistance.
NOTE & CAUTIONS:



Ordering Information for SRP Drilled Performance Rotor & Hat
Item No 160-16964-GTB
Info Details
Rotor Style GT Slotted
Bolt Cir./Stud Dia. 5.00/0.64
Lug I.D. 2.84
Far Side I.D. 9.28
Price Call for OE Pricing
Purchase
Call (805) 388-1188
Item No 160-16965-BK
Info Details
Rotor Style SRP Drilled & Slotted
Bolt Cir./Stud Dia. 5.00/0.64
Lug I.D. 2.84
Far Side I.D. 9.28
Price Call for OE Pricing
Purchase
Call (805) 388-1188
Item No 160-16966-BK
Info Details
Rotor Style SRP Drilled & Slotted
Bolt Cir./Stud Dia. 5.00/0.64
Lug I.D. 2.84
Far Side I.D. 9.28
Price Call for OE Pricing
Purchase
Call (805) 388-1188

GT Vented Rotor & Hat
Rotor Diameter: 13.38
Rotor Width: 1.25
Rotor Bolt Circle(s): 
Material: Iron
GT Vented Rotor & Hat

GT Vented Rotor & Hat Drawing GT Vented Rotor & Hat Drawing Zoom Image

GT Vented Rotor & Hat Description

GT Vented Rotor and Hats are built for the extreme conditions of motorsports or heavy duty use. The superior heat absorption and dissipation characteristics of these heavy wall multi-vane rotors are the keys to preventing heat fade and realizing long service life from the rotors and pads. All rotors are cast from premium grade, long grain carbon iron for long wear, thermal stability, and resistance to distortion.
NOTE & CAUTIONS:



Ordering Information for GT Vented Rotor & Hat
Item No 160-17586-GTB
Info Details
Rotor Style GT Slotted
Bolt Cir./Stud Dia. 5.50/0.69
Lug I.D. 3.09
Far Side I.D. 9.22
Price Call for OE Pricing
Purchase
Call (805) 388-1188
Item No 160-17587-BK
Info Details
Rotor Style SRP Drilled & Slotted
Bolt Cir./Stud Dia. 5.50/0.69
Lug I.D. 3.09
Far Side I.D. 9.22
Price Call for OE Pricing
Purchase
Call (805) 388-1188
Item No 160-17588-BK
Info Details
Rotor Style SRP Drilled & Slotted
Bolt Cir./Stud Dia. 5.50/0.69
Lug I.D. 3.09
Far Side I.D. 9.22
Price Call for OE Pricing
Purchase
Call (805) 388-1188

SRP Drilled Performance Rotor & Hat
Rotor Diameter: 13.38
Rotor Width: 1.25
Rotor Bolt Circle(s): 
Material: Iron
SRP Drilled Performance Rotor & Hat

SRP Drilled Performance Rotor & Hat Drawing SRP Drilled Performance Rotor & Hat Drawing

SRP Drilled Performance Rotor & Hat Description

For custom, show and high performance sport driving, SRP rotors offer the high tech look and improved performance of a directional cross-drill and face slot pattern. In addition to the aesthetic appeal, the venting and cleaning action of the hole and slot pattern helps to reduce pad glaze and minimize irregular pad build-up on the rotor faces. The results are a smoother engagement feel at the pedal and consistent response from the pads. Each rotor is precision machined to less than .001 tolerance for overall flatness, parallelism, and radial run-out on long grain carbon iron castings. The rotors are finished with a black electro coat to provide corrosion resistance.
NOTE & CAUTIONS:



Ordering Information for SRP Drilled Performance Rotor & Hat
Item No 160-17586-GTB
Info Details
Rotor Style GT Slotted
Bolt Cir./Stud Dia. 5.50/0.69
Lug I.D. 3.09
Far Side I.D. 9.22
Price Call for OE Pricing
Purchase
Call (805) 388-1188
Item No 160-17587-BK
Info Details
Rotor Style SRP Drilled & Slotted
Bolt Cir./Stud Dia. 5.50/0.69
Lug I.D. 3.09
Far Side I.D. 9.22
Price Call for OE Pricing
Purchase
Call (805) 388-1188
Item No 160-17588-BK
Info Details
Rotor Style SRP Drilled & Slotted
Bolt Cir./Stud Dia. 5.50/0.69
Lug I.D. 3.09
Far Side I.D. 9.22
Price Call for OE Pricing
Purchase
Call (805) 388-1188

GT Vented Rotor & Hat
Rotor Diameter: 13.38
Rotor Width: 1.25
Rotor Bolt Circle(s): 
Material: Iron
GT Vented Rotor & Hat

GT Vented Rotor & Hat Drawing GT Vented Rotor & Hat Drawing Zoom Image

GT Vented Rotor & Hat Description

GT Vented Rotor and Hats are built for the extreme conditions of motorsports or heavy duty use. The superior heat absorption and dissipation characteristics of these heavy wall multi-vane rotors are the keys to preventing heat fade and realizing long service life from the rotors and pads. All rotors are cast from premium grade, long grain carbon iron for long wear, thermal stability, and resistance to distortion.
NOTE & CAUTIONS:



Ordering Information for GT Vented Rotor & Hat
Item No 160-17371-GTB
Info Details
Rotor Style GT Slotted
Bolt Cir./Stud Dia. 5.50/0.52
Lug I.D. 3.86
Far Side I.D. 9.22
Price Call for OE Pricing
Purchase
Call (805) 388-1188
Item No 160-17372-BK
Info Details
Rotor Style SRP Drilled & Slotted
Bolt Cir./Stud Dia. 5.50/0.52
Lug I.D. 3.86
Far Side I.D. 9.22
Price Call for OE Pricing
Purchase
Call (805) 388-1188
Item No 160-17373-BK
Info Details
Rotor Style SRP Drilled & Slotted
Bolt Cir./Stud Dia. 5.50/0.52
Lug I.D. 3.86
Far Side I.D. 9.22
Price Call for OE Pricing
Purchase
Call (805) 388-1188

SRP Drilled Performance Rotor & Hat
Rotor Diameter: 13.38
Rotor Width: 1.25
Rotor Bolt Circle(s): 
Material: Iron
SRP Drilled Performance Rotor & Hat

SRP Drilled Performance Rotor & Hat Drawing SRP Drilled Performance Rotor & Hat Drawing

SRP Drilled Performance Rotor & Hat Description

For custom, show and high performance sport driving, SRP rotors offer the high tech look and improved performance of a directional cross-drill and face slot pattern. In addition to the aesthetic appeal, the venting and cleaning action of the hole and slot pattern helps to reduce pad glaze and minimize irregular pad build-up on the rotor faces. The results are a smoother engagement feel at the pedal and consistent response from the pads. Each rotor is precision machined to less than .001 tolerance for overall flatness, parallelism, and radial run-out on long grain carbon iron castings. The rotors are finished with a black electro coat to provide corrosion resistance.
NOTE & CAUTIONS:



Ordering Information for SRP Drilled Performance Rotor & Hat
Item No 160-17371-GTB
Info Details
Rotor Style GT Slotted
Bolt Cir./Stud Dia. 5.50/0.52
Lug I.D. 3.86
Far Side I.D. 9.22
Price Call for OE Pricing
Purchase
Call (805) 388-1188
Item No 160-17372-BK
Info Details
Rotor Style SRP Drilled & Slotted
Bolt Cir./Stud Dia. 5.50/0.52
Lug I.D. 3.86
Far Side I.D. 9.22
Price Call for OE Pricing
Purchase
Call (805) 388-1188
Item No 160-17373-BK
Info Details
Rotor Style SRP Drilled & Slotted
Bolt Cir./Stud Dia. 5.50/0.52
Lug I.D. 3.86
Far Side I.D. 9.22
Price Call for OE Pricing
Purchase
Call (805) 388-1188

GT Vented Rotor & Hat
Rotor Diameter: 13.56
Rotor Width: 1.30
Rotor Bolt Circle(s): 
Material: Iron
GT Vented Rotor & Hat

GT Vented Rotor & Hat Drawing GT Vented Rotor & Hat Drawing Zoom Image

GT Vented Rotor & Hat Description

GT Vented Rotor and Hats are built for the extreme conditions of motorsports or heavy duty use. The superior heat absorption and dissipation characteristics of these heavy wall multi-vane rotors are the keys to preventing heat fade and realizing long service life from the rotors and pads. All rotors are cast from premium grade, long grain carbon iron for long wear, thermal stability, and resistance to distortion.
NOTE & CAUTIONS:



Ordering Information for GT Vented Rotor & Hat
Item No 160-17451-GTB
Info Details
Rotor Style GT Slotted
Bolt Cir./Stud Dia. 5.50/0.61
Lug I.D. 3.82
Far Side I.D. 8.31
Price Call for OE Pricing
Purchase
Call (805) 388-1188
Item No 160-17452-BK
Info Details
Rotor Style SRP Drilled & Slotted
Bolt Cir./Stud Dia. 5.50/0.61
Lug I.D. 3.82
Far Side I.D. 8.31
Price Call for OE Pricing
Purchase
Call (805) 388-1188
Item No 160-17453-BK
Info Details
Rotor Style SRP Drilled & Slotted
Bolt Cir./Stud Dia. 5.50/0.61
Lug I.D. 3.82
Far Side I.D. 8.31
Price Call for OE Pricing
Purchase
Call (805) 388-1188

SRP Drilled Performance Rotor & Hat
Rotor Diameter: 13.56
Rotor Width: 1.30
Rotor Bolt Circle(s): 
Material: Iron
SRP Drilled Performance Rotor & Hat

SRP Drilled Performance Rotor & Hat Drawing SRP Drilled Performance Rotor & Hat Drawing

SRP Drilled Performance Rotor & Hat Description

For custom, show and high performance sport driving, SRP rotors offer the high tech look and improved performance of a directional cross-drill and face slot pattern. In addition to the aesthetic appeal, the venting and cleaning action of the hole and slot pattern helps to reduce pad glaze and minimize irregular pad build-up on the rotor faces. The results are a smoother engagement feel at the pedal and consistent response from the pads. Each rotor is precision machined to less than .001 tolerance for overall flatness, parallelism, and radial run-out on long grain carbon iron castings. The rotors are finished with a black electro coat to provide corrosion resistance.
NOTE & CAUTIONS:



Ordering Information for SRP Drilled Performance Rotor & Hat
Item No 160-17451-GTB
Info Details
Rotor Style GT Slotted
Bolt Cir./Stud Dia. 5.50/0.61
Lug I.D. 3.82
Far Side I.D. 8.31
Price Call for OE Pricing
Purchase
Call (805) 388-1188
Item No 160-17452-BK
Info Details
Rotor Style SRP Drilled & Slotted
Bolt Cir./Stud Dia. 5.50/0.61
Lug I.D. 3.82
Far Side I.D. 8.31
Price Call for OE Pricing
Purchase
Call (805) 388-1188
Item No 160-17453-BK
Info Details
Rotor Style SRP Drilled & Slotted
Bolt Cir./Stud Dia. 5.50/0.61
Lug I.D. 3.82
Far Side I.D. 8.31
Price Call for OE Pricing
Purchase
Call (805) 388-1188

GT Vented Rotor & Hat
Rotor Diameter: 14.25
Rotor Width: 1.10
Rotor Bolt Circle(s): 
Material: Iron
GT Vented Rotor & Hat

GT Vented Rotor & Hat Drawing GT Vented Rotor & Hat Drawing Zoom Image

GT Vented Rotor & Hat Description

GT Vented Rotor and Hats are built for the extreme conditions of motorsports or heavy duty use. The superior heat absorption and dissipation characteristics of these heavy wall multi-vane rotors are the keys to preventing heat fade and realizing long service life from the rotors and pads. All rotors are cast from premium grade, long grain carbon iron for long wear, thermal stability, and resistance to distortion.
NOTE & CAUTIONS:



Ordering Information for GT Vented Rotor & Hat
Item No 160-15472-GTB
Info Details
Rotor Style GT Slotted
Bolt Cir./Stud Dia. 5.50/0.50
Lug I.D. 4.37
Far Side I.D. 10.14
Price Call for OE Pricing
Purchase
Call (805) 388-1188

GT Vented Rotor & Hat
Rotor Diameter: 14.25
Rotor Width: 1.25
Rotor Bolt Circle(s): 
Material: Iron
GT Vented Rotor & Hat

GT Vented Rotor & Hat Drawing GT Vented Rotor & Hat Drawing Zoom Image

GT Vented Rotor & Hat Description

GT Vented Rotor and Hats are built for the extreme conditions of motorsports or heavy duty use. The superior heat absorption and dissipation characteristics of these heavy wall multi-vane rotors are the keys to preventing heat fade and realizing long service life from the rotors and pads. All rotors are cast from premium grade, long grain carbon iron for long wear, thermal stability, and resistance to distortion.
NOTE & CAUTIONS:
6-lug Rear brake rotor for disc/drum for GM 1500 vehicles


Ordering Information for GT Vented Rotor & Hat
Item No 160-16193-GTB
Info Details
Rotor Style GT Slotted
Bolt Cir./Stud Dia. 5.50/0.63
Lug I.D. 3.09
Far Side I.D. 10.09
Price Call for OE Pricing
Purchase
Call (805) 388-1188

SRP Drilled Performance Rotor & Hat
Rotor Diameter: 14.25
Rotor Width: 1.25
Rotor Bolt Circle(s): 
Material: Iron
SRP Drilled Performance Rotor & Hat

SRP Drilled Performance Rotor & Hat Drawing SRP Drilled Performance Rotor & Hat Drawing

SRP Drilled Performance Rotor & Hat Description

For custom, show and high performance sport driving, SRP rotors offer the high tech look and improved performance of a directional cross-drill and face slot pattern. In addition to the aesthetic appeal, the venting and cleaning action of the hole and slot pattern helps to reduce pad glaze and minimize irregular pad build-up on the rotor faces. The results are a smoother engagement feel at the pedal and consistent response from the pads. Each rotor is precision machined to less than .001 tolerance for overall flatness, parallelism, and radial run-out on long grain carbon iron castings. The rotors are finished with a black electro coat to provide corrosion resistance.
NOTE & CAUTIONS:
6-lug Rear brake rotor for disc/drum for GM 1500 vehicles


Ordering Information for SRP Drilled Performance Rotor & Hat
Item No 160-16194-BK
Info Details
Rotor Style SRP Drilled & Slotted
Bolt Cir./Stud Dia. 5.50/0.63
Lug I.D. 3.09
Far Side I.D. 10.09
Price Call for OE Pricing
Purchase
Call (805) 388-1188
Item No 160-16195-BK
Info Details
Rotor Style SRP Drilled & Slotted
Bolt Cir./Stud Dia. 5.50/0.63
Lug I.D. 3.09
Far Side I.D. 10.09
Price Call for OE Pricing
Purchase
Call (805) 388-1188

GT Vented Rotor & Hat
Rotor Diameter: 14.50
Rotor Width: 1.10
Rotor Bolt Circle(s): 
Material: Iron
GT Vented Rotor & Hat

GT Vented Rotor & Hat Drawing GT Vented Rotor & Hat Drawing Zoom Image

GT Vented Rotor & Hat Description

GT Vented Rotor and Hats are built for the extreme conditions of motorsports or heavy duty use. The superior heat absorption and dissipation characteristics of these heavy wall multi-vane rotors are the keys to preventing heat fade and realizing long service life from the rotors and pads. All rotors are cast from premium grade, long grain carbon iron for long wear, thermal stability, and resistance to distortion.
NOTE & CAUTIONS:
5 X 150mm BC


Ordering Information for GT Vented Rotor & Hat
Item No 160-15475-GTB
Info Details
Rotor Style GT Slotted
Bolt Cir./Stud Dia. 5.91/0.64
Lug I.D. 4.42
Far Side I.D. 10.87
Price Call for OE Pricing
Purchase
Call (805) 388-1188

GT Vented Rotor & Hat
Rotor Diameter: 15.00
Rotor Width: 1.25
Rotor Bolt Circle(s): 
Material: Iron
GT Vented Rotor & Hat

GT Vented Rotor & Hat Drawing GT Vented Rotor & Hat Drawing Zoom Image

GT Vented Rotor & Hat Description

GT Vented Rotor and Hats are built for the extreme conditions of motorsports or heavy duty use. The superior heat absorption and dissipation characteristics of these heavy wall multi-vane rotors are the keys to preventing heat fade and realizing long service life from the rotors and pads. All rotors are cast from premium grade, long grain carbon iron for long wear, thermal stability, and resistance to distortion.
NOTE & CAUTIONS:



Ordering Information for GT Vented Rotor & Hat
Item No 160-15755-GTB
Info Details
Rotor Style GT Slotted
Bolt Cir./Stud Dia. 5.50/0.65
Lug I.D. 3.09
Far Side I.D. 10.50
Price Call for OE Pricing
Purchase
Call (805) 388-1188

GT Vented Rotor & Hat
Rotor Diameter: 15.00
Rotor Width: 1.50
Rotor Bolt Circle(s): 
Material: Iron
GT Vented Rotor & Hat

GT Vented Rotor & Hat Drawing GT Vented Rotor & Hat Drawing Zoom Image

GT Vented Rotor & Hat Description

GT Vented Rotor and Hats are built for the extreme conditions of motorsports or heavy duty use. The superior heat absorption and dissipation characteristics of these heavy wall multi-vane rotors are the keys to preventing heat fade and realizing long service life from the rotors and pads. All rotors are cast from premium grade, long grain carbon iron for long wear, thermal stability, and resistance to distortion.
NOTE & CAUTIONS:



Ordering Information for GT Vented Rotor & Hat
Item No 160-17601-GTB
Info Details
Rotor Style GT Slotted
Bolt Cir./Stud Dia. 6.50/0.64
Lug I.D. 4.84
Far Side I.D. 10.62
Price Call for OE Pricing
Purchase
Call (805) 388-1188

GT Vented Rotor & Hat
Rotor Diameter: 15.00
Rotor Width: 1.50
Rotor Bolt Circle(s): 
Material: Iron
GT Vented Rotor & Hat

GT Vented Rotor & Hat Drawing GT Vented Rotor & Hat Drawing Zoom Image

GT Vented Rotor & Hat Description

GT Vented Rotor and Hats are built for the extreme conditions of motorsports or heavy duty use. The superior heat absorption and dissipation characteristics of these heavy wall multi-vane rotors are the keys to preventing heat fade and realizing long service life from the rotors and pads. All rotors are cast from premium grade, long grain carbon iron for long wear, thermal stability, and resistance to distortion.
NOTE & CAUTIONS:



Ordering Information for GT Vented Rotor & Hat
Item No 160-17593-GTB
Info Details
Rotor Style GT Slotted
Bolt Cir./Stud Dia. 6.69/0.64
Lug I.D. 5.09
Far Side I.D. 10.62
Price Call for OE Pricing
Purchase
Call (805) 388-1188

GT Vented Rotor & Hat
Rotor Diameter: 15.00
Rotor Width: 1.50
Rotor Bolt Circle(s): 
Material: Iron
GT Vented Rotor & Hat

GT Vented Rotor & Hat Drawing GT Vented Rotor & Hat Drawing Zoom Image

GT Vented Rotor & Hat Description

GT Vented Rotor and Hats are built for the extreme conditions of motorsports or heavy duty use. The superior heat absorption and dissipation characteristics of these heavy wall multi-vane rotors are the keys to preventing heat fade and realizing long service life from the rotors and pads. All rotors are cast from premium grade, long grain carbon iron for long wear, thermal stability, and resistance to distortion.
NOTE & CAUTIONS:



Ordering Information for GT Vented Rotor & Hat
Item No 160-17463-GTB
Info Details
Rotor Style GT Slotted
Bolt Cir./Stud Dia. 7.09/0.64
Lug I.D. 5.01
Far Side I.D. 10.62
Price Call for OE Pricing
Purchase
Call (805) 388-1188

GT Vented Rotor & Hat
Rotor Diameter: 15.50
Rotor Width: 1.38
Rotor Bolt Circle(s): 
Material: Iron
GT Vented Rotor & Hat

GT Vented Rotor & Hat Drawing GT Vented Rotor & Hat Drawing Zoom Image

GT Vented Rotor & Hat Description

GT Vented Rotor and Hats are built for the extreme conditions of motorsports or heavy duty use. The superior heat absorption and dissipation characteristics of these heavy wall multi-vane rotors are the keys to preventing heat fade and realizing long service life from the rotors and pads. All rotors are cast from premium grade, long grain carbon iron for long wear, thermal stability, and resistance to distortion.
NOTE & CAUTIONS:



Ordering Information for GT Vented Rotor & Hat
Item No 160-14563-GTB
Info Details
Rotor Style GT Slotted
Bolt Cir./Stud Dia. 6.69/0.64
Lug I.D. 5.01
Far Side I.D. 11.05
Price Call for OE Pricing
Purchase
Call (805) 388-1188

GT Vented Rotor & Hat
Rotor Diameter: 16.00
Rotor Width: 1.25
Rotor Bolt Circle(s): 
Material: Iron
GT Vented Rotor & Hat

GT Vented Rotor & Hat Drawing GT Vented Rotor & Hat Drawing Zoom Image

GT Vented Rotor & Hat Description

GT Vented Rotor and Hats are built for the extreme conditions of motorsports or heavy duty use. The superior heat absorption and dissipation characteristics of these heavy wall multi-vane rotors are the keys to preventing heat fade and realizing long service life from the rotors and pads. All rotors are cast from premium grade, long grain carbon iron for long wear, thermal stability, and resistance to distortion.
NOTE & CAUTIONS:
6-lug Rear brake rotor for disc/drum for GM 1500 vehicles


Ordering Information for GT Vented Rotor & Hat
Item No 160-16661-GTB
Info Details
Rotor Style GT Slotted
Bolt Cir./Stud Dia. 5.50/0.63
Lug I.D. 3.09
Far Side I.D. 11.05
Price Call for OE Pricing
Purchase
Call (805) 388-1188

SRP Drilled Performance Rotor & Hat
Rotor Diameter: 16.00
Rotor Width: 1.25
Rotor Bolt Circle(s): 
Material: Iron
SRP Drilled Performance Rotor & Hat

SRP Drilled Performance Rotor & Hat Drawing SRP Drilled Performance Rotor & Hat Drawing

SRP Drilled Performance Rotor & Hat Description

For custom, show and high performance sport driving, SRP rotors offer the high tech look and improved performance of a directional cross-drill and face slot pattern. In addition to the aesthetic appeal, the venting and cleaning action of the hole and slot pattern helps to reduce pad glaze and minimize irregular pad build-up on the rotor faces. The results are a smoother engagement feel at the pedal and consistent response from the pads. Each rotor is precision machined to less than .001 tolerance for overall flatness, parallelism, and radial run-out on long grain carbon iron castings. The rotors are finished with a black electro coat to provide corrosion resistance.
NOTE & CAUTIONS:
6-lug Rear brake rotor for disc/drum for GM 1500 vehicles


Ordering Information for SRP Drilled Performance Rotor & Hat
Item No 160-16662-BK
Info Details
Rotor Style SRP Drilled & Slotted
Bolt Cir./Stud Dia. 5.50/0.63
Lug I.D. 3.09
Far Side I.D. 11.05
Price Call for OE Pricing
Purchase
Call (805) 388-1188
Item No 160-16663-BK
Info Details
Rotor Style SRP Drilled & Slotted
Bolt Cir./Stud Dia. 5.50/0.63
Lug I.D. 3.09
Far Side I.D. 11.05
Price Call for OE Pricing
Purchase
Call (805) 388-1188

GT Vented Rotor & Hat
Rotor Diameter: 16.00
Rotor Width: 1.38
Rotor Bolt Circle(s): 
Material: Iron
GT Vented Rotor & Hat

GT Vented Rotor & Hat Drawing GT Vented Rotor & Hat Drawing Zoom Image

GT Vented Rotor & Hat Description

GT Vented Rotor and Hats are built for the extreme conditions of motorsports or heavy duty use. The superior heat absorption and dissipation characteristics of these heavy wall multi-vane rotors are the keys to preventing heat fade and realizing long service life from the rotors and pads. All rotors are cast from premium grade, long grain carbon iron for long wear, thermal stability, and resistance to distortion.
NOTE & CAUTIONS:



Ordering Information for GT Vented Rotor & Hat
Item No 160-15384-GTB
Info Details
Rotor Style GT Slotted
Bolt Cir./Stud Dia. 6.50/0.65
Lug I.D. 4.84
Far Side I.D. 11.05
Price Call for OE Pricing
Purchase
Call (805) 388-1188


All images shown are for illustrative purposes only. Actual product received may be different than what is portrayed on the web site.
Wilwood makes every effort to maintain our web site to ensure the accuracy of prices and product information. However, product information and prices are subject to change without notice. Please call (805) 388-1188 before ordering to verify current prices and product information.
Copyright © 1977 - 2025 Wilwood Engineering, Inc. - All Rights Reserved

​ ​