Rear Brake Kit – Part No: 140-14149-DN
Call (805) 388-1188
Dynapro Dual SA Lug Drive Dynamic Rear Drag Brake Kit
Prod #: 140-14149-DN
Price: $1,597.06

Rear Brake Kit - Rear Kit


Kit Contents
Wilwood Dynapro Dual SA Lug Drive Dynamic Rear Drag Brake Kit Parts Laid Out - Nickel Plate Caliper - Drilled Rotor Wilwood Dynapro Dual SA Lug Drive Dynamic Rear Drag Brake Kit Parts Laid Out - Nickel Plate Caliper - Drilled Rotor


View Custom Caliper Colors

Kit Summary
Rear End Axle: Symmetrical End
Axle Offset: 2.81
Mount Type: Lug
Caliper Type: 8 - Nickel Plate
Rotor Diameter: 11.25
Min Wheel Diameter Req'd*: 15
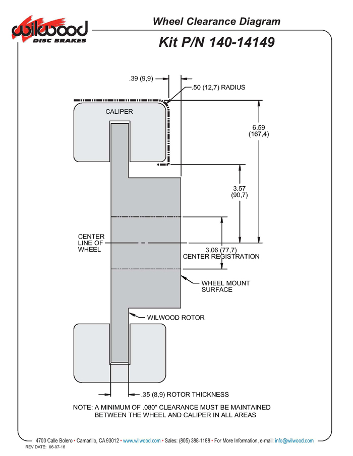
*This Brake Kit may fit 15-inch wheels. Please refer to the wheel clearance diagram to check to see if it will fit your specific wheel. Wheel Clearance Diagram
UPC Number
UPC 889545077704

WARNING: Cancer and Reproductive Harm
www.P65Warnings.ca.gov
Applicable to Brake Pads Only


Dynapro Dual SA Lug Drive Dynamic Rear Drag Brake Kit

Wilwood's new Billet Dynapro Lug-Drive Dynamic Stainless Super Alloy Rotor Brake Kits are especially beneficial to cars that rely heavily on the rear brakes for stopping and any other high speed, heavy weight cars that generate above average rear brake heat. The lug-drive rotor mounting system eliminates the rotor bolts and instead, a large single internal snap-ring retains the rotor in the hat, making assembly and installation literally a snap. This system allows the rotors to move independently of the hats as they expand and contract through heat cycles. All thermally generated stress is removed from the rotor attachment points. The rotors stay flatter and run truer. Kits are available in two rotor diameters: A traditional 11.44” diameter and a smaller 11.25” diameter for clearance with bead lock rims. The hats are no longer distorted by stresses generated by thermal expansion and shrinkage of the rotors. Spring-loaded, replaceable stainless steel inserts in each lug-drive slot protect the aluminum hat from wear that would otherwise be caused by loading of the stainless steel rotor against the hat when brake torque is applied. Kits are available in Single and Dual caliper configurations.


Fitment & Installation Details

Dynapro Dual SA Lug Drive Dynamic Rear Drag Brake Kit Assembly Schematic

Dynapro Dual SA Lug Drive Dynamic Rear Drag Brake Kit Assembly Schematic Dynapro Dual SA Lug Drive Dynamic Rear Drag Brake Kit Assembly Schematic Zoom Image

Rear End / Axle Housing Flange
Confirm The Configuration!

Symmetrical End Flange
Confirm Offset Measurement!

Axle Flange Cross-Section
Search Rear Kits By Rear End/Axle Offset
caution AXLE OFFSET: 2.81
Check the diagram above and verify this measurement. This kit may be available in several different offsets.
Please call Wilwood with any questions: (805) 388-1188

Wheel Clearance Assembly Instructions

Wheel Clearance Diagram Wheel Clearance Diagram Zoom Image
Notes
1. Hats drilled with 5 x 4.75" / 5.00" B.C. pattern for .64" studs.




Compatible Vehicles for this Brake Kit

BRAKE KIT:   Dynapro Dual SA Lug Drive Dynamic Rear Drag Brake Kit

This Brake Kit is Compatible with the Following Vehicle Makes:   Mark Williams

Note: Kit may fit other vehicles, call Wilwood Sales⁄Tech Support at (805) 388-1188 for more information.

REAR END:   Symmetrical End - Rear Kit

AXLE OFFSET:   2.81

For a Complete Listing including ALL Makes, Models and Years, Please click on the Axle Offset.


Kit Components & Specifications
Calipers
Left Hand - Part No: 120-14182-N
Right Hand - Part No: 120-14182-N
Type: Dynapro Lug Mount
Finish Color: Nickel Plate
Piston Count: 4
Piston 1 Bore (in): 1.38
Piston 2 Bore (in): 1.38
Piston Area (In²): 3.00
Piston Type: Stainless
Mount Type: Lug
Brake Pad Plate: 7812
Brake Pad Area (In²): 6.36
Brake Pad Volume (In³): 2.1
Pad Compound: CM - Composite Metallic
Dynapro Lug Mount Caliper - Nickel Plate Dynapro Lug Mount Caliper - Nickel Plate Zoom Image
Rotors
Left Hand - Part No: 160-14155
Right Hand - Part No: 160-14155
Type: Drilled Super Alloy
Style: Drilled
Surface Finish: Plain
Material: Super Alloy
Outside Diameter (in): 11.25
Width (in): 0.35
Vane Count: Solid
Design Type: Alloy Solid
Burnished: No
Dynamically Balanced: No
Drilled Super Alloy - Super Alloy - Plain Drilled Super Alloy - Super Alloy - Plain Zoom Image
Rotor Hats
Hat - Part No: 170-12431
Type: Dynamic Drag Hat - Lug Drive
Material: Aluminum
Finish Color: Type III Anodize
Hat Offset Dimension (in): 1.960
Bolt Circle 1: 5 x 5.00
Bolt Circle 2: 5 x 4.75
Bolt Circle 3:
Stud Diameter - BC 1: 0.700
Stud Diameter - BC 2: 0.700
Stud Diameter - BC 3: 0.000
Dynamic Drag Hat - Lug Drive - Aluminum - Type III Anodize Dynamic Drag Hat - Lug Drive - Aluminum - Type III Anodize Zoom Image
Hubs
Hub - Part No:
Type:
Material:
Finish Color:
Mount Style:
Bolt Circle 1:
Bolt Circle 2:
Bolt Circle 3:
Stud Diameter - BC 1:
Stud Diameter - BC 2:
Stud Diameter - BC 3:

Parts & Accessories
Caliper Parts
O-ring Kit: 130-2658
Replacement Dustboot: N-A
Replacement Piston 1: 200-7518
Replacement Piston 2: 200-7518
Replacement Piston 3: N-A
Replacement Piston 4: N-A
CrossOver O-Ring Kit: 130-10540
Crossover Tube: N-A
Self-Bleeder Tube: N-A
Bridge Bolt Kit: 230-10117
Wear Plate - Left Hand: 300-5875
Wear Plate - Right Hand: 300-5875
Pad Retainer: 300-9634
Bleed Screw Kit: 220-0627
Brake Lines
Hat
Bolt Kit: 300-12561
Hub
Bolt Kit:

Additional related products:




More Details
More Details
More Details
More Details





 
All images shown are for illustrative purposes only. Actual product received may be different than what is portrayed on the web site.
Wilwood makes every effort to maintain our web site to ensure the accuracy of prices and product information. However, product information and prices are subject to change without notice. Please call (805) 388-1188 before ordering to verify current prices and product information.
     Copyright ©2021 Wilwood Engineering, Inc. - All Rights Reserved     
Version: 3.05 June 23, 2023