Hat No: 170-10782


Call (805) 388-1188
Drag Hat - Shallow Offset
Prod #: 170-10782
Price: $180.96
Drag Hat - Shallow Offset 170-10782

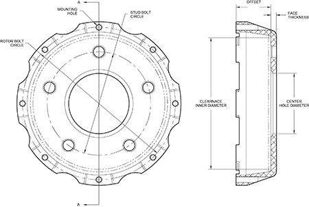
Hat Dimensions
Mount Hole Type Threaded
Rotor Bolt Circle (in) 8 x 7.00
Hat Offset (in) 1.590
Center Reg. (in) 2.78
Hat Type
Material Aluminum
Mount Style Fixed Mount
Finish Black E-Coat
Weight (lbs) 1.830
Bolt Circle Dimensions
Hat Bolt Circle 1 5 x 4.75
Hat Bolt Circle 2
Hat Bolt Circle 3
UPC Number
UPC 889545041491
Application Info
Application Note Camaro Drag Kit 98-02
Hat Bolt Kit Part # 230-8390
Application Note
Application Note
Drag Hat - Shallow Offset - Product Description

GT Series Shallow Offset Drag hats are precision machined from premium aluminum alloys for high strength and attention to minimized weight. Hats in this category feature threaded rotor mount holes for use with standard through-hole mount rotors. Threaded hole hats may also be used with T-Nuts or bobbins designed for use with specially machined slotted hole dynamic mount rotors. When used in conjunction with matched Wilwood rotor hardware kits, GT hats provide solid, reliable performance in the most demanding conditions. Shallow Offset Drag Hats are for narrow space applications with offsets often less than 1.00". They are available for most rotor bolt patterns in a variety of four and five lug wheel patterns.


Shallow Offset Hats are for narrow space applications with offsets often less than 1.00". They are available for most rotor bolt patterns in a variety of four and five lug wheel patterns.




Rotor Hat Dimensions

Drag Hat - Shallow Offset Hat Drawing Drag Hat - Shallow Offset Hat Drawing Zoom Image
Additional Hat Dimensions
Rotor Mount Hole Size (in) 5/16-18
Shoe I.D. (in)
Clearance I.D. (in) 6.04
Face Thickness (in) 0.25
Hat Stud Diamenter - BC 1 (in) 0.520
Hat Stud Diamenter - BC 2 (in)
Hat Stud Diamenter - BC 3 (in)
Additional Notes

Wilwood Compatible Rotors

Drilled Steel Rotor


Rotor Dimensions
Rotor Diameter Range 12.00
Rotor Width Range 0.35

Drilled Steel Rotor Rotors

Steel rotors have applications in all types of motorsports. Steel rotors provide a durable lightweight option in applications where sustained temperatures remain in the low to moderate range, and high heat spikes are only observed on an intermittent basis. This could be anything from a hard stopping drag race car at the end of a quarter mile, or a high speed stock car coming in from a qualifier at a super speedway. Steel rotors can also be found in lighter weight open wheel cars such as sprints and modifieds, and a variety of light weight, open wheel road course racers. A special alloy and proprietary manufacturing processes give these rotors high resistance to thermal distortion with excellent friction and wear characteristics against the pads. View Steel Rotors
Drilled Steel Rotor


Rotor Dimensions
Rotor Diameter Range 11.44 11.75
Rotor Width Range 0.35

Drilled Steel Rotor Rotors

Steel rotors have applications in all types of motorsports. Steel rotors provide a durable lightweight option in applications where sustained temperatures remain in the low to moderate range, and high heat spikes are only observed on an intermittent basis. This could be anything from a hard stopping drag race car at the end of a quarter mile, or a high speed stock car coming in from a qualifier at a super speedway. Steel rotors can also be found in lighter weight open wheel cars such as sprints and modifieds, and a variety of light weight, open wheel road course racers. A special alloy and proprietary manufacturing processes give these rotors high resistance to thermal distortion with excellent friction and wear characteristics against the pads. View Steel Rotors
Drilled Steel Scalloped Dynamic Mount Rotor


Rotor Dimensions
Rotor Diameter Range 11.75 12.19
Rotor Width Range 0.35

Drilled Steel Scalloped Dynamic Mount Rotor Rotors

Steel rotors have applications in all types of motorsports. Steel rotors provide a durable lightweight option in applications where sustained temperatures remain in the low to moderate range, and high heat spikes are only observed on an intermittent basis. This could be anything from a hard stopping drag race car at the end of a quarter mile, or a high speed stock car coming in from a qualifier at a super speedway. Steel rotors can also be found in lighter weight open wheel cars such as sprints and modifieds, and a variety of light weight, open wheel road course racers. A special alloy and proprietary manufacturing processes give these rotors high resistance to thermal distortion with excellent friction and wear characteristics against the pads. View Steel Rotors
Drilled Steel Scalloped Rotor


Rotor Dimensions
Rotor Diameter Range 11.44 12.19
Rotor Width Range 0.25 0.35

Drilled Steel Scalloped Rotor Rotors

Steel rotors have applications in all types of motorsports. Steel rotors provide a durable lightweight option in applications where sustained temperatures remain in the low to moderate range, and high heat spikes are only observed on an intermittent basis. This could be anything from a hard stopping drag race car at the end of a quarter mile, or a high speed stock car coming in from a qualifier at a super speedway. Steel rotors can also be found in lighter weight open wheel cars such as sprints and modifieds, and a variety of light weight, open wheel road course racers. A special alloy and proprietary manufacturing processes give these rotors high resistance to thermal distortion with excellent friction and wear characteristics against the pads. View Steel Rotors
GT 36 Curved Vane Rotor


Rotor Dimensions
Rotor Diameter Range 11.38
Rotor Width Range 0.81

GT 36 Curved Vane Rotor Rotors

GT-36 curved vane rotors are built for the extreme conditions of professional motorsports. The superior heat absorption and dissipation characteristics of these heavy wall directional vane rotors are the keys to preventing heat fade and realizing long service life from the rotors and pads. All rotors are cast from premium grade, long grain carbon iron for long wear, thermal stability, and resistance to distortion. Every GT rotor is fully detail machined to eliminate stress points and unnecessary weight away from the pad sweep face. The faces and O.D. are precision turned to less than .001" for flatness, parallelism, and run-out. An asymmetrical face slot pattern provides smoother engagement through reduced harmonics and improved thermal balance between the I.D. and O.D. of the rotor. Every rotor is then individually dynamic balanced to provide vibration free performance at any speed. These rotors provide the highest cooling capacity and longest service life for extreme braking short tracks and road course competition. View GT Rotors
GT 36 Curved Vane Rotor


Rotor Dimensions
Rotor Diameter Range 11.38
Rotor Width Range 0.81

GT 36 Curved Vane Rotor Rotors

GT-36 curved vane rotors are built for the extreme conditions of professional motorsports. The superior heat absorption and dissipation characteristics of these heavy wall directional vane rotors are the keys to preventing heat fade and realizing long service life from the rotors and pads. All rotors are cast from premium grade, long grain carbon iron for long wear, thermal stability, and resistance to distortion. Every GT rotor is fully detail machined to eliminate stress points and unnecessary weight away from the pad sweep face. The faces and O.D. are precision turned to less than .001" for flatness, parallelism, and run-out. An asymmetrical face slot pattern provides smoother engagement through reduced harmonics and improved thermal balance between the I.D. and O.D. of the rotor. Every rotor is then individually dynamic balanced to provide vibration free performance at any speed. These rotors provide the highest cooling capacity and longest service life for extreme braking short tracks and road course competition. View GT Rotors
GT 36 Curved Vane Rotor


Rotor Dimensions
Rotor Diameter Range 11.66 12.19
Rotor Width Range 0.72 0.81

GT 36 Curved Vane Rotor Rotors

GT-36 curved vane rotors are built for the extreme conditions of professional motorsports. The superior heat absorption and dissipation characteristics of these heavy wall directional vane rotors are the keys to preventing heat fade and realizing long service life from the rotors and pads. All rotors are cast from premium grade, long grain carbon iron for long wear, thermal stability, and resistance to distortion. Every GT rotor is fully detail machined to eliminate stress points and unnecessary weight away from the pad sweep face. The faces and O.D. are precision turned to less than .001" for flatness, parallelism, and run-out. An asymmetrical face slot pattern provides smoother engagement through reduced harmonics and improved thermal balance between the I.D. and O.D. of the rotor. Every rotor is then individually dynamic balanced to provide vibration free performance at any speed. These rotors provide the highest cooling capacity and longest service life for extreme braking short tracks and road course competition. View GT Rotors
GT 36 Curved Vane Rotor


Rotor Dimensions
Rotor Diameter Range 11.75
Rotor Width Range 0.81

GT 36 Curved Vane Rotor Rotors

Wilwood's GT 36 Curved Vane Spec-37 rotors are manufactured from a proprietary iron alloy developed to withstand extreme temperatures with the highest possible degree of resistance against distortion, warping, cracking, and wear. The formulation for this alloy is a derivative of technology and materials that were significant in the development of the extreme duty military spec rotors that are manufactured by Wilwood. Combined with our proven GT Series asymmetrical face slot pattern and individual dynamic balancing, you are assured the smoothest braking available. View GT Rotors
GT 36 Curved Vane Rotor


Rotor Dimensions
Rotor Diameter Range 11.75
Rotor Width Range 0.81

GT 36 Curved Vane Rotor Rotors

Wilwood's GT 36 Curved Vane Spec-37 rotors are manufactured from a proprietary iron alloy developed to withstand extreme temperatures with the highest possible degree of resistance against distortion, warping, cracking, and wear. The formulation for this alloy is a derivative of technology and materials that were significant in the development of the extreme duty military spec rotors that are manufactured by Wilwood. Combined with our proven GT Series asymmetrical face slot pattern and individual dynamic balancing, you are assured the smoothest braking available. View GT Rotors
GT 36 Curved Vane Rotor


Rotor Dimensions
Rotor Diameter Range 12.00
Rotor Width Range 0.81

GT 36 Curved Vane Rotor Rotors

Wilwood's GT 36 Curved Vane Spec-37 rotors are manufactured from a proprietary iron alloy developed to withstand extreme temperatures with the highest possible degree of resistance against distortion, warping, cracking, and wear. The formulation for this alloy is a derivative of technology and materials that were significant in the development of the extreme duty military spec rotors that are manufactured by Wilwood. Combined with our proven GT Series asymmetrical face slot pattern and individual dynamic balancing, you are assured the smoothest braking available. View GT Rotors
GT 36 Curved Vane Rotor


Rotor Dimensions
Rotor Diameter Range 12.19
Rotor Width Range 0.81

GT 36 Curved Vane Rotor Rotors

Wilwood's GT 36 Curved Vane Spec-37 rotors are manufactured from a proprietary iron alloy developed to withstand extreme temperatures with the highest possible degree of resistance against distortion, warping, cracking, and wear. The formulation for this alloy is a derivative of technology and materials that were significant in the development of the extreme duty military spec rotors that are manufactured by Wilwood. Combined with our proven GT Series asymmetrical face slot pattern and individual dynamic balancing, you are assured the smoothest braking available. View GT Rotors
GT 36 Curved Vane Rotor


Rotor Dimensions
Rotor Diameter Range 11.75
Rotor Width Range 0.81

GT 36 Curved Vane Rotor Rotors

Wilwood's GT 36 Curved Vane Spec-37 rotors are manufactured from a proprietary iron alloy developed to withstand extreme temperatures with the highest possible degree of resistance against distortion, warping, cracking, and wear. The formulation for this alloy is a derivative of technology and materials that were significant in the development of the extreme duty military spec rotors that are manufactured by Wilwood. Combined with our proven GT Series asymmetrical face slot pattern and individual dynamic balancing, you are assured the smoothest braking available. View GT Rotors
GT 40 Curved Vane Rotor


Rotor Dimensions
Rotor Diameter Range 11.75
Rotor Width Range 1.25

GT 40 Curved Vane Rotor Rotors

GT-40 curved vane rotors are built for the extreme conditions of professional motorsports. The superior heat absorption and dissipation characteristics of these heavy wall directional vane rotors are the keys to preventing heat fade and realizing long service life from the rotors and pads. All rotors are cast from premium grade, long grain carbon iron for long wear, thermal stability, and resistance to distortion. Every GT rotor is fully detail machined to eliminate stress points and unnecessary weight away from the pad sweep face. The faces and O.D. are precision turned to less than .001" for flatness, parallelism, and run-out. An asymmetrical face slot pattern provides smoother engagement through reduced harmonics and improved thermal balance between the I.D. and O.D. of the rotor. Every rotor is then individually dynamic balanced to provide vibration free performance at any speed. These rotors provide the highest cooling capacity and longest service life for extreme braking short tracks and road course competition. View GT Rotors
GT 48 Curved Vane Rotor


Rotor Dimensions
Rotor Diameter Range 12.19
Rotor Width Range 1.25

GT 48 Curved Vane Rotor Rotors

Wilwood's GT 48 Curved Vane Spec-37 rotors are manufactured from a proprietary iron alloy developed to withstand extreme temperatures with the highest possible degree of resistance against distortion, warping, cracking, and wear. The formulation for this alloy is a derivative of technology and materials that were significant in the development of the extreme duty military spec rotors that are manufactured by Wilwood. Combined with our proven GT Series asymmetrical face slot pattern and individual dynamic balancing, you are assured the smoothest, vibration free performance at any speed. These rotors provide the highest cooling capacity and longest service life for extreme braking short tracks and road course competition. View GT Rotors
GT 48 Curved Vane Rotor


Rotor Dimensions
Rotor Diameter Range 12.19
Rotor Width Range 1.25

GT 48 Curved Vane Rotor Rotors

Wilwood's GT 48 Curved Vane Spec-37 rotors are manufactured from a proprietary iron alloy developed to withstand extreme temperatures with the highest possible degree of resistance against distortion, warping, cracking, and wear. The formulation for this alloy is a derivative of technology and materials that were significant in the development of the extreme duty military spec rotors that are manufactured by Wilwood. Combined with our proven GT Series asymmetrical face slot pattern and individual dynamic balancing, you are assured the smoothest, vibration free performance at any speed. These rotors provide the highest cooling capacity and longest service life for extreme braking short tracks and road course competition. View GT Rotors
GT 48 Curved Vane Rotor


Rotor Dimensions
Rotor Diameter Range 12.19
Rotor Width Range 1.25

GT 48 Curved Vane Rotor Rotors

Wilwood's GT 48 Curved Vane Spec-37 rotors are manufactured from a proprietary iron alloy developed to withstand extreme temperatures with the highest possible degree of resistance against distortion, warping, cracking, and wear. The formulation for this alloy is a derivative of technology and materials that were significant in the development of the extreme duty military spec rotors that are manufactured by Wilwood. Combined with our proven GT Series asymmetrical face slot pattern and individual dynamic balancing, you are assured the smoothest, vibration free performance at any speed. These rotors provide the highest cooling capacity and longest service life for extreme braking short tracks and road course competition. View GT Rotors
GT 48 Curved Vane Rotor


Rotor Dimensions
Rotor Diameter Range 12.19
Rotor Width Range 1.25

GT 48 Curved Vane Rotor Rotors

Wilwood's GT 48 Curved Vane Spec-37 rotors are manufactured from a proprietary iron alloy developed to withstand extreme temperatures with the highest possible degree of resistance against distortion, warping, cracking, and wear. The formulation for this alloy is a derivative of technology and materials that were significant in the development of the extreme duty military spec rotors that are manufactured by Wilwood. Combined with our proven GT Series asymmetrical face slot pattern and individual dynamic balancing, you are assured the smoothest, vibration free performance at any speed. These rotors provide the highest cooling capacity and longest service life for extreme braking short tracks and road course competition. View GT Rotors
GT 48 Curved Vane Rotor


Rotor Dimensions
Rotor Diameter Range 11.75
Rotor Width Range 1.21

GT 48 Curved Vane Rotor Rotors

Wilwood's GT 48 Curved Vane Spec-37 rotors are manufactured from a proprietary iron alloy developed to withstand extreme temperatures with the highest possible degree of resistance against distortion, warping, cracking, and wear. The formulation for this alloy is a derivative of technology and materials that were significant in the development of the extreme duty military spec rotors that are manufactured by Wilwood. Combined with our proven GT Series asymmetrical face slot pattern and individual dynamic balancing, you are assured the smoothest, vibration free performance at any speed. These rotors provide the highest cooling capacity and longest service life for extreme braking short tracks and road course competition. View GT Rotors
GT 48 Curved Vane Rotor


Rotor Dimensions
Rotor Diameter Range 11.75
Rotor Width Range 1.21

GT 48 Curved Vane Rotor Rotors

Wilwood's GT 48 Curved Vane Spec-37 rotors are manufactured from a proprietary iron alloy developed to withstand extreme temperatures with the highest possible degree of resistance against distortion, warping, cracking, and wear. The formulation for this alloy is a derivative of technology and materials that were significant in the development of the extreme duty military spec rotors that are manufactured by Wilwood. Combined with our proven GT Series asymmetrical face slot pattern and individual dynamic balancing, you are assured the smoothest, vibration free performance at any speed. These rotors provide the highest cooling capacity and longest service life for extreme braking short tracks and road course competition. View GT Rotors
GT 48 Curved Vane Rotor


Rotor Dimensions
Rotor Diameter Range 11.75
Rotor Width Range 1.21

GT 48 Curved Vane Rotor Rotors

Wilwood's GT 48 Curved Vane Spec-37 rotors are manufactured from a proprietary iron alloy developed to withstand extreme temperatures with the highest possible degree of resistance against distortion, warping, cracking, and wear. The formulation for this alloy is a derivative of technology and materials that were significant in the development of the extreme duty military spec rotors that are manufactured by Wilwood. Combined with our proven GT Series asymmetrical face slot pattern and individual dynamic balancing, you are assured the smoothest, vibration free performance at any speed. These rotors provide the highest cooling capacity and longest service life for extreme braking short tracks and road course competition. View GT Rotors
GT 48 Curved Vane Rotor


Rotor Dimensions
Rotor Diameter Range 11.75
Rotor Width Range 1.21

GT 48 Curved Vane Rotor Rotors

Wilwood's GT 48 Curved Vane Spec-37 rotors are manufactured from a proprietary iron alloy developed to withstand extreme temperatures with the highest possible degree of resistance against distortion, warping, cracking, and wear. The formulation for this alloy is a derivative of technology and materials that were significant in the development of the extreme duty military spec rotors that are manufactured by Wilwood. Combined with our proven GT Series asymmetrical face slot pattern and individual dynamic balancing, you are assured the smoothest, vibration free performance at any speed. These rotors provide the highest cooling capacity and longest service life for extreme braking short tracks and road course competition. View GT Rotors
GT 48 Curved Vane Rotor


Rotor Dimensions
Rotor Diameter Range 12.72
Rotor Width Range 1.25

GT 48 Curved Vane Rotor Rotors

Wilwood's GT 48 Curved Vane Spec-37 rotors are manufactured from a proprietary iron alloy developed to withstand extreme temperatures with the highest possible degree of resistance against distortion, warping, cracking, and wear. The formulation for this alloy is a derivative of technology and materials that were significant in the development of the extreme duty military spec rotors that are manufactured by Wilwood. Combined with our proven GT Series asymmetrical face slot pattern and individual dynamic balancing, you are assured the smoothest, vibration free performance at any speed. These rotors provide the highest cooling capacity and longest service life for extreme braking short tracks and road course competition. View GT Rotors
GT 48 Curved Vane Rotor


Rotor Dimensions
Rotor Diameter Range 12.19
Rotor Width Range 1.38

GT 48 Curved Vane Rotor Rotors

Wilwood's GT 48 Curved Vane Spec-37 rotors are manufactured from a proprietary iron alloy developed to withstand extreme temperatures with the highest possible degree of resistance against distortion, warping, cracking, and wear. The formulation for this alloy is a derivative of technology and materials that were significant in the development of the extreme duty military spec rotors that are manufactured by Wilwood. Combined with our proven GT Series asymmetrical face slot pattern and individual dynamic balancing, you are assured the smoothest, vibration free performance at any speed. These rotors provide the highest cooling capacity and longest service life for extreme braking short tracks and road course competition. View GT Rotors
GT 48 Curved Vane Rotor


Rotor Dimensions
Rotor Diameter Range 13.06
Rotor Width Range 1.38

GT 48 Curved Vane Rotor Rotors

Wilwood's GT 48 Curved Vane Spec-37 rotors are manufactured from a proprietary iron alloy developed to withstand extreme temperatures with the highest possible degree of resistance against distortion, warping, cracking, and wear. The formulation for this alloy is a derivative of technology and materials that were significant in the development of the extreme duty military spec rotors that are manufactured by Wilwood. Combined with our proven GT Series asymmetrical face slot pattern and individual dynamic balancing, you are assured the smoothest, vibration free performance at any speed. These rotors provide the highest cooling capacity and longest service life for extreme braking short tracks and road course competition. View GT Rotors
GT 48 Curved Vane Rotor


Rotor Dimensions
Rotor Diameter Range 11.75 12.19
Rotor Width Range 1.25

GT 48 Curved Vane Rotor Rotors

Wilwood's GT 48 Curved Vane Spec-37 rotors are manufactured from a proprietary iron alloy developed to withstand extreme temperatures with the highest possible degree of resistance against distortion, warping, cracking, and wear. The formulation for this alloy is a derivative of technology and materials that were significant in the development of the extreme duty military spec rotors that are manufactured by Wilwood. Combined with our proven GT Series asymmetrical face slot pattern and individual dynamic balancing, you are assured the smoothest, vibration free performance at any speed. These rotors provide the highest cooling capacity and longest service life for extreme braking short tracks and road course competition. View GT Rotors
HD 36 Curved Vane Rotor


Rotor Dimensions
Rotor Diameter Range 11.75 12.19
Rotor Width Range 0.81

HD 36 Curved Vane Rotor Rotors

HD-36 Series directional vane rotors provide superior thermal stability and long service for asphalt late models, modifieds, open wheel, and most other types of high heat competition applications. All HD rotors are cast from premium grade, long grain carbon iron for long wear, high thermal stability and resistance to distortion. Thick wall pad sweep faces with directional cooling vanes provide superior heat absorption and dissipation qualities to prevent heat fade and realize long service life from the pads and rotors. All HD rotor faces are precision turned to less than .001" for flatness, parallelism, and run-out for smoother engagement and reduced vibration. View HD Rotors
HD 36 Curved Vane Rotor


Rotor Dimensions
Rotor Diameter Range 11.75 12.19
Rotor Width Range 0.81

HD 36 Curved Vane Rotor Rotors

Wilwood's HD 36 Curved Vane Spec-37 rotors are manufactured from a proprietary iron alloy developed to withstand extreme temperatures with the highest possible degree of resistance against distortion, warping, cracking, and wear. The formulation for this alloy is a derivative of technology and materials that were significant in the development of the extreme duty military spec rotors that are manufactured by Wilwood. Our HD Series preparation includes full detail machining and smooth pad contact faces without slots. View HD Rotors
HD 36 Curved Vane Scalloped Rotor


Rotor Dimensions
Rotor Diameter Range 11.75
Rotor Width Range 0.81

HD 36 Curved Vane Scalloped Rotor Rotors

Wilwood's HD 36 Scalloped Curved Vane Spec-37 rotors are manufactured from a proprietary iron alloy developed to withstand extreme temperatures with the highest possible degree of resistance against distortion, warping, cracking, and wear. The formulation for this alloy is a derivative of technology and materials that were significant in the development of the extreme duty military spec rotors that are manufactured by Wilwood. Our HD Series preparation includes full detail machining and smooth pad contact faces without slots. View HD Rotors
HD 40 Curved Vane Rotor


Rotor Dimensions
Rotor Diameter Range 11.75
Rotor Width Range 1.25

HD 40 Curved Vane Rotor Rotors

HD-40 Series directional vane rotors provide superior thermal stability and long service for asphalt late models, modifieds, open wheel, and most other types of high heat competition applications. All HD rotors are cast from premium grade, long grain carbon iron for long wear, high thermal stability and resistance to distortion. Thick wall pad sweep faces with directional cooling vanes provide superior heat absorption and dissipation qualities to prevent heat fade and realize long service life from the pads and rotors. All HD rotor faces are precision turned to less than .001" for flatness, parallelism, and run-out for smoother engagement and reduced vibration. View HD Rotors
HD 48 Curved Vane Rotor


Rotor Dimensions
Rotor Diameter Range 11.75
Rotor Width Range 1.21

HD 48 Curved Vane Rotor Rotors

Wilwood's HD 48 Curved Vane Spec-37 rotors are are manufactured from a proprietary iron alloy developed to withstand extreme temperatures with the highest possible degree of resistance against distortion, warping, cracking, and wear. The formulation for this alloy is a derivative of technology and materials that were significant in the development of the extreme duty military spec rotors that are manufactured by Wilwood. Our HD Series preparation includes full detail machining and smooth pad contact faces without slots. View HD Rotors
HD 48 Curved Vane Rotor


Rotor Dimensions
Rotor Diameter Range 11.75 12.19
Rotor Width Range 1.25

HD 48 Curved Vane Rotor Rotors

Wilwood's HD 48 Curved Vane Spec-37 rotors are are manufactured from a proprietary iron alloy developed to withstand extreme temperatures with the highest possible degree of resistance against distortion, warping, cracking, and wear. The formulation for this alloy is a derivative of technology and materials that were significant in the development of the extreme duty military spec rotors that are manufactured by Wilwood. Our HD Series preparation includes full detail machining and smooth pad contact faces without slots. View HD Rotors
Solid Steel Rotor


Rotor Dimensions
Rotor Diameter Range 11.44 12.00
Rotor Width Range 0.35

Solid Steel Rotor Rotors

Steel rotors have applications in all types of motorsports. Steel rotors provide a durable lightweight option in applications where sustained temperatures remain in the low to moderate range, and high heat spikes are only observed on an intermittent basis. This could be anything from a hard stopping drag race car at the end of a quarter mile, or a high speed stock car coming in from a qualifier at a super speedway. Steel rotors can also be found in lighter weight open wheel cars such as sprints and modifieds, and a variety of light weight, open wheel road course racers. A special alloy and proprietary manufacturing processes give these rotors high resistance to thermal distortion with excellent friction and wear characteristics against the pads. View Steel Rotors
SRP Drilled Performance Rotor


Rotor Dimensions
Rotor Diameter Range 11.38 12.19
Rotor Width Range 0.72 1.10

SRP Drilled Performance Rotor Rotors

SRP Drilled Performance Rotors feature a specially engineered directional cross drill and face slot pattern that improve brake response and pad performance throughout the entire range of light to heavy braking. The venting and cleaning action of the holes and slots will reduce pad glaze and disperse gasses and heat generated during the pad to rotor interface. The holes and slots also inhibit irregular pad compound build-up on the rotor faces resulting in smoother engagement and improved pedal response in all conditions. The material removed also contributes to lower rotating and unsprung suspension weight. View SRP Rotors
SRP Drilled Performance Rotor


Rotor Dimensions
Rotor Diameter Range 12.19
Rotor Width Range 0.81

SRP Drilled Performance Rotor Rotors

SRP Drilled Performance Rotors feature a specially engineered directional cross drill and face slot pattern that improve brake response and pad performance throughout the entire range of light to heavy braking. The venting and cleaning action of the holes and slots will reduce pad glaze and disperse gasses and heat generated during the pad to rotor interface. The holes and slots also inhibit irregular pad compound build-up on the rotor faces resulting in smoother engagement and improved pedal response in all conditions. The material removed also contributes to lower rotating and unsprung suspension weight. View SRP Rotors
Super Alloy Drilled Rotor


Rotor Dimensions
Rotor Diameter Range 11.44
Rotor Width Range 0.35

Super Alloy Drilled Rotor Rotors

Super Alloy Steel Rotors have applications in all types of motorsports. Steel rotors provide a durable lightweight option in applications where sustained temperatures remain in the low to moderate range, and high heat spikes are only observed on an intermittent basis. This could be anything from a hard stopping drag race car at the end of a quarter mile, or a high speed stock car coming in from a qualifier at a super speedway. Steel rotors can also be found in lighter weight open wheel cars such as sprints and modifieds, and a variety of light weight, open wheel road course racers. A special alloy and proprietary manufacturing processes give these rotors high resistance to thermal distortion with excellent friction and wear characteristics against the pads. View Super Alloy Rotors
Super Alloy Scalloped Rotor


Rotor Dimensions
Rotor Diameter Range 11.75
Rotor Width Range 0.81

Super Alloy Scalloped Rotor Rotors

Our newest Super Alloy rotor in 11.75” diameter is made from Wilwood’s proprietary Super Alloy material that provides the lowest rotating and un-sprung weight, without degradation, shrinkage and warping like comparable Iron & Steel lightweight rotors. Super Alloy rotors provide a durable lightweight option in applications where sustained temperatures remain in the low to moderate range, and high heat spikes are only observed on an intermittent basis. Our special alloy and proprietary manufacturing processes give these rotors high resistance to thermal distortion with excellent friction and wear characteristics against the pads. View Super Alloy Rotors
Super Alloy Scalloped Rotor


Rotor Dimensions
Rotor Diameter Range 11.75
Rotor Width Range 1.25

Super Alloy Scalloped Rotor Rotors

Our newest Super Alloy rotor in 11.75” diameter is targeted directly to Dirt Late Model and Modified racing. Wilwood’s proprietary Super Alloy material and slotted design provides the lowest rotating and un-sprung weight, without degradation, shrinkage and warping like comparable Iron & Steel lightweight rotors. Super Alloy rotors provide a durable lightweight option in applications where sustained temperatures remain in the low to moderate range, and high heat spikes are only observed on an intermittent basis. Our special alloy and proprietary manufacturing processes give these rotors high resistance to thermal distortion with excellent friction and wear characteristics against the pads. View Super Alloy Rotors
Super Alloy Scalloped Rotor


Rotor Dimensions
Rotor Diameter Range 11.75
Rotor Width Range 1.25

Super Alloy Scalloped Rotor Rotors

Our newest Super Alloy rotor in 11.75” diameter is targeted directly to Dirt Late Model and Modified racing. Wilwood’s proprietary Super Alloy material provides the lowest rotating and un-sprung weight, without degradation, shrinkage and warping like comparable Iron & Steel lightweight rotors. Super Alloy rotors provide a durable lightweight option in applications where sustained temperatures remain in the low to moderate range, and high heat spikes are only observed on an intermittent basis. Our special alloy and proprietary manufacturing processes give these rotors high resistance to thermal distortion with excellent friction and wear characteristics against the pads. View Super Alloy Rotors
Super Alloy Scalloped Rotor


Rotor Dimensions
Rotor Diameter Range 11.75
Rotor Width Range 0.81

Super Alloy Scalloped Rotor Rotors

Our newest Super Alloy slotted face rotor in 11.75” diameter now includes dual mounting options. Choose Wilwood’s Lug-Drive dynamic floating mount or the conventional 8 7.00" bolt patern. This rotor is made from Wilwood’s proprietary Super Alloy material that provides the lowest rotating and un-sprung weight, without degradation, shrinkage and warping like comparable Iron & Steel lightweight rotors. Super Alloy rotors provide a durable lightweight option in applications where sustained temperatures remain in the low to moderate range, and high heat spikes are only observed on an intermittent basis. Our special alloy and proprietary manufacturing processes give these rotors high resistance to thermal distortion with excellent friction and wear characteristics against the pads. View Super Alloy Rotors
Super Alloy Slotted Rotor


Rotor Dimensions
Rotor Diameter Range 12.00
Rotor Width Range 0.36

Super Alloy Slotted Rotor Rotors

Super Alloy Titanium Slotted Rotors are Sprint racing's lightest rotors at a weight of between 2.8 to 3 pounds. Wilwood’s proprietary Super Alloy Titanium greatly enhances the durability and lifespan of this rotor over comparable lightweight steel or iron rotors. A directional slotted surface allowing for full pad contact. This provides excellent high temperature stability, with rapid heat dissipation and consistent performance from the brake pads. The fine micro-finish surface beds quickly with new pads. It provides a cost effective, lightweight solution with quick response, long service life from the pads, and consistent braking at all temperatures. Lowered rotating weight promotes quick acceleration, deceleration, and improved handling. View Super Alloy Rotors
Super Alloy Slotted Rotor


Rotor Dimensions
Rotor Diameter Range 12.00
Rotor Width Range 0.36

Super Alloy Slotted Rotor Rotors

Super Alloy Titanium Slotted Rotors are Sprint racing's lightest rotors at a weight of between 2.8 to 3 pounds. Wilwood’s proprietary Super Alloy Titanium greatly enhances the durability and lifespan of this rotor over comparable lightweight steel or iron rotors. A directional slotted surface allowing for full pad contact. This provides excellent high temperature stability, with rapid heat dissipation and consistent performance from the brake pads. The fine micro-finish surface beds quickly with new pads. It provides a cost effective, lightweight solution with quick response, long service life from the pads, and consistent braking at all temperatures. Lowered rotating weight promotes quick acceleration, deceleration, and improved handling. View Super Alloy Rotors
ULGT 16 Curved Vane Rotor


Rotor Dimensions
Rotor Diameter Range 11.75
Rotor Width Range 0.99

ULGT 16 Curved Vane Rotor Rotors

Wilwood's ULGT-16 Curved Vane Spec-37 rotors are manufactured from a proprietary iron alloy developed to withstand extreme temperatures with the highest possible degree of resistance against distortion, warping, cracking, and wear. The formulation for this alloy is a derivative of technology and materials that were significant in the development of the extreme duty military spec rotors that are manufactured by Wilwood. Combined with our proven GT Style asymmetrical face slot pattern, you are assured the smoothest braking available. 160-15879 and 160-15880 are replacement for 160-13980 and 160-13981. View GT Rotors
ULGT 16 Curved Vane Rotor


Rotor Dimensions
Rotor Diameter Range 11.75
Rotor Width Range 0.99

ULGT 16 Curved Vane Rotor Rotors

Wilwood's ULGT-16 Curved Vane Spec-37 rotors are manufactured from a proprietary iron alloy developed to withstand extreme temperatures with the highest possible degree of resistance against distortion, warping, cracking, and wear. The formulation for this alloy is a derivative of technology and materials that were significant in the development of the extreme duty military spec rotors that are manufactured by Wilwood. Combined with our proven GT Style asymmetrical face slot pattern, you are assured the smoothest braking available. The new 160-15879 and 160-15880 are replacement for 160-13980 and 160-13981, please see below. View GT Rotors
ULHD 16 Curved Vane Rotor


Rotor Dimensions
Rotor Diameter Range 11.75
Rotor Width Range 0.99

ULHD 16 Curved Vane Rotor Rotors

Wilwood''s ULHD-16 Curved Vane Spec-37 rotors are manufactured from a proprietary iron alloy developed to withstand extreme temperatures with the highest possible degree of resistance against distortion, warping, cracking, and wear. The formulation for this alloy is a derivative of technology and materials that were significant in the development of the extreme duty military spec rotors that are manufactured by Wilwood. Our HP Series preparation includes full detail machining and smooth pad contact faces without slots. View HD Rotors
ULHD 16 Curved Vane Rotor


Rotor Dimensions
Rotor Diameter Range 11.75
Rotor Width Range 0.99

ULHD 16 Curved Vane Rotor Rotors

Wilwood''s ULHD-16 Curved Vane Spec-37 rotors are manufactured from a proprietary iron alloy developed to withstand extreme temperatures with the highest possible degree of resistance against distortion, warping, cracking, and wear. The formulation for this alloy is a derivative of technology and materials that were significant in the development of the extreme duty military spec rotors that are manufactured by Wilwood. Our HP Series preparation includes full detail machining and smooth pad contact faces without slots. View HD Rotors
Ulltralite 32 Vane Rotor Drilled


Rotor Dimensions
Rotor Diameter Range 11.75 12.19
Rotor Width Range 0.81 1.25

Ulltralite 32 Vane Rotor Drilled Rotors

When it comes to rotors, racers are constantly searching for the ultimate balance between the lowest weight and the ability to effectively manage heat. Decreased rotating weight in the drive line provides quicker deceleration under braking and quicker acceleration out of the corners. Lower weight also benefits handling with improved spring and shock control over the unsprung suspension mass. Wilwood's ULD-32 drilled iron rotors provides effective lightweight options for sprints, late models, modifieds, and other competition applications that race in low to medium temperature ranges. View Ultralite Rotors
Ultralite 32 Curved Vane Rotor


Rotor Dimensions
Rotor Diameter Range 11.75 12.19
Rotor Width Range 1.25

Ultralite 32 Curved Vane Rotor Rotors

Ultra-Light UL-32 directional vane rotors provide an excellent balance of efficient cooling and lower rotating mass on hard braking dirt tracks or rear axle service on pavement cars. UL rotors are cast from premium grade, long grain carbon iron for long wear, high thermal stability, and resistance to distortion. UL-32 rotors are production machined and well suited to a wide range of sportsman racing categories. View Ultralite Rotors
Ultralite 32 Vane Rotor


Rotor Dimensions
Rotor Diameter Range 11.75 12.19
Rotor Width Range 0.81

Ultralite 32 Vane Rotor Rotors

Ultra-Light UL straight vane rotors provide high value performance and rugged durability for a wide range of competition, high performance, and sport driving applications. Don't confuse these rotors with bargain priced off-brand named parts. Wilwood's modern manufacturing capability, combined with large scale economy, make it possible to offer this level of quality and performance at such an affordable price. View Ultralite Rotors
Ultralite 32 Vane Rotor


Rotor Dimensions
Rotor Diameter Range 11.75 12.00
Rotor Width Range 1.20 1.25

Ultralite 32 Vane Rotor Rotors

Ultra-Light UL straight vane rotors provide high value performance and rugged durability for a wide range of competition, high performance, and sport driving applications. Don't confuse these rotors with bargain priced off-brand named parts. Wilwood's modern manufacturing capability, combined with large scale economy, make it possible to offer this level of quality and performance at such an affordable price. View Ultralite Rotors
Ultralite 32 Vane Scalloped Rotor


Rotor Dimensions
Rotor Diameter Range 11.75
Rotor Width Range 1.25

Ultralite 32 Vane Scalloped Rotor Rotors

When it comes to rotors, racers are constantly searching for the ultimate balance between the lowest weight and the ability to effectively manage heat. Decreased rotating weight in the drive line provides quicker deceleration under braking and quicker acceleration out of the corners. Lower weight also benefits handling with improved spring and shock control over the unsprung suspension mass. Two options are available: Wilwood's 160-8343 Ultra Light Weight ULS-32 scalloped iron rotor provides effective lightweight options for sprints, late models, modifieds, and other competition applications that race in low to medium temperature ranges. Weighing in at 5.3 Lbs., it is the lightest scalloped iron rotor around or the medium weight option 160-8814 at 6.45 lbs. that gives added mass and durability. View Ultralite Rotors
Ultralite 32 Vane Scalloped Rotor


Rotor Dimensions
Rotor Diameter Range 11.75 12.19
Rotor Width Range 0.81

Ultralite 32 Vane Scalloped Rotor Rotors

When it comes to rotors, racers are constantly searching for the ultimate balance between the lowest weight and the ability to effectively manage heat. Decreased rotating weight in the drive line provides quicker deceleration under braking and quicker acceleration out of the corners. Lower weight also benefits handling with improved spring and shock control over the unsprung suspension mass. Wilwood's ULS-32 scalloped iron rotors provides effective lightweight options for sprints, late models, modifieds, and other competition applications that race in low to medium temperature ranges. View Ultralite Rotors
Ultralite HP 32 Curved Vane Rotor


Rotor Dimensions
Rotor Diameter Range 11.75 12.19
Rotor Width Range 1.25

Ultralite HP 32 Curved Vane Rotor Rotors

Ultra-Light ULHP-32 directional vane rotors provide an excellent balance of efficient cooling and lower rotating mass on hard braking dirt tracks or rear axle service on pavement cars. UL rotors are cast from premium grade, long grain carbon iron for long wear, high thermal stability, and resistance to distortion. ULHP-32 rotors offered the added performance and smoother operation of precision turned faces with less than .001" variation in flatness, parallelism, or run-out. View Ultralite Rotors
Ultralite HP 32 Vane Rotor


Rotor Dimensions
Rotor Diameter Range 12.19
Rotor Width Range 1.10

Ultralite HP 32 Vane Rotor Rotors

Ultra-Light ULHP straight vane rotors provide high value performance and rugged durability for a wide range of competition, high performance, and sport driving applications. Don't confuse these rotors with bargain priced off-brand named parts. Wilwood's modern manufacturing capability, combined with large scale economies, make it possible to offer this level of quality and performance at such an affordable price. View Ultralite Rotors
Ultralite HP 32 Vane Rotor


Rotor Dimensions
Rotor Diameter Range 11.75 12.19
Rotor Width Range 0.81

Ultralite HP 32 Vane Rotor Rotors

Ultra-Light ULHP-32 straight vane rotors provide an excellent balance of efficient cooling and lower rotating mass on hard braking dirt tracks or rear axle service on pavement cars. UL rotors are cast from premium grade, long grain carbon iron for long wear, high thermal stability, and resistance to distortion. ULHP-32 rotors offered the added performance and smoother operation of precision turned faces with less than .001" variation in flatness, parallelism, or run-out. View Ultralite Rotors
Ultralite HPS 32 Vane Rotor


Rotor Dimensions
Rotor Diameter Range 12.19
Rotor Width Range 1.10

Ultralite HPS 32 Vane Rotor Rotors

Ultra-Light ULHP straight vane rotors provide high value performance and rugged durability for a wide range of competition, high performance, and sport driving applications. Don't confuse these rotors with bargain priced off-brand named parts. Wilwood's modern manufacturing capability, combined with large scale economies, make it possible to offer this level of quality and performance at such an affordable price. View Ultralite Rotors
Ultralite HPS 32 Vane Rotor


Rotor Dimensions
Rotor Diameter Range 12.19
Rotor Width Range 1.10

Ultralite HPS 32 Vane Rotor Rotors

Ultra-Light ULHP straight vane rotors provide high value performance and rugged durability for a wide range of competition, high performance, and sport driving applications. Don't confuse these rotors with bargain priced off-brand named parts. Wilwood's modern manufacturing capability, combined with large scale economies, make it possible to offer this level of quality and performance at such an affordable price. View Ultralite Rotors
Ultralite HPS 32 Vane Rotor


Rotor Dimensions
Rotor Diameter Range 12.00
Rotor Width Range 1.03

Ultralite HPS 32 Vane Rotor Rotors

Ultra-Light ULHPS straight vane rotors provide high value performance and rugged durability for a wide range of competition, high performance, and sport driving applications. ULHPS rotors are close tolerance machined with turned grooved pad faces. The additional mass of the HP series extends service life on heavier competition vehicles and other severe duty applications. They are also the base model for every day use. Don't confuse these rotors with bargain priced off-brand named parts. Wilwood's modern manufacturing capability, combined with large scale economies, make it possible to offer this level of quality and performance at such an affordable price. View Ultralite Rotors

 
All images shown are for illustrative purposes only. Actual product received may be different than what is portrayed on the web site.
Wilwood makes every effort to maintain our web site to ensure the accuracy of prices and product information. However, product information and prices are subject to change without notice. Please call (805) 388-1188 before ordering to verify current prices and product information.
     Copyright ©2021 Wilwood Engineering, Inc. - All Rights Reserved     
Version: 3.05 June 23, 2023