MasterCylinder No: 261-15493-P


Call (805) 388-1188
Remote Tandem M/C Kit w/Brkt and Valve (Mustang)
Prod #: 261-15493-P
Price: $533.47


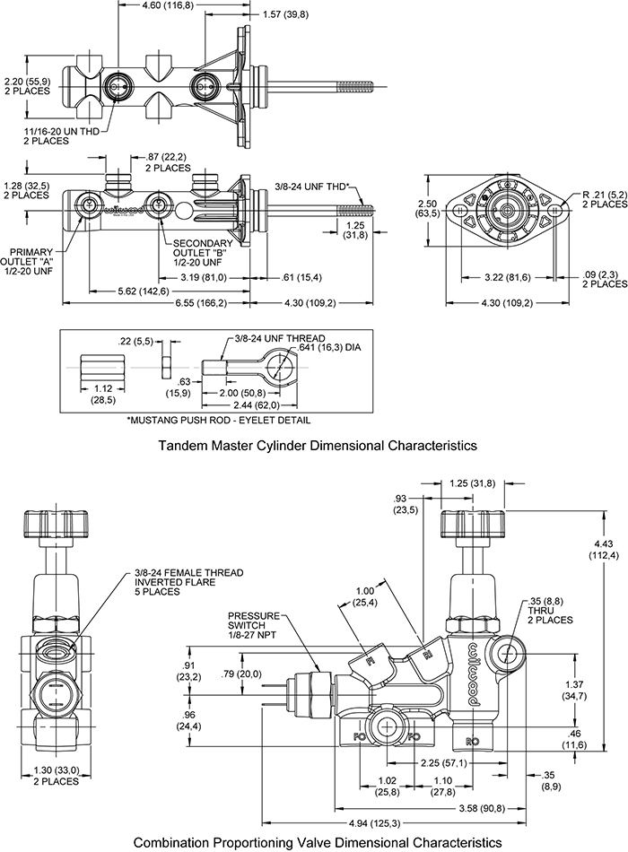
Master Cylinder Dimensions
Bore Size 15/16"
Area (in²) 0.690
Stroke 1.12
Volume (cu in)
Master Cylinder Description
Type Tandem Outlet
Outlets 2
Material Aluminum / Plastic
Finish Chrome P-coat
Reservoir
Res Type Remote
Res Size (oz) 7.0 / 7.0
Res Size(cu in) 12.6 / 12.6
Rate
UPC Number
UPC 889545090017
Product Documents
Rebuild Kit Product Data Sheet

Call for info
(805) 388-1188

Click To Download

Remote Tandem M/C Kit w/Brkt and Valve (Mustang) - Product Summary

Wilwood has packaged the new Remote Tandem Chamber Master Cylinder for Calssic Mustang with the Combination Proportioning Valve, mounting bracket, fluid tubes and mounting hardware in a kit. Wilwood's Tandem Master Cylinder represents the latest in refinements in brake pressure actuation and fluid control. The slotted flange mounting and two finishes: ball burnished or black E-coat. The combination proportioning valve substantially simplifies wiring and brake proportioning adjustments on vehicles with custom brake systems. The combination block maintains full isolation between front and rear fluid circuits and is specifically designed to accompany the Tandem Chamber Master Cylinder. The combo valve and bracket are black E-coated for a performance look and long lasting durability. Stainless steel fluid tubes are precision bent with pre-installed plated steel tube nuts for a simple bolt-on installation between the Combination Proportioning Valve and the Wilwood Tandem Master Cylinder. Stainless steel button head fasteners thread into the bracket for a simple installation and years of durable, rust-free performance. Simply connect the fluid lines, bleed the system, and you're finished.







Master Cylinder Dimensions

Wilwood Remote Tandem M/C Kit w/Brkt and Valve (Mustang) Drawing Wilwood Remote Tandem M/C Kit w/Brkt and Valve (Mustang) Drawing Zoom Image
Additional Dimensions
Overall Length(in) 10.76"
Flange to End Length (in) 6.56"
Inlet Size (in) .87" or 11/16-20
Inlet Fit (in) 1/4" Hose
Outlet Size 1 (in) 1/2-20
Outlet Fit 1 (in) 3/8-24 IF or 1/2-20 IF
Outlet Size 2 (in) 1/2-20
Outlet Fit 2 (in) 3/8-24 IF or 9/16-18 IF
Additional Notes

Products commonly used with this item:




$137.14
More Details
$5.76
More Details
$116.55
More Details





Additional related products:




More Details
More Details





 
All images shown are for illustrative purposes only. Actual product received may be different than what is portrayed on the web site.
Wilwood makes every effort to maintain our web site to ensure the accuracy of prices and product information. However, product information and prices are subject to change without notice. Please call (805) 388-1188 before ordering to verify current prices and product information.
     Copyright ©2021 Wilwood Engineering, Inc. - All Rights Reserved     
Version: 3.05 June 23, 2023