Hat No: 170-14554


Call (805) 388-1188
Truck Hat - Standard
Prod #: 170-14554
Price: $216.70
Truck Hat - Standard 170-14554

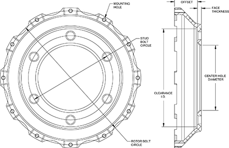
Hat Dimensions
Mount Hole Type Threaded
Rotor Bolt Circle (in) 12 x 8.75
Hat Offset (in) 1.500
Center Reg. (in) 4.26
Hat Type
Material Aluminum
Mount Style Fixed Mount
Finish Black E-Coat
Weight (lbs) 1.900
Bolt Circle Dimensions
Hat Bolt Circle 1 6 X 5.50
Hat Bolt Circle 2
Hat Bolt Circle 3
UPC Number
UPC 889545081237
Application Info
Application Note Toyota Tacoma
Hat Bolt Kit Part # 230-8008
Application Note
Application Note
Truck Hat - Standard - Product Description

Wilwood's Truck hats are precision machined from premium aluminum alloys for high strength and attention to minimized weight. Hats in this category feature threaded rotor mount holes for use with standard through-hole mount rotors. Truck Hats feature strengthening ribs on a flared bell configuration for big rotor brake kits on truck, SUV, and 4WD axles with either 6 or 8 lug configurations.





Rotor Hat Dimensions

Truck Hat - Standard Hat Drawing Truck Hat - Standard Hat Drawing Zoom Image
Additional Hat Dimensions
Rotor Mount Hole Size (in) 1/4-20
Shoe I.D. (in)
Clearance I.D. (in) 6.40
Face Thickness (in) 0.25
Hat Stud Diamenter - BC 1 (in) 0.520
Hat Stud Diamenter - BC 2 (in)
Hat Stud Diamenter - BC 3 (in)
Additional Notes

Wilwood Compatible Rotors

C/SiC Rotor & Bobbin Mount Hat Assembly


Rotor Dimensions
Rotor Diameter Range 15.00
Rotor Width Range 1.25

C/SiC Rotor & Bobbin Mount Hat Assembly Rotors

Wilwood’s C/SiC Rotor and Bobbin Driven Hat Assemblies are preassembled packages of our latest and greatest technology and design. The bobbin drive rotor mounting system eliminates typical fixed mount schemes and instead, a spring loaded bobbin assembly retains the rotor in the hat. This system allows the rotors to move independently of the hats as they expand and contract through heat cycles. All thermally generated stress is removed from the rotor attachment points. The rotors stay flatter and run truer. Paired with C/SiC rotors that are made form a proprietary blend ceramic matrix composite material commonly known as Carbon-Ceramic. C/SiC rotors offer higher thermal conductivity and heat capacity in excess of conventional iron or titanium rotors of similar or even greater weight and are developed to withstand extreme temperatures with the highest possible degree of resistance against distortion, warping, cracking, and wear. View Dynamic Lug Mount Rotor Assembly
C/SiC Rotor & Bobbin Mount Hat Assembly


Rotor Dimensions
Rotor Diameter Range 15.00
Rotor Width Range 1.25

C/SiC Rotor & Bobbin Mount Hat Assembly Rotors

Wilwood’s C/SiC Rotor and Bobbin Driven Hat Assemblies are preassembled packages of our latest and greatest technology and design. The bobbin drive rotor mounting system eliminates typical fixed mount schemes and instead, a spring loaded bobbin assembly retains the rotor in the hat. This system allows the rotors to move independently of the hats as they expand and contract through heat cycles. All thermally generated stress is removed from the rotor attachment points. The rotors stay flatter and run truer. Paired with C/SiC rotors that are made form a proprietary blend ceramic matrix composite material commonly known as Carbon-Ceramic. C/SiC rotors offer higher thermal conductivity and heat capacity in excess of conventional iron or titanium rotors of similar or even greater weight and are developed to withstand extreme temperatures with the highest possible degree of resistance against distortion, warping, cracking, and wear. View Dynamic Lug Mount Rotor Assembly
C/SiC Rotor & Bobbin Mount Hat Assembly


Rotor Dimensions
Rotor Diameter Range 15.00
Rotor Width Range 1.25

C/SiC Rotor & Bobbin Mount Hat Assembly Rotors

Wilwood’s C/SiC Rotor and Bobbin Driven Hat Assemblies are preassembled packages of our latest and greatest technology and design. The bobbin drive rotor mounting system eliminates typical fixed mount schemes and instead, a spring loaded bobbin assembly retains the rotor in the hat. This system allows the rotors to move independently of the hats as they expand and contract through heat cycles. All thermally generated stress is removed from the rotor attachment points. The rotors stay flatter and run truer. Paired with C/SiC rotors that are made form a proprietary blend ceramic matrix composite material commonly known as Carbon-Ceramic. C/SiC rotors offer higher thermal conductivity and heat capacity in excess of conventional iron or titanium rotors of similar or even greater weight and are developed to withstand extreme temperatures with the highest possible degree of resistance against distortion, warping, cracking, and wear. View Dynamic Lug Mount Rotor Assembly
C/SiC Rotor & Bobbin Mount Hat Assembly


Rotor Dimensions
Rotor Diameter Range 15.00
Rotor Width Range 1.25

C/SiC Rotor & Bobbin Mount Hat Assembly Rotors

Wilwood’s C/SiC Rotor and Bobbin Driven Hat Assemblies are preassembled packages of our latest and greatest technology and design. The bobbin drive rotor mounting system eliminates typical fixed mount schemes and instead, a spring loaded bobbin assembly retains the rotor in the hat. This system allows the rotors to move independently of the hats as they expand and contract through heat cycles. All thermally generated stress is removed from the rotor attachment points. The rotors stay flatter and run truer. Paired with C/SiC rotors that are made form a proprietary blend ceramic matrix composite material commonly known as Carbon-Ceramic. C/SiC rotors offer higher thermal conductivity and heat capacity in excess of conventional iron or titanium rotors of similar or even greater weight and are developed to withstand extreme temperatures with the highest possible degree of resistance against distortion, warping, cracking, and wear. View Dynamic Lug Mount Rotor Assembly
C/SiC Rotors


Rotor Dimensions
Rotor Diameter Range 14.00 15.00
Rotor Width Range 1.10 1.25

C/SiC Rotors Rotors

Wilwood's C/SiC rotors are made form a proprietary blend ceramic matrix composite material commonly known as Carbon-Ceramic. C/SiC rotors offer higher thermal conductivity and heat capacity in excess of conventional iron or titanium rotors of similar or even greater weight. Developed to withstand extreme temperatures with the highest possible degree of resistance against distortion, warping, cracking, and wear. The formulation for this composite is a derivative of technology and materials that were significant in the development of the extreme duty military spec rotors that are manufactured by Wilwood. View C/SiC Rotors
Drilled Steel Dynamic Mount Rotor


Rotor Dimensions
Rotor Diameter Range 12.90
Rotor Width Range 0.38

Drilled Steel Dynamic Mount Rotor Rotors

Steel rotors have applications in all types of motorsports. Steel rotors provide a durable lightweight option in applications where sustained temperatures remain in the low to moderate range, and high heat spikes are only observed on an intermittent basis. This could be anything from a hard stopping drag race car at the end of a quarter mile, or a high speed stock car coming in from a qualifier at a super speedway. Steel rotors can also be found in lighter weight open wheel cars such as sprints and modifieds, and a variety of light weight, open wheel road course racers. A special alloy and proprietary manufacturing processes give these rotors high resistance to thermal distortion with excellent friction and wear characteristics against the pads. View Steel Rotors
GT 32 Curved Vane Rotor


Rotor Dimensions
Rotor Diameter Range 15.00
Rotor Width Range 1.25

GT 32 Curved Vane Rotor Rotors

GT-32 curved vane rotors are built for the extreme conditions of professional motorsports. The superior heat absorption and dissipation characteristics of these heavy wall directional vane rotors are the keys to preventing heat fade and realizing long service life from the rotors and pads. All rotors are cast from premium grade, long grain carbon iron for long wear, thermal stability, and resistance to distortion. Every GT rotor is fully detail machined to eliminate stress points and unnecessary weight away from the pad sweep face. The faces and O.D. are precision turned to less than .001" for flatness, parallelism, and run-out. An asymmetrical face slot pattern provides smoother engagement through reduced harmonics and improved thermal balance between the I.D. and O.D. of the rotor. Every rotor is then individually dynamic balanced to provide vibration free performance at any speed. These rotors provide the highest cooling capacity and longest service life for extreme braking short tracks and road course competition. View GT Rotors
GT 36 Straight Vane Rotor


Rotor Dimensions
Rotor Diameter Range 14.00
Rotor Width Range 0.81

GT 36 Straight Vane Rotor Rotors

GT-36 straight vane rotors are built for the extreme conditions of professional motorsports. The superior heat absorption and dissipation characteristics of these heavy wall directional vane rotors are the keys to preventing heat fade and realizing long service life from the rotors and pads. All rotors are cast from premium grade, long grain carbon iron for long wear, thermal stability, and resistance to distortion. Every GT-36 rotor is fully detail machined to eliminate stress points and unnecessary weight away from the pad sweep face. The faces and O.D. are precision turned to less than .001" for flatness, parallelism, and run-out. An asymmetrical face slot pattern provides smoother engagement through reduced harmonics and improved thermal balance between the I.D. and O.D. of the rotor. Every rotor is then individually dynamic balanced to provide vibration free performance at any speed. These rotors provide the highest cooling capacity and longest service life for extreme braking short tracks and road course competition. View GT Rotors
GT 36 Straight Vane Rotor


Rotor Dimensions
Rotor Diameter Range 14.00
Rotor Width Range 0.81

GT 36 Straight Vane Rotor Rotors

GT-36 straight vane rotors are built for the extreme conditions of professional motorsports. The superior heat absorption and dissipation characteristics of these heavy wall directional vane rotors are the keys to preventing heat fade and realizing long service life from the rotors and pads. All rotors are cast from premium grade, long grain carbon iron for long wear, thermal stability, and resistance to distortion. Every GT-36 rotor is fully detail machined to eliminate stress points and unnecessary weight away from the pad sweep face. The faces and O.D. are precision turned to less than .001" for flatness, parallelism, and run-out. An asymmetrical face slot pattern provides smoother engagement through reduced harmonics and improved thermal balance between the I.D. and O.D. of the rotor. Every rotor is then individually dynamic balanced to provide vibration free performance at any speed. These rotors provide the highest cooling capacity and longest service life for extreme braking short tracks and road course competition. View GT Rotors
GT 36 Straight Vane Rotor


Rotor Dimensions
Rotor Diameter Range 14.00
Rotor Width Range 0.76

GT 36 Straight Vane Rotor Rotors

GT-36 straight vane rotors are built for the extreme conditions of professional motorsports. The superior heat absorption and dissipation characteristics of these heavy wall directional vane rotors are the keys to preventing heat fade and realizing long service life from the rotors and pads. All rotors are cast from premium grade, long grain carbon iron for long wear, thermal stability, and resistance to distortion. Every GT-36 rotor is fully detail machined to eliminate stress points and unnecessary weight away from the pad sweep face. The faces and O.D. are precision turned to less than .001" for flatness, parallelism, and run-out. An asymmetrical face slot pattern provides smoother engagement through reduced harmonics and improved thermal balance between the I.D. and O.D. of the rotor. Every rotor is then individually dynamic balanced to provide vibration free performance at any speed. These rotors provide the highest cooling capacity and longest service life for extreme braking short tracks and road course competition. View GT Rotors
GT 36 Straight Vane Rotor


Rotor Dimensions
Rotor Diameter Range 13.50
Rotor Width Range 0.81

GT 36 Straight Vane Rotor Rotors

Ultra-Light ULHPS straight vane rotors provide high value performance and rugged durability for a wide range of competition, high performance, and sport driving applications. ULHPS rotors are close tolerance machined with turned grooved pad faces. The additional mass of the HP series extends service life on heavier competition vehicles and other severe duty applications. They are also the base model for every day use. Don’t confuse these rotors with bargain priced off-brand named parts. Wilwood’s modern manufacturing capability, combined with large scale economies, make it possible to offer this level of quality and performance at such an affordable price. View GT Rotors
GT 36 Straight Vane Rotor


Rotor Dimensions
Rotor Diameter Range 13.50
Rotor Width Range 0.81

GT 36 Straight Vane Rotor Rotors

Ultra-Light ULHPS straight vane rotors provide high value performance and rugged durability for a wide range of competition, high performance, and sport driving applications. ULHPS rotors are close tolerance machined with turned grooved pad faces. The additional mass of the HP series extends service life on heavier competition vehicles and other severe duty applications. They are also the base model for every day use. Don’t confuse these rotors with bargain priced off-brand named parts. Wilwood’s modern manufacturing capability, combined with large scale economies, make it possible to offer this level of quality and performance at such an affordable price. View GT Rotors
GT 48 Curved Vane Rotor


Rotor Dimensions
Rotor Diameter Range 12.88
Rotor Width Range 1.10

GT 48 Curved Vane Rotor Rotors

GT-48 curved vane rotors are built for the extreme conditions of professional motorsports. The superior heat absorption and dissipation characteristics of these heavy wall directional vane rotors are the keys to preventing heat fade and realizing long service life from the rotors and pads. All rotors are cast from premium grade, long grain carbon iron for long wear, thermal stability, and resistance to distortion. Every GT rotor is fully detail machined to eliminate stress points and unnecessary weight away from the pad sweep face. The faces and O.D. are precision turned to less than .001" for flatness, parallelism, and run-out. An asymmetrical face slot pattern provides smoother engagement through reduced harmonics and improved thermal balance between the I.D. and O.D. of the rotor. Every rotor is then individually dynamic balanced to provide vibration free performance at any speed. These rotors provide the highest cooling capacity and longest service life for extreme braking short tracks and road course competition. View GT Rotors
GT 48 Curved Vane Rotor


Rotor Dimensions
Rotor Diameter Range 12.88
Rotor Width Range 1.10

GT 48 Curved Vane Rotor Rotors

GT-48 curved vane rotors are built for the extreme conditions of professional motorsports. The superior heat absorption and dissipation characteristics of these heavy wall directional vane rotors are the keys to preventing heat fade and realizing long service life from the rotors and pads. All rotors are cast from premium grade, long grain carbon iron for long wear, thermal stability, and resistance to distortion. Every GT rotor is fully detail machined to eliminate stress points and unnecessary weight away from the pad sweep face. The faces and O.D. are precision turned to less than .001" for flatness, parallelism, and run-out. An asymmetrical face slot pattern provides smoother engagement through reduced harmonics and improved thermal balance between the I.D. and O.D. of the rotor. Every rotor is then individually dynamic balanced to provide vibration free performance at any speed. These rotors provide the highest cooling capacity and longest service life for extreme braking short tracks and road course competition. View GT Rotors
GT 48 Curved Vane Rotor


Rotor Dimensions
Rotor Diameter Range 12.88
Rotor Width Range 1.00

GT 48 Curved Vane Rotor Rotors

GT-48 curved vane rotors are built for the extreme conditions of professional motorsports. The superior heat absorption and dissipation characteristics of these heavy wall directional vane rotors are the keys to preventing heat fade and realizing long service life from the rotors and pads. All rotors are cast from premium grade, long grain carbon iron for long wear, thermal stability, and resistance to distortion. Every GT rotor is fully detail machined to eliminate stress points and unnecessary weight away from the pad sweep face. The faces and O.D. are precision turned to less than .001" for flatness, parallelism, and run-out. An asymmetrical face slot pattern provides smoother engagement through reduced harmonics and improved thermal balance between the I.D. and O.D. of the rotor. Every rotor is then individually dynamic balanced to provide vibration free performance at any speed. These rotors provide the highest cooling capacity and longest service life for extreme braking short tracks and road course competition. View GT Rotors
GT 48 Curved Vane Rotor


Rotor Dimensions
Rotor Diameter Range 12.88
Rotor Width Range 1.00

GT 48 Curved Vane Rotor Rotors

GT-48 curved vane rotors are built for the extreme conditions of professional motorsports. The superior heat absorption and dissipation characteristics of these heavy wall directional vane rotors are the keys to preventing heat fade and realizing long service life from the rotors and pads. All rotors are cast from premium grade, long grain carbon iron for long wear, thermal stability, and resistance to distortion. Every GT rotor is fully detail machined to eliminate stress points and unnecessary weight away from the pad sweep face. The faces and O.D. are precision turned to less than .001" for flatness, parallelism, and run-out. An asymmetrical face slot pattern provides smoother engagement through reduced harmonics and improved thermal balance between the I.D. and O.D. of the rotor. Every rotor is then individually dynamic balanced to provide vibration free performance at any speed. These rotors provide the highest cooling capacity and longest service life for extreme braking short tracks and road course competition. View GT Rotors
GT 48 Curved Vane Rotor


Rotor Dimensions
Rotor Diameter Range 12.88
Rotor Width Range 0.81

GT 48 Curved Vane Rotor Rotors

GT-48 curved vane rotors are built for the extreme conditions of professional motorsports. The superior heat absorption and dissipation characteristics of these heavy wall directional vane rotors are the keys to preventing heat fade and realizing long service life from the rotors and pads. All rotors are cast from premium grade, long grain carbon iron for long wear, thermal stability, and resistance to distortion. Every GT rotor is fully detail machined to eliminate stress points and unnecessary weight away from the pad sweep face. The faces and O.D. are precision turned to less than .001" for flatness, parallelism, and run-out. An asymmetrical face slot pattern provides smoother engagement through reduced harmonics and improved thermal balance between the I.D. and O.D. of the rotor. Every rotor is then individually dynamic balanced to provide vibration free performance at any speed. These rotors provide the highest cooling capacity and longest service life for extreme braking short tracks and road course competition. View GT Rotors
GT 48 Curved Vane Rotor


Rotor Dimensions
Rotor Diameter Range 12.88
Rotor Width Range 0.81

GT 48 Curved Vane Rotor Rotors

GT-48 curved vane rotors are built for the extreme conditions of professional motorsports. The superior heat absorption and dissipation characteristics of these heavy wall directional vane rotors are the keys to preventing heat fade and realizing long service life from the rotors and pads. All rotors are cast from premium grade, long grain carbon iron for long wear, thermal stability, and resistance to distortion. Every GT rotor is fully detail machined to eliminate stress points and unnecessary weight away from the pad sweep face. The faces and O.D. are precision turned to less than .001" for flatness, parallelism, and run-out. An asymmetrical face slot pattern provides smoother engagement through reduced harmonics and improved thermal balance between the I.D. and O.D. of the rotor. Every rotor is then individually dynamic balanced to provide vibration free performance at any speed. These rotors provide the highest cooling capacity and longest service life for extreme braking short tracks and road course competition. View GT Rotors
GT 48 Curved Vane Rotor


Rotor Dimensions
Rotor Diameter Range 12.88
Rotor Width Range 1.00 1.10

GT 48 Curved Vane Rotor Rotors

GT-48 curved vane rotors are built for the extreme conditions of professional motorsports. The superior heat absorption and dissipation characteristics of these heavy wall directional vane rotors are the keys to preventing heat fade and realizing long service life from the rotors and pads. All rotors are cast from premium grade, long grain carbon iron for long wear, thermal stability, and resistance to distortion. Every GT rotor is fully detail machined to eliminate stress points and unnecessary weight away from the pad sweep face. The faces and O.D. are precision turned to less than .001" for flatness, parallelism, and run-out. An asymmetrical face slot pattern provides smoother engagement through reduced harmonics and improved thermal balance between the I.D. and O.D. of the rotor. Every rotor is then individually dynamic balanced to provide vibration free performance at any speed. These rotors provide the highest cooling capacity and longest service life for extreme braking short tracks and road course competition. View GT Rotors
GT 48 Curved Vane Rotor


Rotor Dimensions
Rotor Diameter Range 12.88
Rotor Width Range 1.25

GT 48 Curved Vane Rotor Rotors

Wilwood's GT 48 Curved Vane Spec-37 rotors are manufactured from a proprietary iron alloy developed to withstand extreme temperatures with the highest possible degree of resistance against distortion, warping, cracking, and wear. The formulation for this alloy is a derivative of technology and materials that were significant in the development of the extreme duty military spec rotors that are manufactured by Wilwood. Combined with our proven GT Series asymmetrical face slot pattern and individual dynamic balancing, you are assured the smoothest, vibration free performance at any speed. These rotors provide the highest cooling capacity and longest service life for extreme braking short tracks and road course competition. View GT Rotors
GT 48 Curved Vane Rotor


Rotor Dimensions
Rotor Diameter Range 12.88
Rotor Width Range 1.25

GT 48 Curved Vane Rotor Rotors

Wilwood's GT 48 Curved Vane Spec-37 rotors are manufactured from a proprietary iron alloy developed to withstand extreme temperatures with the highest possible degree of resistance against distortion, warping, cracking, and wear. The formulation for this alloy is a derivative of technology and materials that were significant in the development of the extreme duty military spec rotors that are manufactured by Wilwood. Combined with our proven GT Series asymmetrical face slot pattern and individual dynamic balancing, you are assured the smoothest, vibration free performance at any speed. These rotors provide the highest cooling capacity and longest service life for extreme braking short tracks and road course competition. View GT Rotors
GT 48 Curved Vane Rotor


Rotor Dimensions
Rotor Diameter Range 13.06
Rotor Width Range 1.25

GT 48 Curved Vane Rotor Rotors

Wilwood's GT 48 Curved Vane Spec-37 rotors are manufactured from a proprietary iron alloy developed to withstand extreme temperatures with the highest possible degree of resistance against distortion, warping, cracking, and wear. The formulation for this alloy is a derivative of technology and materials that were significant in the development of the extreme duty military spec rotors that are manufactured by Wilwood. Combined with our proven GT Series asymmetrical face slot pattern and individual dynamic balancing, you are assured the smoothest, vibration free performance at any speed. These rotors provide the highest cooling capacity and longest service life for extreme braking short tracks and road course competition. View GT Rotors
GT 48 Curved Vane Rotor


Rotor Dimensions
Rotor Diameter Range 13.06
Rotor Width Range 1.25

GT 48 Curved Vane Rotor Rotors

Wilwood's GT 48 Curved Vane Spec-37 rotors are manufactured from a proprietary iron alloy developed to withstand extreme temperatures with the highest possible degree of resistance against distortion, warping, cracking, and wear. The formulation for this alloy is a derivative of technology and materials that were significant in the development of the extreme duty military spec rotors that are manufactured by Wilwood. Combined with our proven GT Series asymmetrical face slot pattern and individual dynamic balancing, you are assured the smoothest, vibration free performance at any speed. These rotors provide the highest cooling capacity and longest service life for extreme braking short tracks and road course competition. View GT Rotors
GT 60 Curved Vane Rotor


Rotor Dimensions
Rotor Diameter Range 15.00
Rotor Width Range 1.25

GT 60 Curved Vane Rotor Rotors

Wilwood's GT 60 Curved Vane Spec-37 rotors are manufactured from a proprietary iron alloy developed to withstand extreme temperatures with the highest possible degree of resistance against distortion, warping, cracking, and wear. The formulation for this alloy is a derivative of technology and materials that were significant in the development of the extreme duty military spec rotors that are manufactured by Wilwood. Combined with our proven GT Series asymmetrical face slot pattern and individual dynamic balancing, you are assured the smoothest, vibration free performance at any speed. These rotors provide the highest cooling capacity and longest service life for extreme braking short tracks and road course competition. View GT Rotors
GT 72 Curved Vane Rotor


Rotor Dimensions
Rotor Diameter Range 14.25
Rotor Width Range 1.10

GT 72 Curved Vane Rotor Rotors

Wilwood's GT & GTB 72 Curved Vane Spec-37 rotors are manufactured from a proprietary iron alloy developed to withstand extreme temperatures with the highest possible degree of resistance against distortion, warping, cracking, and wear. The formulation for this alloy is a derivative of technology and materials that were significant in the development of the extreme duty military spec rotors that are manufactured by Wilwood. Combined with our proven GT Series asymmetrical face slot pattern and individual dynamic balancing, you are assured the smoothest braking available. GTB rotor have additional black e-coat finish applied for applications where corrosion resistance is concern. View GT Rotors
GT 72 Curved Vane Rotor


Rotor Dimensions
Rotor Diameter Range 14.25
Rotor Width Range 1.25

GT 72 Curved Vane Rotor Rotors

Wilwood's GT & GTB 72 Curved Vane Spec-37 rotors are manufactured from a proprietary iron alloy developed to withstand extreme temperatures with the highest possible degree of resistance against distortion, warping, cracking, and wear. The formulation for this alloy is a derivative of technology and materials that were significant in the development of the extreme duty military spec rotors that are manufactured by Wilwood. Combined with our proven GT Series asymmetrical face slot pattern and individual dynamic balancing, you are assured the smoothest braking available. GTB rotor have additional black e-coat finish applied for applications where corrosion resistance is concern. View GT Rotors
GT 72 Curved Vane Rotor


Rotor Dimensions
Rotor Diameter Range 14.25
Rotor Width Range 1.25

GT 72 Curved Vane Rotor Rotors

Wilwood's GT & GTB 72 Curved Vane Spec-37 rotors are manufactured from a proprietary iron alloy developed to withstand extreme temperatures with the highest possible degree of resistance against distortion, warping, cracking, and wear. The formulation for this alloy is a derivative of technology and materials that were significant in the development of the extreme duty military spec rotors that are manufactured by Wilwood. Combined with our proven GT Series asymmetrical face slot pattern and individual dynamic balancing, you are assured the smoothest braking available. GTB rotor have additional black e-coat finish applied for applications where corrosion resistance is concern. View GT Rotors
GT 72 Curved Vane Rotor


Rotor Dimensions
Rotor Diameter Range 15.00
Rotor Width Range 1.25

GT 72 Curved Vane Rotor Rotors

Wilwood's GT & GTB 72 Curved Vane Spec-37 rotors are manufactured from a proprietary iron alloy developed to withstand extreme temperatures with the highest possible degree of resistance against distortion, warping, cracking, and wear. The formulation for this alloy is a derivative of technology and materials that were significant in the development of the extreme duty military spec rotors that are manufactured by Wilwood. Combined with our proven GT Series asymmetrical face slot pattern and individual dynamic balancing, you are assured the smoothest braking available. GTB rotor have additional black e-coat finish applied for applications where corrosion resistance is concern. View GT Rotors
GT 72 Curved Vane Rotor


Rotor Dimensions
Rotor Diameter Range 15.00
Rotor Width Range 1.25

GT 72 Curved Vane Rotor Rotors

Wilwood's GT & GTB 72 Curved Vane Spec-37 rotors are manufactured from a proprietary iron alloy developed to withstand extreme temperatures with the highest possible degree of resistance against distortion, warping, cracking, and wear. The formulation for this alloy is a derivative of technology and materials that were significant in the development of the extreme duty military spec rotors that are manufactured by Wilwood. Combined with our proven GT Series asymmetrical face slot pattern and individual dynamic balancing, you are assured the smoothest braking available. GTB rotor have additional black e-coat finish applied for applications where corrosion resistance is concern. View GT Rotors
GT 72 Curved Vane Rotor


Rotor Dimensions
Rotor Diameter Range 15.00
Rotor Width Range 1.25

GT 72 Curved Vane Rotor Rotors

Wilwood's GT & GTB 72 Curved Vane Spec-37 rotors are manufactured from a proprietary iron alloy developed to withstand extreme temperatures with the highest possible degree of resistance against distortion, warping, cracking, and wear. The formulation for this alloy is a derivative of technology and materials that were significant in the development of the extreme duty military spec rotors that are manufactured by Wilwood. Combined with our proven GT Series asymmetrical face slot pattern and individual dynamic balancing, you are assured the smoothest braking available. GTB rotor have additional black e-coat finish applied for applications where corrosion resistance is concern. View GT Rotors
GT 72 Curved Vane Rotor


Rotor Dimensions
Rotor Diameter Range 15.00
Rotor Width Range 1.25

GT 72 Curved Vane Rotor Rotors

Wilwood's GT & GTB 72 Curved Vane Spec-37 rotors are manufactured from a proprietary iron alloy developed to withstand extreme temperatures with the highest possible degree of resistance against distortion, warping, cracking, and wear. The formulation for this alloy is a derivative of technology and materials that were significant in the development of the extreme duty military spec rotors that are manufactured by Wilwood. Combined with our proven GT Series asymmetrical face slot pattern and individual dynamic balancing, you are assured the smoothest braking available. GTB rotor have additional black e-coat finish applied for applications where corrosion resistance is concern. View GT Rotors
GT 72 Curved Vane Rotor


Rotor Dimensions
Rotor Diameter Range 13.28
Rotor Width Range 1.30

GT 72 Curved Vane Rotor Rotors

Wilwood's GT & GTB 72 Curved Vane Spec-37 rotors are manufactured from a proprietary iron alloy developed to withstand extreme temperatures with the highest possible degree of resistance against distortion, warping, cracking, and wear. The formulation for this alloy is a derivative of technology and materials that were significant in the development of the extreme duty military spec rotors that are manufactured by Wilwood. Combined with our proven GT Series asymmetrical face slot pattern and individual dynamic balancing, you are assured the smoothest braking available. GTB rotor have additional black e-coat finish applied for applications where corrosion resistance is concern. View GT Rotors
GT 72 Curved Vane Rotor


Rotor Dimensions
Rotor Diameter Range 13.28
Rotor Width Range 1.30

GT 72 Curved Vane Rotor Rotors

Wilwood's GT & GTB 72 Curved Vane Spec-37 rotors are manufactured from a proprietary iron alloy developed to withstand extreme temperatures with the highest possible degree of resistance against distortion, warping, cracking, and wear. The formulation for this alloy is a derivative of technology and materials that were significant in the development of the extreme duty military spec rotors that are manufactured by Wilwood. Combined with our proven GT Series asymmetrical face slot pattern and individual dynamic balancing, you are assured the smoothest braking available. GTB rotor have additional black e-coat finish applied for applications where corrosion resistance is concern. View GT Rotors
GT 72 Curved Vane Rotor


Rotor Dimensions
Rotor Diameter Range 14.00
Rotor Width Range 1.10

GT 72 Curved Vane Rotor Rotors

Wilwood's GT & GTB 72 Curved Vane Spec-37 rotors are manufactured from a proprietary iron alloy developed to withstand extreme temperatures with the highest possible degree of resistance against distortion, warping, cracking, and wear. The formulation for this alloy is a derivative of technology and materials that were significant in the development of the extreme duty military spec rotors that are manufactured by Wilwood. Combined with our proven GT Series asymmetrical face slot pattern and individual dynamic balancing, you are assured the smoothest braking available. GTB rotor have additional black e-coat finish applied for applications where corrosion resistance is concern. View GT Rotors
GT 72 Curved Vane Rotor


Rotor Dimensions
Rotor Diameter Range 14.00
Rotor Width Range 1.25

GT 72 Curved Vane Rotor Rotors

Wilwood's GT & GTB 72 Curved Vane Spec-37 rotors are manufactured from a proprietary iron alloy developed to withstand extreme temperatures with the highest possible degree of resistance against distortion, warping, cracking, and wear. The formulation for this alloy is a derivative of technology and materials that were significant in the development of the extreme duty military spec rotors that are manufactured by Wilwood. Combined with our proven GT Series asymmetrical face slot pattern and individual dynamic balancing, you are assured the smoothest braking available. GTB rotor have additional black e-coat finish applied for applications where corrosion resistance is concern. View GT Rotors
GT 72 Curved Vane Rotor


Rotor Dimensions
Rotor Diameter Range 14.00
Rotor Width Range 1.10

GT 72 Curved Vane Rotor Rotors

Wilwood's GT & GTB 72 Curved Vane Spec-37 rotors are manufactured from a proprietary iron alloy developed to withstand extreme temperatures with the highest possible degree of resistance against distortion, warping, cracking, and wear. The formulation for this alloy is a derivative of technology and materials that were significant in the development of the extreme duty military spec rotors that are manufactured by Wilwood. Combined with our proven GT Series asymmetrical face slot pattern and individual dynamic balancing, you are assured the smoothest braking available. GTB rotor have additional black e-coat finish applied for applications where corrosion resistance is concern. View GT Rotors
GT 72 Curved Vane Rotor


Rotor Dimensions
Rotor Diameter Range 14.00 14.25
Rotor Width Range 1.10 1.25

GT 72 Curved Vane Rotor Rotors

Wilwood's GT & GTB 72 Curved Vane Spec-37 rotors are manufactured from a proprietary iron alloy developed to withstand extreme temperatures with the highest possible degree of resistance against distortion, warping, cracking, and wear. The formulation for this alloy is a derivative of technology and materials that were significant in the development of the extreme duty military spec rotors that are manufactured by Wilwood. Combined with our proven GT Series asymmetrical face slot pattern and individual dynamic balancing, you are assured the smoothest braking available. GTB rotor have additional black e-coat finish applied for applications where corrosion resistance is concern. View GT Rotors
GT Rotor & Hat Assembly


Rotor Dimensions
Rotor Diameter Range 12.88
Rotor Width Range 1.25

GT Rotor & Hat Assembly Rotors

Wilwood’s GT Rotor and Hat Assemblies are preassembled packages of our latest and greatest technology and design. The pre-installed bolt on rotor mounting and safety wire makes a quick and easy replacement for OEM’s, Mil-Spec and NGO’s. GT rotors are built for the extreme conditions. The superior heat absorption and dissipation characteristics of these heavy wall directional vane rotors are the keys to preventing heat fade and realizing long service life from the rotors and pads. All rotors are cast from premium grade, long grain carbon iron for long wear, thermal stability, and resistance to distortion. Assembled with aluminum alloy rotor hats, high grade fasteners and safety wire. View GT Rotor & Hat Assembly
GT Rotor & Hat Assembly


Rotor Dimensions
Rotor Diameter Range 12.88
Rotor Width Range 1.25

GT Rotor & Hat Assembly Rotors

Wilwood’s GT Rotor and Hat Assemblies are preassembled packages of our latest and greatest technology and design. The pre-installed bolt on rotor mounting and safety wire makes a quick and easy replacement for OEM’s, Mil-Spec and NGO’s. GT rotors are built for the extreme conditions. The superior heat absorption and dissipation characteristics of these heavy wall directional vane rotors are the keys to preventing heat fade and realizing long service life from the rotors and pads. All rotors are cast from premium grade, long grain carbon iron for long wear, thermal stability, and resistance to distortion. Assembled with aluminum alloy rotor hats, high grade fasteners and safety wire. View GT Rotor & Hat Assembly
GT Rotor & Hat Assembly


Rotor Dimensions
Rotor Diameter Range 13.28
Rotor Width Range 1.30

GT Rotor & Hat Assembly Rotors

Wilwood’s GT Rotor and Hat Assemblies are preassembled packages of our latest and greatest technology and design. The pre-installed bolt on rotor mounting and safety wire makes a quick and easy replacement for OEM’s, Mil-Spec and NGO’s. GT rotors are built for the extreme conditions. The superior heat absorption and dissipation characteristics of these heavy wall directional vane rotors are the keys to preventing heat fade and realizing long service life from the rotors and pads. All rotors are cast from premium grade, long grain carbon iron for long wear, thermal stability, and resistance to distortion. Assembled with aluminum alloy rotor hats, high grade fasteners and safety wire. View GT Rotor & Hat Assembly
GT Rotor & Hat Assembly


Rotor Dimensions
Rotor Diameter Range 13.28
Rotor Width Range 1.30

GT Rotor & Hat Assembly Rotors

Wilwood’s GT Rotor and Hat Assemblies are preassembled packages of our latest and greatest technology and design. The pre-installed bolt on rotor mounting and safety wire makes a quick and easy replacement for OEM’s, Mil-Spec and NGO’s. GT rotors are built for the extreme conditions. The superior heat absorption and dissipation characteristics of these heavy wall directional vane rotors are the keys to preventing heat fade and realizing long service life from the rotors and pads. All rotors are cast from premium grade, long grain carbon iron for long wear, thermal stability, and resistance to distortion. Assembled with aluminum alloy rotor hats, high grade fasteners and safety wire. View GT Rotor & Hat Assembly
HD 48 Curved Vane Rotor


Rotor Dimensions
Rotor Diameter Range 12.88 13.06
Rotor Width Range 1.25

HD 48 Curved Vane Rotor Rotors

Wilwood's HD 48 Curved Vane Spec-37 rotors are are manufactured from a proprietary iron alloy developed to withstand extreme temperatures with the highest possible degree of resistance against distortion, warping, cracking, and wear. The formulation for this alloy is a derivative of technology and materials that were significant in the development of the extreme duty military spec rotors that are manufactured by Wilwood. Our HD Series preparation includes full detail machining and smooth pad contact faces without slots. View HD Rotors
SRP Drilled Performance Rotor


Rotor Dimensions
Rotor Diameter Range 14.00
Rotor Width Range 0.81

SRP Drilled Performance Rotor Rotors

SRP Drilled Performance Rotors feature a specially engineered directional cross drill and face slot pattern that improve brake response and pad performance throughout the entire range of light to heavy braking. The venting and cleaning action of the holes and slots will reduce pad glaze and disperse gasses and heat generated during the pad to rotor interface. The holes and slots also inhibit irregular pad compound build-up on the rotor faces resulting in smoother engagement and improved pedal response in all conditions. The material removed also contributes to lower rotating and unsprung suspension weight. View SRP Rotors
SRP Drilled Performance Rotor


Rotor Dimensions
Rotor Diameter Range 14.00
Rotor Width Range 0.76

SRP Drilled Performance Rotor Rotors

SRP Drilled Performance Rotors feature a specially engineered directional cross drill and face slot pattern that improve brake response and pad performance throughout the entire range of light to heavy braking. The venting and cleaning action of the holes and slots will reduce pad glaze and disperse gasses and heat generated during the pad to rotor interface. The holes and slots also inhibit irregular pad compound build-up on the rotor faces resulting in smoother engagement and improved pedal response in all conditions. The material removed also contributes to lower rotating and unsprung suspension weight. View SRP Rotors
SRP Drilled Performance Rotor


Rotor Dimensions
Rotor Diameter Range 13.50
Rotor Width Range 0.81

SRP Drilled Performance Rotor Rotors

SRP Drilled Performance Rotors feature a specially engineered directional cross drill and face slot pattern that improve brake response and pad performance throughout the entire range of light to heavy braking. The venting and cleaning action of the holes and slots will reduce pad glaze and disperse gasses and heat generated during the pad to rotor interface. The holes and slots also inhibit irregular pad compound build-up on the rotor faces resulting in smoother engagement and improved pedal response in all conditions. The material removed also contributes to lower rotating and unsprung suspension weight. View SRP Rotors
SRP Drilled Performance Rotor


Rotor Dimensions
Rotor Diameter Range 12.88 15.00
Rotor Width Range 0.75 1.25

SRP Drilled Performance Rotor Rotors

SRP Drilled Performance Rotors feature a specially engineered directional cross drill and face slot pattern that improve brake response and pad performance throughout the entire range of light to heavy braking. The venting and cleaning action of the holes and slots will reduce pad glaze and disperse gasses and heat generated during the pad to rotor interface. The holes and slots also inhibit irregular pad compound build-up on the rotor faces resulting in smoother engagement and improved pedal response in all conditions. The material removed also contributes to lower rotating and unsprung suspension weight. View SRP Rotors
SRP Drilled Performance Rotor


Rotor Dimensions
Rotor Diameter Range 12.88 14.00
Rotor Width Range 1.10

SRP Drilled Performance Rotor Rotors

SRP Drilled Performance Rotors feature a specially engineered directional cross drill and face slot pattern that improve brake response and pad performance throughout the entire range of light to heavy braking. The venting and cleaning action of the holes and slots will reduce pad glaze and disperse gasses and heat generated during the pad to rotor interface. The holes and slots also inhibit irregular pad compound build-up on the rotor faces resulting in smoother engagement and improved pedal response in all conditions. The material removed also contributes to lower rotating and unsprung suspension weight. View SRP Rotors

 
All images shown are for illustrative purposes only. Actual product received may be different than what is portrayed on the web site.
Wilwood makes every effort to maintain our web site to ensure the accuracy of prices and product information. However, product information and prices are subject to change without notice. Please call (805) 388-1188 before ordering to verify current prices and product information.
     Copyright ©2021 Wilwood Engineering, Inc. - All Rights Reserved     
Version: 3.05 June 23, 2023